

作品包括:
Word版设计说明书1份
任务书一份
开题报告一份
外文翻译一份
PPT答辩一份
CAD版本图纸,共7张
摘要
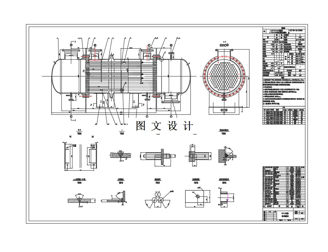
本要求设计的是800L夹套反应釜,容器属于低压容器,夹套内为无毒介质,容器内为易燃易爆介质,为轻度腐蚀。由于反应釜多为物理、化学反应容器,所以反应釜都需要带搅拌装置,搅拌器的型式选为桨式,转速为30r/min。反应釜作为一种立式的化工设备,其设计方法同属压力容器,应该按照GB150《钢制压力容器》中规定的设计准则进行设计,设计方案的基本思路应与国家行业标准一致,首先对容器的总体结构进行设计,其次对筒体和夹套的尺寸设计和强度校核,最后确定符合条件的夹套反应釜。根据设计好的尺寸和型式,利用画图软件AutoCAD绘制装配图和主要零件图。夹套反应釜在搅拌设备中的应用前景广泛,在化工行业中具有重要地位。
温馨提示:
1、题目前面的备注【字母数字编号】为本站整理分类的编号,与课题内容无关,请选题时忽视;
2、若题目上备注三维,则表示文件里包含三维源文件,由于三维组成零件数量较多,为保证预览截图的简洁性,本站将三维文件夹进行了打包。三维及CAD预览截图,均为本站电脑打开软件进行截图的,保证能够打开,下载原件超高清,下载后解压即可;
3、本站所有资源如无特殊说明,都需要本地电脑安装Office2007。图纸软件为AutoCAD,PROE,UG,SolidWorks,CATIA等;
4、本站所有图文资料仅供用户学习参考,不作为任何商用或其他用途;
5、本站不保证下载资源的准确性、安全性和完整性, 不包修改,不支持退换,同时也不承担用户因使用这些下载资源对自己和他人造成任何形式的伤害或损失;
6、 下载文件中如有侵权或不适当内容,请与我们联系,我们立即纠正。