

作品包括:
Word版设计说明书1份
任务书一份
开题报告一份
外文翻译一份
文献综述一份
CAD版本图纸,共5张
摘要
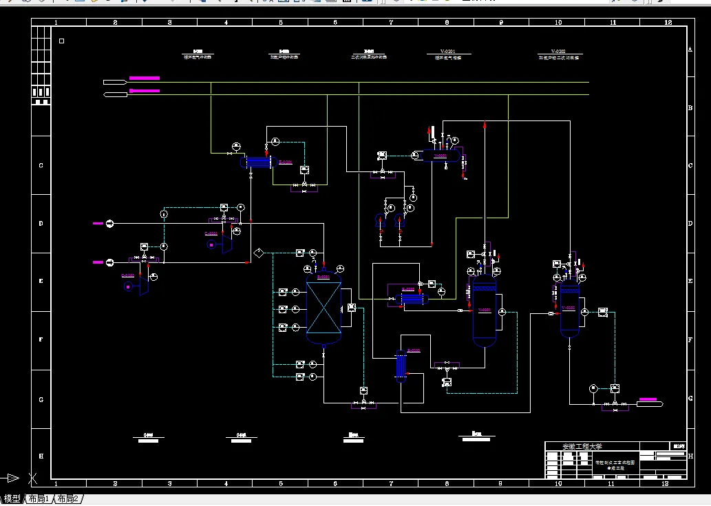
以130t/h循环流化床锅炉系统为对象对循环流化床锅炉燃烧过程进行控制。燃烧系统的控制目标是在安全燃烧(控制床温的稳定,避免结焦与熄火事故的发生)的前提下,基本维持锅炉主蒸汽压力的稳定。循环流化床燃烧技术核心在于硫化燃烧,物料循环及燃烧脱硫。循环流化床锅炉的的床温,烟气含氧量,负荷,一、二次风比例等因素影响锅炉效率及SO2、NOx等主要指标。自动控制系统的任务是通过调节给煤量、一次风量、二次风量、引凤量和飞灰返料量,达到稳定蒸汽压力、炉膛负压、含氧量,以保证最佳的流化状态。可以分为燃料控制,送风控制,床温控制、引风控制子系统。 主蒸汽压力的控制:主要通过调节输入的燃料量和送风量的多少来实现。炉膛内含氧量的控制:主要通过调节空气(即送风量)和燃料的输入成一定的比例来实现。炉膛负压的控制:主要通过调节引风机的引风量来实现。
温馨提示:
1、题目前面的备注【字母数字编号】为本站整理分类的编号,与课题内容无关,请选题时忽视;
2、若题目上备注三维,则表示文件里包含三维源文件,由于三维组成零件数量较多,为保证预览截图的简洁性,本站将三维文件夹进行了打包。三维及CAD预览截图,均为本站电脑打开软件进行截图的,保证能够打开,下载原件超高清,下载后解压即可;
3、本站所有资源如无特殊说明,都需要本地电脑安装Office2007。图纸软件为AutoCAD,PROE,UG,SolidWorks,CATIA等;
4、本站所有图文资料仅供用户学习参考,不作为任何商用或其他用途;
5、本站不保证下载资源的准确性、安全性和完整性, 不包修改,不支持退换,同时也不承担用户因使用这些下载资源对自己和他人造成任何形式的伤害或损失;
6、 下载文件中如有侵权或不适当内容,请与我们联系,我们立即纠正。