

作品包括:
Word版说明书1份,共60页,约23000字
CAD版本图纸,共6张
摘要
电力工业是国民经济发展的基础工业,也是现代城市发展的主要能源和动力。随着经济的发展和现代工业建设的迅速崛起,供电系统的设计越来越全面、系统,工厂用电量迅速增长,对电能质量、技术经济状况、供电的可靠性指标也日益提高,因此对供电设计也有了更高、更完善的要求。供电系统的核心部分是变电所,因此设计和建造一个安全、经济的变电所是极为重要的。
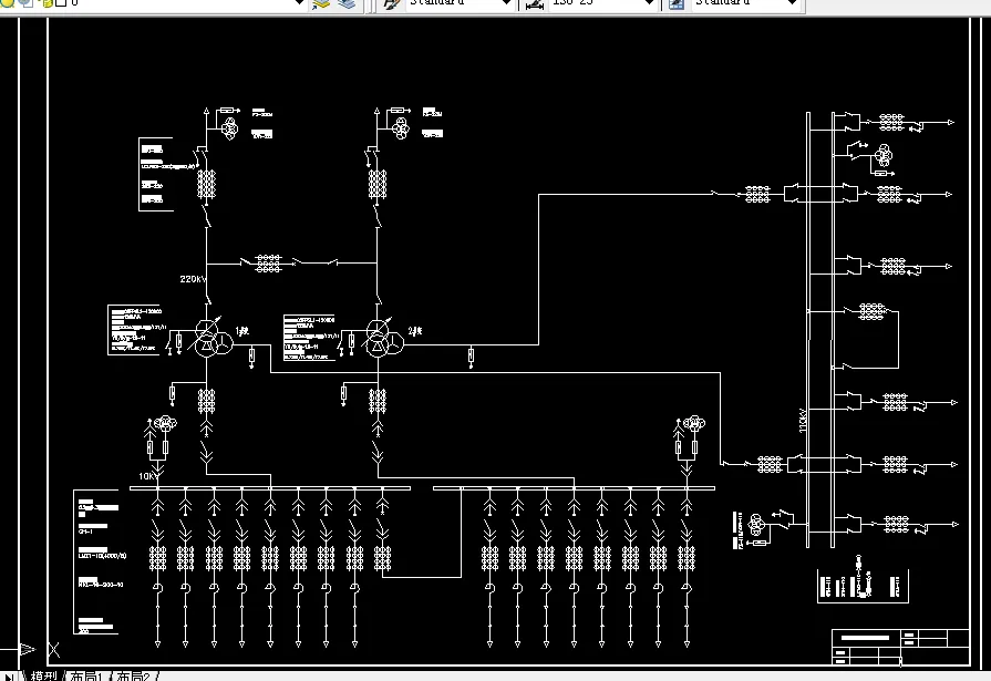
变电站是电力系统的一个重要组成部分,由电器设备及配电网络按一定的接线方式所构成,他从电力系统取得电能,通过其变换、分配、输送与保护等功能,然后将电能安全、可靠、经济的输送到每一个用电设备的转换场所。220kV变电站属于高压网络,该地区变电所所涉及方面多,考虑问题多,分析变电所担负的任务及用户负荷等情况,选择所址,利用用户数据进行负荷计算。同时进行各种变压器的选择,从而确定变电站的接线方式,再进行短路电流计算选择变电站高低压电气设备,为变电站平面及剖面图提供依据。本变电所的初步设计包括了:(1)总体方案的确定(2)短路电流的计算(3)电气设备的选择(4)防雷保护等内容。
随着电力技术高新化、复杂化的迅速发展,电力系统在从发电到供电的所有领域中,通过新技术的使用,都在不断的发生变化。变电所作为电力系统中一个关键的环节也同样在新技术领域得到了充分的发展。本次设计的主题是220kV降压变电所电气一次系统设计,除了注重变电所设计的基本计算外,对于电气主接线的选择和论证等都做了充分的说明。
关键词: 变电站;输电系统;配电系统
目 录
摘要 I
Abstract II
1前言 1
2 原始数据 2
3电气主接线选择 3
3.1概述 3
3.1.1可靠性 3
3.1.2灵活性 3
3.1.3经济性 3
3.2主接线的接线方式选择 4
3.2.1单母线接线 4
3.2.2单母分段 4
3.2.3单母分段带旁路母线 4
3.2.4桥形接线 4
3.2.5双母线接线 5
3.2.6双母线分段接线 5
3.3主接线方案选择 5
4主变压器容量、台数及形式的选择 10
4.1概述 10
4.2主变压器台数的选择 10
4.3主变压器容量的选择 10
4.4主变压器型式的选择 11
4.4.1主变压器相数的选择 11
4.4.2绕组数的选择 11
4.4.3主变调压方式的选择 12
4.4.4连接组别的选择 13
4.4.5容量比的选择 13
4.4.6主变压器冷却方式的选择 13
4.5 主变压器的最终确定 13
4.5.1方案3与方案6的综合投资 14
4.5.2方案3与方案6的年运行费用 15
5短路电流计算 17
5.1概述 17
5.2短路计算的目的及假设 17
5.2.1短路电流计算目的 17
5.2.2短路电流计算的一般规定 17
5.2.3短路计算基本假设 18
5.2.4基准值 18
5.2.5短路电流计算的步骤 18
5.3短路电流计算 19
5.3.1计算变压器各绕组电抗 19
5.3.2计算系统及线路阻抗 20
5.3.3等值网络 20
6电气设备的选择 25
6.1概述 25
6.1.1一般原则 25
6.1.2技术条件 25
6.2断路器的选择 26
6.2.1按开断电流选择 27
6.2.2短路关合电流的选择 27
6.2.3断路器选择计算 27
6.3隔离开关的选择 29
6.3.1隔离开关选择标准 29
6.3.2隔离开关选择计算 29
6.4电流互感器的选择 31
6.4.1电流互感器的特点 31
6.4.2电流互感器的选择标准 31
6.4.3电流互感器的选择计算 32
6.5电压互感器的选择 34
6.5.1电压互感器的特点 34
6.5.2电压互感器的选择标准 34
6.5.3电压互感器的选择计算 35
6.6母线的选择 36
6.6.1裸导体的选择条件选择和校验 36
6.6.2母线及电缆截面的选择 36
6.6.3母线选择计算 37
6.7支持绝缘子的选择 40
6.7.1支持绝缘子的选择标准 40
6.7.2支持绝缘子选择计算 40
6.7.3穿墙套管的选择 41
7电气总平面布置及配电装置的选择 42
7.1概述 42
7.2高压配电装置的选择 42
8防雷设计规划 46
8.1防雷保护的设计 46
8.2主变中性点放电间隙保护 46
8.3避雷器的选择 46
8.4避雷针的选择 48
8.5保护全面积的校验 49
9接地网的设计 50
9.1设计说明 50
9.2接地体的设计 50
9.3接地网设计计算 50
参考文献 52
结束语 53
设计图纸说明 54
致谢 55
温馨提示:
1、题目前面的备注【字母数字编号】为本站整理分类的编号,与课题内容无关,请选题时忽视;
2、若题目上备注三维,则表示文件里包含三维源文件,由于三维组成零件数量较多,为保证预览截图的简洁性,本站将三维文件夹进行了打包。三维及CAD预览截图,均为本站电脑打开软件进行截图的,保证能够打开,下载原件超高清,下载后解压即可;
3、本站所有资源如无特殊说明,都需要本地电脑安装Office2007。图纸软件为AutoCAD,PROE,UG,SolidWorks,CATIA等;
4、本站所有图文资料仅供用户学习参考,不作为任何商用或其他用途;
5、本站不保证下载资源的准确性、安全性和完整性, 不包修改,不支持退换,同时也不承担用户因使用这些下载资源对自己和他人造成任何形式的伤害或损失;
6、 下载文件中如有侵权或不适当内容,请与我们联系,我们立即纠正。