

作品包括:
Word版说明书1份,共63页,约24000字
CAD版本图纸,共12张
中文摘要
本设计为苏北某市新区水厂工艺设计。该工程设计规模为20万m3/d,以古黄河为水源其中近期工程为10万m3/d,远期工程为10万m3/d。
要求根据所给资料进行给水工艺设计、单体构筑物的设计计算,包括取水输水构筑物设计、净水厂设计和制水成本计算。
根据原水水质基本符合国家《地表水环境质量标准》(GB3838-2002)Ⅲ类水体,出厂水水质要求达到《生活饮用水卫生标准》(GB5749-2006)的要求,通过经济技术比较,确定净水厂的工艺流程选用方案一:
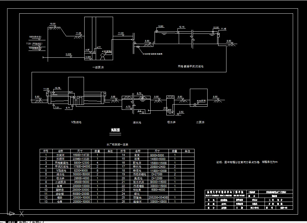
原水—→一级泵房—→管道静态混合器—→网格絮凝池—→平流沉淀池—→V型滤池
↑混凝剂
—→清水池—→吸水井—→二级泵房—→配水管网。
↑氯消毒
关键词:苏北某市新区;给水工程;取水构筑物;工艺流程;净水构筑物
目 录
绪 论………………………………………………………………………….5
1. 概 况….……………………………………………………………………6
1.1 自然概况………….…………………………………………………….6
1.2 供水现状及规划………………………………………………………..7
2. 供水方案设计……………………………………………………………….7
2.1 水源选择………………………………………………………………..7
2.1.1 水源选择原则…………………………………………………….7
2.1.2 水源的选择……………………………………………………….8
2.2 取水点及取水构筑物的形式确定……………………………………..8
2.3 厂址选择………………………………………………………………..8
2.4 工艺流程确定…………………………………………………………..8
2.4.1两种方案…………………………………………………………..8
2.4.2 两种方案的技术比较…………………………………………….9
2.4.3 两种方案的经济比较…………………………………………….10
3. 取水工程设计……………………………………………………………….10
3.1 取水构筑物的规模……………………………………………………..10
3.2取水构筑物的设计……………………………………………………...10
3.2.1 设计流量的确定和扬程估算…………………………………….10
3.2.2 初选泵和电机…………………………………………………….11
3.2.3 机组基础尺寸的确定…………………………………………….12
3.2.4 机组与管道布置………………………………………………….12
3.2.5 泵房平面尺寸的确定…………………………………………….12
3.2.6 吸水管路与压水管路中水头损失的计算……………………….13
3.2.7 取水头部的设计………………………………………………….15
3.2.8 泵安装高度的确定和泵房筒体高度的计算…………………….15
3.2.9 附属设备的选择………………………………………………….15
3.2.10 泵房建筑高度的确定………………………………………...…16
4. 净水构筑物设计计算……………………………………………………….16
4.1网格絮凝池……………………………………………………………...16
4.1.1 设计参数………………………………………………………….16
4.1.2 设计计算………………………………………………………….16
4.2 平流沉淀池……………………………………………………………..21
4.2.1 设计参数………………………………………………………….21
4.2.2 设计计算………………………………………………………….21
4.3 V型滤池………………………………………………………………...25
4.3.1 设计参数………………………………………………………….25
4.3.2 设计计算………………………………………………………….25
4.4 清水池…………………………………………………………………..36
4.4.1 清水池容积……………………………………………………….36
4.4.2清水池配水管……………………………………………………..36
4.4.3 通气孔及人孔…………………………………………………….37
4.4.4 集水坑…………………………………………………………….37
4.4.5 导流墙…………………………………………………………….38
4.4.6 水位标高………………………………………………………….38
4.5 混凝剂配置、投加及加药间…………………………………………..38
4.5.1 设计参数………………………………………………………….38
4.5.2 设计计算………………………………………………………….38
4.6 消毒……………………………………………………………………..41
4.6.1 加氯量…………………………………………………………….41
4.6.2 储氯量…………………………………………………………….41
4.6.3 加氯间、氯库…………………………………………………….41
5. 二级泵站设计……………………………………………………………….42
5.1 吸水井水位……………………………………………………………..43
5.2 水泵选型………………………………………………………………..43
5.3 泵房平面布置…………………………………………………………..44
5.3.1 基础尺寸的确定………………………………………………….44
5.3.2 进出管路设计…………………………………………………….44
5.3.3 机组与管道布置………………………………………………….44
5.3.4 泵房平面尺寸的确定…………………………………………….44
5.4 泵房高程布置…………………………………………………………..45
5.5 泵房附属设施…………………………………………………………..46
5.5.1 起重设备与泵房高度…………………………………………….46
5.5.2 排水设备………………………………………………………….46
5.5.3 通风设备………………………………………………………….46
5.6 吸水井的尺寸…………………………………………………………..46
5.7 吸水井的其它设置……………………………………………………..47
6. 生产废水处理……………………………………………………………….47
6.1 设计水量及水质………………………………………………………..47
6.1.1 排泥水量及水质………………………………………………….47
6.1.2 反冲洗水量及水质……………………………………………….47
6.2 工艺流程确定…………………………………………………………..47
6.3 构筑物设计……………………………………………………………..48
6.3.1 排水池………………………………………………………….....48
6.3.2 排泥池…………………………………………………………….48
6.3.3 浓缩池…………………………………………………………….49
6.3.4 集泥池…………………………………………………………….51
6.3.5 污泥脱水………………………………………………………….52
7. 水厂总体设计……………………………………………………………….52
7.1 水厂附属构筑物的设计………………………………………………..52
7.2 水厂平面布置…………………………………………………………..53
7.2.1 水厂平面布置要求……………………………………………….53
7.2.2 水厂平面布置…………………………………………………….54
7.3 成本分析………………………………………………………………..54
7.4 水厂高程布置…………………………………………………………..55
致谢……………………………………………………………………………….56
参考文献………………………………………………………………………….57
附录
温馨提示:
1、题目前面的备注【字母数字编号】为本站整理分类的编号,与课题内容无关,请选题时忽视;
2、若题目上备注三维,则表示文件里包含三维源文件,由于三维组成零件数量较多,为保证预览截图的简洁性,本站将三维文件夹进行了打包。三维及CAD预览截图,均为本站电脑打开软件进行截图的,保证能够打开,下载原件超高清,下载后解压即可;
3、本站所有资源如无特殊说明,都需要本地电脑安装Office2007。图纸软件为AutoCAD,PROE,UG,SolidWorks,CATIA等;
4、本站所有图文资料仅供用户学习参考,不作为任何商用或其他用途;
5、本站不保证下载资源的准确性、安全性和完整性, 不包修改,不支持退换,同时也不承担用户因使用这些下载资源对自己和他人造成任何形式的伤害或损失;
6、 下载文件中如有侵权或不适当内容,请与我们联系,我们立即纠正。