

作品包括:
Word版说明书1份,共61页,约24000字
CAD版本图纸,共5张
摘 要
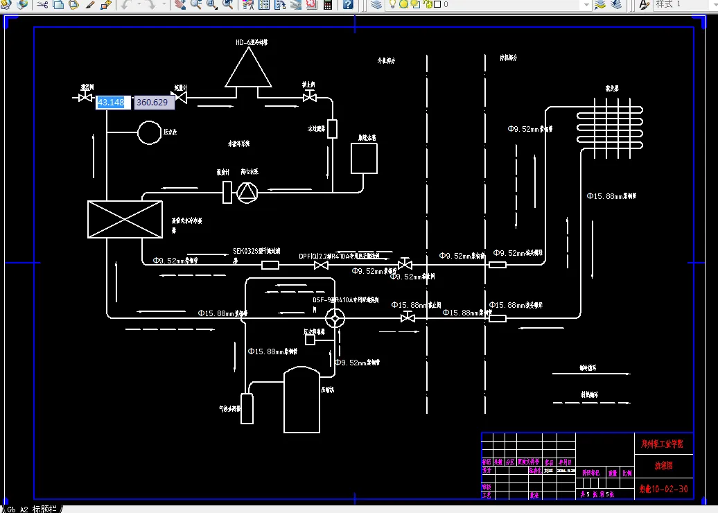
水冷分离式风机盘管空调器是家用中央空调,专业上属于水环热泵的范畴。这种空调调节方便,节能,可同时供冷供暖,经济性好,系统布置简洁灵活,设计方便,设计周期短,施工及运行管理方便,还可分户计费等优点得到了很多用户的青睐,在国内外的发展速度也非常快。它的室外冷凝器部分采用水冷形式,室内蒸发器采用传统空调的风冷形式,制冷范围较大,可以在家用空调与一般中央空调之间灵活调节,同时造价不高,安装方便,因此近年来水冷分离式空调器发展极为迅速。该系统在水/空气热泵机组制热时,以水循环环路中的水为加热源;机组制冷时,则以水为排热源。当水环热泵空调系统制热运行的吸热量小于制热运行的放热量时,循环环路中的水温度升高,到一定程度时利用冷却塔放出热量;反之循环环路中的水温度降低,到一定程度时通过辅助加热设备吸收热量。
本文主要介绍了12kw(制冷面积在60——70平方米)水冷分离式风机盘管空调器的设计思路及主要部分的设计计算,先后定性的分析了制冷剂的选择、压缩机的选用、冷凝器的水冷换热方式的确定、蒸发器换热方式的确定、节流机构的选择以及相关辅助设备的选择计算。在定量计算上详细介绍了热力计算、冷凝器的设计计算、蒸发器的设计计算、节流机构的选择计算、水环系统管路的计算以及其他辅助设备的选择过程。
关键词: 水冷分离/压缩机/冷凝器/蒸发器/水环热泵
目 录
摘 要 I
ABSTRACT II
1 绪论........................................................................................................1
2 原始设计资料和技术条件 2
3 系统热力计算 2
3.1 确定制冷系统的总制冷量 2
3.2 制冷剂的选择 2
3.2.1 制冷剂性质的要求 3
3.2.2 热力学性质的要求 3
3.2.3 制冷剂的选择 4
3.3 制冷热力计算 5
3.4 压缩机的选择 10
4 冷凝器的选择计算 13
4.1 冷凝器的形式选择 13
4.2 套管式冷凝器的设计计算 13
4.2.1 冷凝器设计参数 14
4.2.2 冷凝器换热面积计算 14
4.2.3 冷凝热负荷计算 15
4.2.4 内管根数的确定 15
4.2.5 传热计算 15
4.2.6 冷凝器总体结构设计 17
5 蒸发器的选择计算 17
5.1 蒸发器的参数 18
5.2 蒸发器结构设计 18
5.2.1 确定空气在流经蒸发器时的状态变化过程 19
5.2.2换热计算 20
5.2.3 校核壁温 22
5.2.3 风侧阻力计算 23
6 辅助设备的选择计算选型 23
6.1 干燥过滤器的计算选型 23
6.2风机盘管风机选型 25
6.3风机盘管电机选型 26
6.4节流装置计算选型 27
6.4.1节流前后压差 的计算 27
6.4.2节流装置的选型 27
6.5四通换向阀的选型 29
6.5.1四通换向阀的选型 29
6.5.2四通换向阀线圈的选择 30
6.6气液分离器的计算选型 30
6.6.1气液分离器选型原则 30
6.6.2气液分离器计算选型 31
6.7压力控制器的选型 33
6.7.1工作原理 33
6.8分液器选型 34
6.9电磁阀选型 34
6.9.1 电磁阀的工作原理及作用 34
6.9.2 电磁阀的安装和使用 35
6.10 截止阀选择 35
7 管路设计 36
7.1 制冷循环铜管的设计计算 36
7.1.1 各主要零部件的尺寸 36
7.1.2 系统铜管选择 38
8 水环系统的设计 40
8.1 水系统循环分类 40
8.2 水系统管制 40
8.3水系统的设计 41
8.3.1 冷凝水系统的设计 41
8.3.2 冷却塔选型 43
8.3.3 冷却水泵计算选型 44
8.3.4 膨胀水箱计算选型 46
8.3.5 冷凝器水环系统水管直径设计 46
8.3.6 冷凝器水系统连接管设计 48
8.4水系统截止阀和弯头设计 49
8.5水系统保温管设计 49
结 束 语 52
致 谢 53
参考文献 54
温馨提示:
1、题目前面的备注【字母数字编号】为本站整理分类的编号,与课题内容无关,请选题时忽视;
2、若题目上备注三维,则表示文件里包含三维源文件,由于三维组成零件数量较多,为保证预览截图的简洁性,本站将三维文件夹进行了打包。三维及CAD预览截图,均为本站电脑打开软件进行截图的,保证能够打开,下载原件超高清,下载后解压即可;
3、本站所有资源如无特殊说明,都需要本地电脑安装Office2007。图纸软件为AutoCAD,PROE,UG,SolidWorks,CATIA等;
4、本站所有图文资料仅供用户学习参考,不作为任何商用或其他用途;
5、本站不保证下载资源的准确性、安全性和完整性, 不包修改,不支持退换,同时也不承担用户因使用这些下载资源对自己和他人造成任何形式的伤害或损失;
6、 下载文件中如有侵权或不适当内容,请与我们联系,我们立即纠正。