

作品包括:
Word版说明书1份,共52页,约23000字
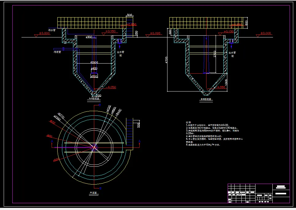
CAD版本图纸,共5张
目 录
1 概 述 1
1.1渗滤液来源、水质及水量特点分析 1
1.1.1渗滤液水质特点 1
1.1.2渗滤液水质特点 1
1.1.3渗滤液水量特点 1
1.1.4该城镇填埋场渗滤液水质及水量 2
1.2设计依据 2
1.2.1法律法规依据 2
1.2.2技术标准及技术规范依据 2
1.3设计范围 2
1.4设计原则 2
1.5执行排放标准 3
2 渗滤液处理方案及选择论证 4
2.1渗滤液主要处理方法 4
2.1.1生物法 4
2.1.2物理化学法 7
2.2渗滤液处理方案的选择 9
2.2.1渗滤液处理方案选择依据 9
2.2.2渗滤液处理程度论证 9
2.2.3渗滤液设计处理规模论证 9
2.3渗滤液处理工艺方案选择 9
2.3.1预处理工艺选择与论证 10
2.3.2二级生物处理工艺选择与论证 10
2.3.3深度处理工艺选择与论证 12
3 渗滤液处理工艺流程设计及原理说明 13
3.1渗滤液处理工艺流程设计 13
3.2工艺原理及过程说明 13
3.2.1格栅 13
3.2.2调节池 13
3.2.3吹脱塔 14
3.2.4 ABR池 14
3.2.5 SBR池 15
3.2.5混凝沉淀 15
3.2.6活性炭吸附 16
3.2.7消毒池 16
3.2.8污泥处理 16
4 主要构筑物的工艺设计与计算 17
4.1格栅设计及计算: 17
4.1.1格栅设计说明: 17
4.1.2格栅设计计算: 18
4.2调节池设计及计算: 21
4.2.1调节池设计说明: 21
4.2.2调节池设计计算: 22
4.3吹脱塔设计及计算: 22
4.3.1吹脱塔设计说明: 22
4.3.2吹脱塔设计计算: 23
4.4 ABR池设计及计算: 24
4.4.1 ABR池设计说明: 24
4.4.2 ABR池设计计算 24
4.5 SBR池设计及计算: 25
4.5.1 SBR池设计说明: 25
4.5.2 SBR池设计计算 26
4.6 混凝沉淀设计及计算: 31
4.6.1 混凝沉淀设计说明: 31
4.6.2 混凝沉淀设计计算: 31
(3)中心管喇叭口与反射板之间的缝隙高度h3 41
4.7污泥浓缩池设计及计算: 44
4.7.1 污泥浓缩池设计说明: 44
4.7.2 污泥浓缩池设计计算: 44
4.8活性炭吸附塔设计及计算: 47
4.8.1 活性炭吸附塔设计说明: 47
4.8.2 活性炭吸附塔设计计算: 47
4.9消毒池设计及计算: 49
4.9.1消毒池设计说明: 49
4.9.2 消毒池设计计算: 49
温馨提示:
1、题目前面的备注【字母数字编号】为本站整理分类的编号,与课题内容无关,请选题时忽视;
2、若题目上备注三维,则表示文件里包含三维源文件,由于三维组成零件数量较多,为保证预览截图的简洁性,本站将三维文件夹进行了打包。三维及CAD预览截图,均为本站电脑打开软件进行截图的,保证能够打开,下载原件超高清,下载后解压即可;
3、本站所有资源如无特殊说明,都需要本地电脑安装Office2007。图纸软件为AutoCAD,PROE,UG,SolidWorks,CATIA等;
4、本站所有图文资料仅供用户学习参考,不作为任何商用或其他用途;
5、本站不保证下载资源的准确性、安全性和完整性, 不包修改,不支持退换,同时也不承担用户因使用这些下载资源对自己和他人造成任何形式的伤害或损失;
6、 下载文件中如有侵权或不适当内容,请与我们联系,我们立即纠正。