欢迎来到龙图网在线图文分享平台-CAD图纸,设计说明书,工业设计3D模型,三维软件下载!   客服QQ:2363701252
热搜:

工艺夹具 模具设计 数控编程 土木工程 3D模型

P014-车床主轴箱箱体右侧10-M8螺纹底孔组合钻床设计 下载积分:50 资料编号: P014

1.打开支付宝或者微信扫描二维码。
2.填写金额:50 
3.添加备注,填写资料编号:
资料编号: P014
4.支付成功后,请发资料编号到邮箱:jxsj168@qq.com
会有专人在15分钟内把资料发到您邮箱
备注:如果付款忘记填写资料编号,则发邮件时附带您的交易明细截图即可。
请耐心等待,如超过30分钟还没收到,请联系客服QQ:2363701252
点击分享:

作品描述

作品包括:

word版本说明书一份,共41页,约16000字

CAD版本图纸,共7张


摘   要

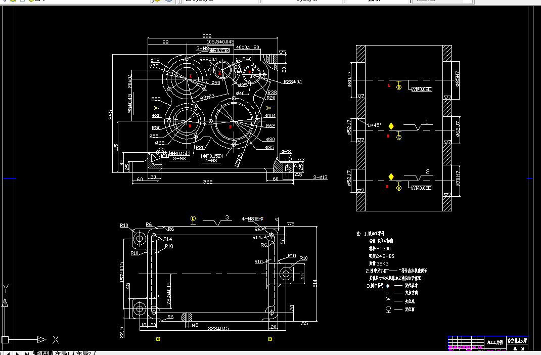
本论文为加工主轴箱箱体右侧十个螺纹底孔的组合钻床的设计。

    根据加工工件的尺寸图和生产要求,合理的拟定设计方案,完成该机床各部件及系统的设计,主要包括加工工序的制定,主轴、刀具的选择,多轴箱和滑台的合理选用,主轴箱内传动系统的设定,夹具的设计,以及制定液压和控制系统。设计过程中,在满足设计要求的同时,应该注意相互间的合理配合,这样才能从整体上把握组合机床的性能和结构。

为使设计符合现代化要求,该组合机床采用PLC控制系统来控制机床的工作,PLC控制是具有功能完善、通用灵活、简单易懂、操作方便和价格便宜等优点,这不仅满足了现代社会对生产的需要同时也体现了人性化设计的要求。  

目     录

前言                              --------------4

1.毕业设计的目的和内容              --------------5

   1.1通过毕业设计应达到的目的       --------------5

   1.2毕业设计的有关内容及计算       --------------5

2.方案讨论及总体设计                --------------6

   2.1 组合机床工艺方案的制定        --------------6

   2.2 切削用量的确定                --------------7

   2.3 确定切削力、切削转矩、切削功率--------------7

   2.4 加工工序图                    --------------8

  2.5 液压滑台的设计计算            --------------9

   2.6 加工示意图                    --------------11

   2.7 机床联系尺寸总图              --------------16

3.组合机床多轴箱设计                --------------21

   3.1多轴箱的组成                   --------------21

   3.2 通用钻削主轴                  --------------21

   3.3通用传动轴                     --------------22

   3.4通用齿轮和套                   --------------22

   3.5主轴型式和直径、齿轮模数的确定 --------------22

   3.6多轴箱的动力计算               --------------22

   3.7 对多轴箱传动的一般要求        --------------23

   3.8润滑泵轴和手柄轴的安置         --------------23

   3.9 多轴箱传动系统拟定            --------------23

   3.10 传动零件的校核计算           --------------27

   3.11 传动系统的校核计算           --------------27

4.组合机床夹具设计                  --------------29

   4.1夹具的作用                     --------------29

   4.2具的组成                       --------------29

   4.3工件的定位                     --------------30

   4.4工件的夹紧                     --------------30

   4.5夹具总图                      --------------30

5.液压系统的设计                    --------------31

   5.1 滑台原位停止                  --------------31

   5.2 滑台快进   --------------31

   5.3 滑台工进                      --------------31

   5.4 滑台快退                      --------------31

   5.5液压系统图                     --------------32

6.PLC控制系统设计                   --------------33

   6.1PLC工作原理                    --------------33

   6.2PLC的控制方式                  --------------33

   6.3动作循环图                     --------------34

   6.4端子分配图                     --------------35

   6.5梯形图                         --------------36

   6.6指令程序                       --------------37

7.毕业设计体会                       --------------38

8.致谢                               --------------39

9.参考文献                           --------------40

10.附录                              --------------41


温馨提示:

1、题目前面的备注【字母数字编号】为本站整理分类的编号,与课题内容无关,请选题时忽视;

2、若题目上备注三维,则表示文件里包含三维源文件,由于三维组成零件数量较多,为保证预览截图的简洁性,本站将三维文件夹进行了打包。三维及CAD预览截图,均为本站电脑打开软件进行截图的,保证能够打开,下载原件超高清,下载后解压即可;

3、本站所有资源如无特殊说明,都需要本地电脑安装Office2007。图纸软件为AutoCAD,PROE,UG,SolidWorks,CATIA等;

4、本站所有图文资料仅供用户学习参考,不作为任何商用或其他用途;
5、本站不保证下载资源的准确性、安全性和完整性, 不包修改,不支持退换,同时也不承担用户因使用这些下载资源对自己和他人造成任何形式的伤害或损失;

6、 下载文件中如有侵权或不适当内容,请与我们联系,我们立即纠正。


线