

作品包括:
说明书1份,共35页,约9600字左右
CAD版本本图纸,共4张
SW三维图一份

目 录
1绪论1
1.1课题背景1
1.2夹具的发展史1
1.3小结2
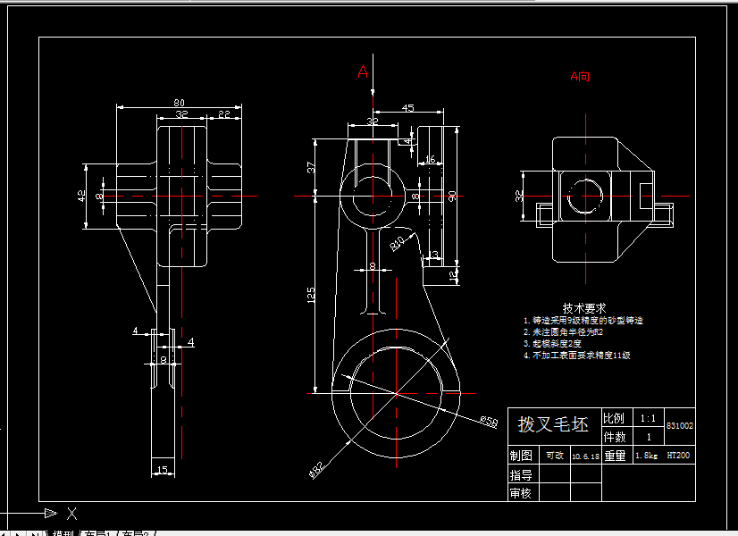
2拨叉80-08的加工工艺规程设计3
2.1零件的分析3
2.1.1零件的作用3
2.1.2零件的工艺分析3
2.2确定生产类型3
2.3确定毛坯3
2.3.1确定毛坯种类3
2.3.2确定铸件加工余量及形状3
2.3.3绘制铸件零件图4
2.4工艺规程设计4
2.4.1选择定位基准4
2.4.2制定工艺路线4
2.4.3选择加工设备和工艺设备6
2.4.4机械加工余量、工序尺寸及公差的确定6
2.5确定切削用量及基本工时8
2.5.1工序1:粗铣Φ25H7的两侧面8
2.5.3工序3:钻Φ25H7的通孔9
2.5.4工序4:扩Φ25H7的通孔11
2.5.5工序5:铰Φ25H7的通孔12
2.5.6工序6:粗铣a、b面12
2.5.7工序7:粗铣Φ60H12孔的两面14
2.5.8工序8:精铣Φ60H12孔的两面14
2.5.9工序9:粗镗下端Φ60H12的孔15
2.5.10工序10:半精镗下端孔到Φ60H1216
2.5.11工序11:粗铣16H11的槽16
2.5.12工序12:半精铣16H11的槽17
2.5.13工序13:钻Φ20.50的孔18
2.5.14工序14:攻M22×1.5的螺纹19
2.5.15工序15:铣开Φ60H12的孔20
2.6本章小结21
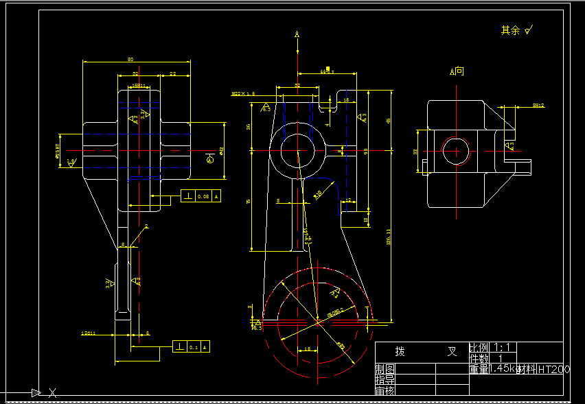
3专用铣槽夹具设计22
3.1问题的提出22
3.2定位基准的选择22
3.3定位元件及夹紧元件的选择22
3.4铣削力与夹紧力计算24
3.5定向键与对刀装置设计25
3.6夹具体的设计26
3.7本章小结26
结论28
参 考 文 献29
温馨提示:
1、题目前面的备注【字母数字编号】为本站整理分类的编号,与课题内容无关,请选题时忽视;
2、若题目上备注三维,则表示文件里包含三维源文件,由于三维组成零件数量较多,为保证预览截图的简洁性,本站将三维文件夹进行了打包。三维及CAD预览截图,均为本站电脑打开软件进行截图的,保证能够打开,下载原件超高清,下载后解压即可;
3、本站所有资源如无特殊说明,都需要本地电脑安装Office2007。图纸软件为AutoCAD,PROE,UG,SolidWorks,CATIA等;
4、本站所有图文资料仅供用户学习参考,不作为任何商用或其他用途;
5、本站不保证下载资源的准确性、安全性和完整性, 不包修改,不支持退换,同时也不承担用户因使用这些下载资源对自己和他人造成任何形式的伤害或损失;
6、 下载文件中如有侵权或不适当内容,请与我们联系,我们立即纠正。