

作品包括:
说明书一份,共16页,约4900字
CAD版本图纸,共4张
UG三维图一份

摘要
机械制造工艺学课程设计一般安排在完成了大学的全部基础课、技术基础课以及大部分专业课之后。这是进行毕业设计之前的一次综合性复习及理论联系实际的实践训练,对我们的大学生活及以后进入社会参加工作具有重要意义。从中有效地锻炼了我们提出问题、分析问题、解决问题的能力。
机械制造业是国民经济的支柱产业,现代制造业正在改变着人们的生产方式、生活方式、经营管理模式乃至社会的组织结构和文化。生产的发展和产品更新换代速度的加快,对生产效率和制造质量提出了越来越高的要求,也就对机械加工工艺等提出了要求。
在实际生产中,由于零件的生产类型、形状、尺寸和技术要求等条件不同,针对某一零件,往往不是单独在一种机床上用某一种加工方法就能完成的,而是需要经过一定的工艺过程。因此,我们不仅要根据零件具体要求,选择合适的加工方法,还要合理地安排加工顺序,一步一步地把零件加工出来。
由于能力有限,设计中尚有许多不足之处,恳请各位老师给予指导。
关键词:课程设计;机械制造业;加工方法;指导
目录
摘要 2
设计任务书 3
1 连杆的加工特性及其结构工艺性分析 5
1.1 连杆的加工特性 5
1.2 连杆的结构工艺性分析 5
2 加工件的加工工艺路线、关键工序的分析确定 5
2.1 毛坯材料的选择 5
2.2 制定工艺路线 6
2.3 关键工序分析 6
2.3.1 大小端面的加工 6
2.3.2 大小端孔的加工 6
2.3.3 槽口的加工 7
3 切削用量计算 7
3.1 选择刀具及切削用量 7
3.2 工序卡 9
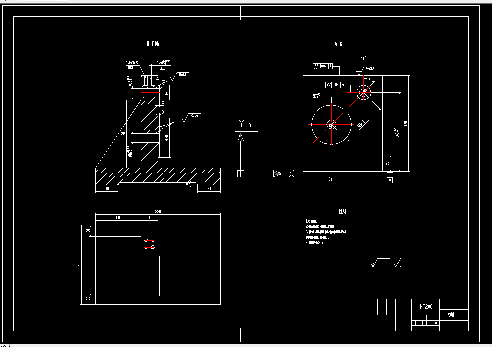
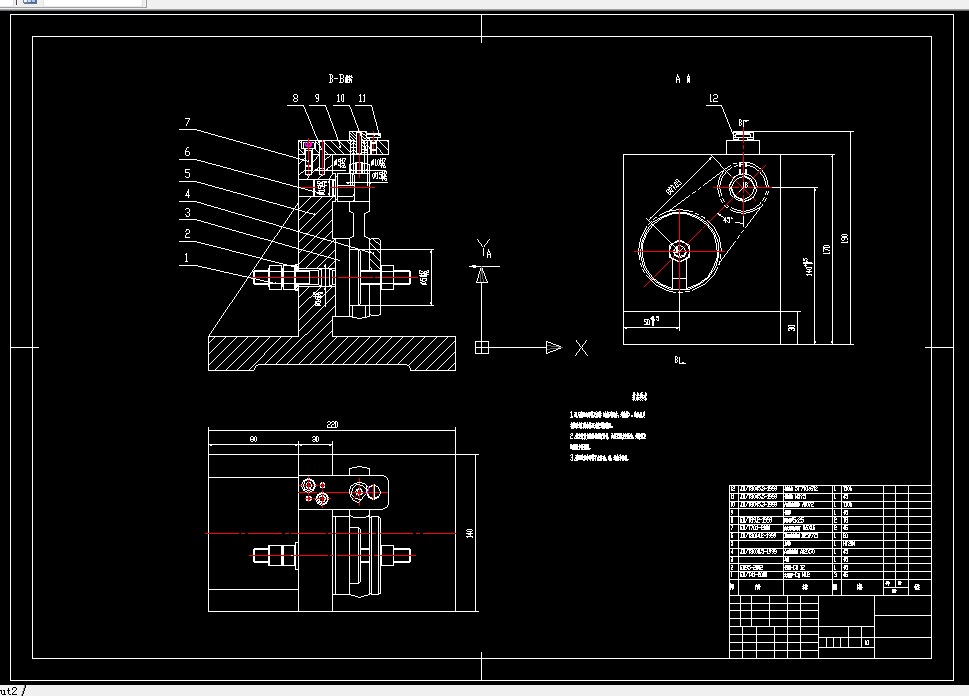
4钻攻M6螺纹底孔专用夹具设计 10
4.1定位基准的选择 10
4.2计算定位误差 10
4.3切削力和夹紧力的计算 11
4.4刀具对刀、导向方案的确定 12
4.5夹具简要操作说明 14
参考文献 15
附录 16
温馨提示:
1、题目前面的备注【字母数字编号】为本站整理分类的编号,与课题内容无关,请选题时忽视;
2、若题目上备注三维,则表示文件里包含三维源文件,由于三维组成零件数量较多,为保证预览截图的简洁性,本站将三维文件夹进行了打包。三维及CAD预览截图,均为本站电脑打开软件进行截图的,保证能够打开,下载原件超高清,下载后解压即可;
3、本站所有资源如无特殊说明,都需要本地电脑安装Office2007。图纸软件为AutoCAD,PROE,UG,SolidWorks,CATIA等;
4、本站所有图文资料仅供用户学习参考,不作为任何商用或其他用途;
5、本站不保证下载资源的准确性、安全性和完整性, 不包修改,不支持退换,同时也不承担用户因使用这些下载资源对自己和他人造成任何形式的伤害或损失;
6、 下载文件中如有侵权或不适当内容,请与我们联系,我们立即纠正。