欢迎来到龙图网在线图文分享平台-CAD图纸,设计说明书,工业设计3D模型,三维软件下载!   客服QQ:2363701252
热搜:

工艺夹具 模具设计 数控编程 土木工程 3D模型

KS25-刀架轴承座加工工艺及钻铰2-φ8孔夹具设计 下载积分:50 资料编号: KS25

1.打开支付宝或者微信扫描二维码。
2.填写金额:50 
3.添加备注,填写资料编号:
资料编号: KS25
4.支付成功后,请发资料编号到邮箱:jxsj168@qq.com
会有专人在15分钟内把资料发到您邮箱
备注:如果付款忘记填写资料编号,则发邮件时附带您的交易明细截图即可。
请耐心等待,如超过30分钟还没收到,请联系客服QQ:2363701252
点击分享:

作品描述

作品包括:

说明书一份,共28页,约8300字

CAD版本图纸,共6张

摘  要

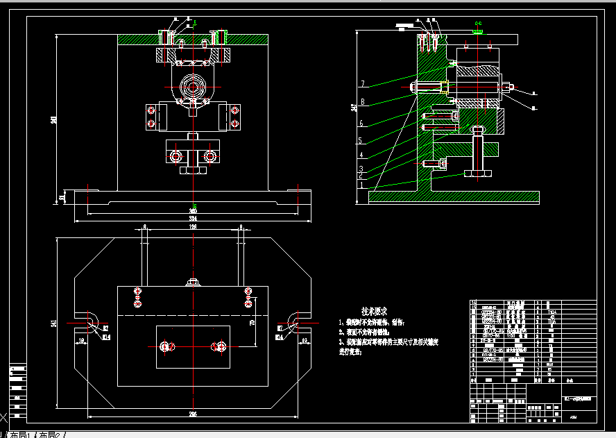
本文是对轴承座零件加工应用及加工的工艺性分析,主要包括对零件图的分析、毛坯的选择、零件的装夹、工艺路线的制订、刀具的选择、切削用量的确定、加工工艺文件的填写。选择正确的加工方法,设计合理的加工工艺过程。此外还对轴承座零件的两道工序的加工设计了专用夹具.

机床夹具的种类很多,其中,使用范围最广的通用夹具,规格尺寸多已标准化,并且有专业的工厂进行生产。而广泛用于批量生产,专为某工件加工工序服务的专用夹具,则需要各制造厂根据工件加工工艺自行设计制造。本论文夹具设计的主要内容是设计轴承座内孔端面铣床夹具和压盖安装孔钻床夹具设计。

目  录

摘  要II

Abstract1

目  录2

第1章 序   言4

第2章轴承座的加工工艺规程设计5

2.1零件的分析5

2.1.1零件的作用5

2.1.2零件的工艺分析5

2.2确定生产类型6

2.3确定毛坯6

2.3.1确定毛坯种类6

2.3.2确定铸造加工余量及形状6

2.3.3绘制铸造零件图7

2.4工艺规程设计7

2.4.1选择定位基准7

2.4.2制定工艺路线7

2.4.3选择加工设备和工艺设备9

2.4.4机械加工余量、工序尺寸及公差的确定10

2.5确定切削用量及基本工时11

2.5.1粗精铣底平面11

2.5.2铣左侧面、铣右侧面12

2.5.3粗、精铣φ16孔上端台阶面12

2.5.5粗精镗φ32的切削用量及基本工时13

2.5.6钻铰2-φ8孔14

2.5.7钻-扩4-φ11孔、4-φ16孔16

2.5.8 钻孔攻丝M816

2.6本章小结18

第3章  钻铰2-φ8孔夹具设计19

3.1 夹具的设计19

3.1.1 定位分析19

3.1.2 定位原理19

3.1.3 定位元件的分析20

3.1.4 夹紧元件的选择20

3.1.5定位误差的分析21

3.1.6切削力及夹紧力的计算22

3.2 夹具设计及操作的简要说明23

结 论24

参 考 文 献25

致谢26


温馨提示:

1、题目前面的备注【字母数字编号】为本站整理分类的编号,与课题内容无关,请选题时忽视;

2、若题目上备注三维,则表示文件里包含三维源文件,由于三维组成零件数量较多,为保证预览截图的简洁性,本站将三维文件夹进行了打包。三维及CAD预览截图,均为本站电脑打开软件进行截图的,保证能够打开,下载原件超高清,下载后解压即可;

3、本站所有资源如无特殊说明,都需要本地电脑安装Office2007。图纸软件为AutoCAD,PROE,UG,SolidWorks,CATIA等;

4、本站所有图文资料仅供用户学习参考,不作为任何商用或其他用途;
5、本站不保证下载资源的准确性、安全性和完整性, 不包修改,不支持退换,同时也不承担用户因使用这些下载资源对自己和他人造成任何形式的伤害或损失;

6、 下载文件中如有侵权或不适当内容,请与我们联系,我们立即纠正。


线