

作品包括:
word说明书一份,共47页,约16000字
任务书一份
开题报告一份
外文翻译一份
UG三维版本图纸,一套
摘 要
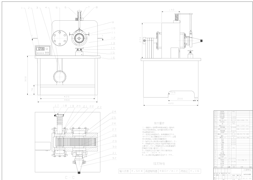
轴承是各类机械装备中最为重要的基础部件,它的精度、性能、寿命以及可靠性对主机的精度、性能、寿命以及可靠性起着非常重要的作用。在机械产品中,轴承属于高精度产品,不仅需要数学、物理等诸多学科理论的综合支持,而且需要材料科学、热处理技术、精密加工和测量技术、数控技术和有效的数值方法及功能强大的计算机技术等诸多学科为之服务,因此轴承又是一个代表国家科技实力的产品。随着工业水平的不断进步、生产自动化水平的不断提高,轴承已经广泛的应用在好多行业领域,它的质量直接影响到工作母机的工作性能,其精度的高低直接影响到整个设备性能的好坏。据统计在旋转机械中30%的故障与轴承有关。因此,工业生产监控的要求也越来越高,为了保证轴承质量必须对其进行严格的出厂检测。目前在轴承检测项目中:轴承游隙检测、内径检测以及振动情况检测等项目,都是反应轴承质量的重要指标,轴承的合格与否将会直接影响到轴承的使用性能。现有的轴承检测仪一般只能进行单一项目的检测,检测效率低不方便。为了满足轴承安全检测的要求,研制出一种检测效率高、基本实现自动化的轴承多方面检测项目的检测装置显得越来越重要。
关键词:轴承;自动化;检测;装置
目 录
摘 要 III
ABSTRACT IV
目 录 V
1 绪论 1
1.1 本课题的研究内容和意义 1
1.2 国内外的发展概况 1
1.3 本课题应达到的要求 2
2 轴承检测装置的分类及发展 3
2.1 概述 3
2.2 轴承仪器的分类和发展方向 3
2.2.1 轴承仪器的分类及特点 3
2.2.2 轴承仪器的发展方向 4
2.3 检测方法的研究 4
3 轴承的检测 5
3.1 轴承的基本结构 5
3.2 轴承的类型及特点 6
3.3 轴承检测的内容和检测条件 6
3.3.1 轴承检测的标准 6
3.3.2 轴承检测的内容和检测条件 6
4 轴承的振动检测 8
4.1 研究背景 8
4.2 轴承振动自动检测的工作原理 8
4.3 系统组成及功能 10
4.4 振动信号的采集方案设计 12
4.5 数据预处理 13
4.6 幅值域参数计算 13
5 轴承游隙的检测 14
5.1 轴承径向游隙检测装置的设计 14
5.1.1 游隙 14
5.1.2 径向游隙的设计原理 14
5.2 轴承径向游隙的动态游隙的测量计算 15
5.3 校核轴承游隙计算关系 16
6 轴承内径检测装置的设计 18
6.1 轴承内径在线检测装置的设计 18
6.2 轴承内径检测装置的测量原理 18
6.2.1 内径测量方法的研究 18
6.2.2 内径测量的设计机理 19
6.3 轴承内径检测系统精度的确定 20
7 传动装置的结构设计 21
7.1 电动机的选择 21
7.2 传动比的分配 21
7.3 传动带的选择 22
7.3.1 带传动的类型 22
7.3.2 带传动的特点及应用 22
7.3.3 V带的材料和结构 22
7.3.4 V带的设计计算 23
8 齿轮传动 24
8.1 齿轮概述 24
8.2 齿轮类型的选择及齿数的计算 25
8.2.1 按齿面接触强度设计 25
8.2.2 计算各参数 26
8.2.3 按齿根弯曲强度设计 27
8.2.4 齿轮的几何尺寸计算 28
8.2.5 齿轮的结构设计 29
9 轴 30
9.1 最小轴径的估算 30
9.2 轴的强度和刚度校核计算 30
10 轴承、联轴器的选择 33
10.1 轴承的选择 33
10.2 联轴器的选择 33
11 结论与展望 35
11.1 结论 35
11.2 不足之处及未来展望 35
致 谢 36
参考文献 37
温馨提示:
1、题目前面的备注【字母数字编号】为本站整理分类的编号,与课题内容无关,请选题时忽视;
2、若题目上备注三维,则表示文件里包含三维源文件,由于三维组成零件数量较多,为保证预览截图的简洁性,本站将三维文件夹进行了打包。三维及CAD预览截图,均为本站电脑打开软件进行截图的,保证能够打开,下载原件超高清,下载后解压即可;
3、本站所有资源如无特殊说明,都需要本地电脑安装Office2007。图纸软件为AutoCAD,PROE,UG,SolidWorks,CATIA等;
4、本站所有图文资料仅供用户学习参考,不作为任何商用或其他用途;
5、本站不保证下载资源的准确性、安全性和完整性, 不包修改,不支持退换,同时也不承担用户因使用这些下载资源对自己和他人造成任何形式的伤害或损失;
6、 下载文件中如有侵权或不适当内容,请与我们联系,我们立即纠正。