

作品包括:
Word版说明书1份,共44页
开题报告一份
中期报告一份
CAD版本图纸,共16张
摘要
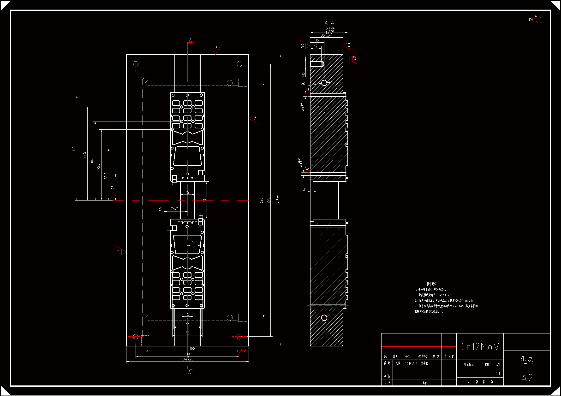
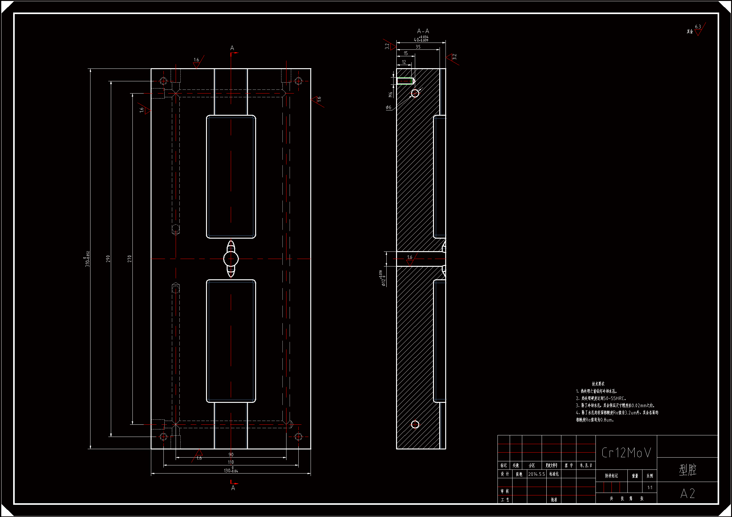
本文介绍了注塑模具的特点和发展趋势,介绍了注射模的设计和计算过程并进行了详细的塑料模具设计,介绍了塑件的成型工艺,模具结构特点及工作过程,阐述了在注塑模具设计中的注意事项。在模具的设计过程,主要的设计要点如下:塑料件的设计是合理的;分型面选择塑料成型;脱模的设计机构不仅结构简单,而且脱模要有稳定可靠的行动。在零件的表面,选择不影响塑料包装的均匀度;冷却水道的设计要使模具达到最高的效率,保证塑件的质量;在使用软件,如CAD设计过程,使设计出更合理、更有效的标准件;用途广泛,模具生产成本大大降低;模具设计的关键是设计达到了实际生产的需要。
温馨提示:
1、题目前面的备注【字母数字编号】为本站整理分类的编号,与课题内容无关,请选题时忽视;
2、若题目上备注三维,则表示文件里包含三维源文件,由于三维组成零件数量较多,为保证预览截图的简洁性,本站将三维文件夹进行了打包。三维及CAD预览截图,均为本站电脑打开软件进行截图的,保证能够打开,下载原件超高清,下载后解压即可;
3、本站所有资源如无特殊说明,都需要本地电脑安装Office2007。图纸软件为AutoCAD,PROE,UG,SolidWorks,CATIA等;
4、本站所有图文资料仅供用户学习参考,不作为任何商用或其他用途;
5、本站不保证下载资源的准确性、安全性和完整性, 不包修改,不支持退换,同时也不承担用户因使用这些下载资源对自己和他人造成任何形式的伤害或损失;
6、 下载文件中如有侵权或不适当内容,请与我们联系,我们立即纠正。