

作品包括:
Word版说明书1份,共34页,约14000字
任务书一份
开题报告一份
CAD版本图纸,共7张

摘要
本设计的成品为一卡勾,在设计过程中按以下步骤设计模具:卡勾注塑模工艺规程的编制—注塑模的结构设计—模具设计的有关计算—模具加热与冷却系统设计—模具闭合高度的确定—注塑机有关参数的校核,最后是绘制模具总装配图。在注塑模工艺规程的编制的过程中,要着重分析制品原材料(ABS)的各项成型工艺参数;在模具结构设计中应注意的是斜顶杆起成型兼顶出的作用;模具设计计算的要点是型腔与型芯径向尺寸及深度方向尺寸的计算,型腔与型芯的计算在整个设计过程中显得尤为重要,因为它们直接关系到制品的尺寸精度;模具总装图和非标准零件图用AutoCAD画出,图中需标注的各项参数如尺寸,公差,技术要求,图纸布局等均应按国家标准设计。设计中出现的标准件如螺钉等的零件图无需一一画出,但应参照文献查出其具体结构尺寸。
关键词:卡勾,工艺规程,国家标准
目录
摘要1
Abstract 2
绪论5
第1章卡勾注塑模工艺规程的编制8
1.1、明确设计任务书和准备必要的技术资料8
1.2、塑件的工艺性分析8
1.2.1、塑件的原材料分析9
1.2.2、塑件的结构和尺寸精度及表面质量分析9
1.2.3计算塑件的体积和质量10
1.3、成型设备的选择11
1.3.1、注射量的校核11
1.3.2、注射压力校核及锁模力校核11
1.3.3、塑件注塑工艺参数的确定11
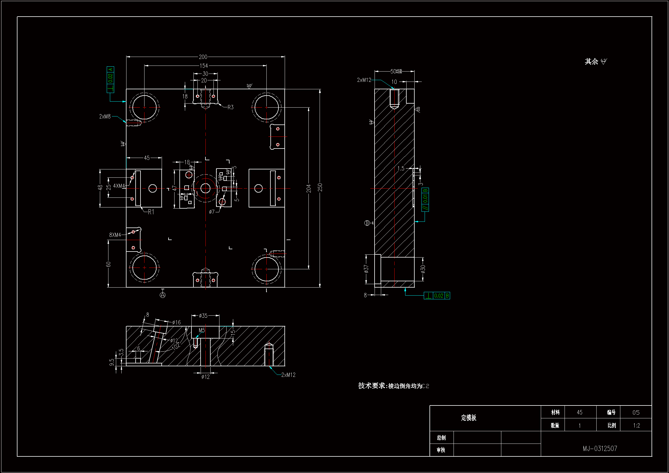
第2章注塑模的结构设计13
2.1、分型面选择13
2.2、型腔的排列方式14
2.3、浇注系统设计15
2.3.1、主流道设计15
2.3.2、分流道设计15
2.3.3、浇口设计16
2.3.4、冷料穴设计16
2.4、排气系统设计17
2.5、抽芯机构设计17
2.5.1、斜销抽芯机构17
2.5.2、斜顶杆顶出抽芯18
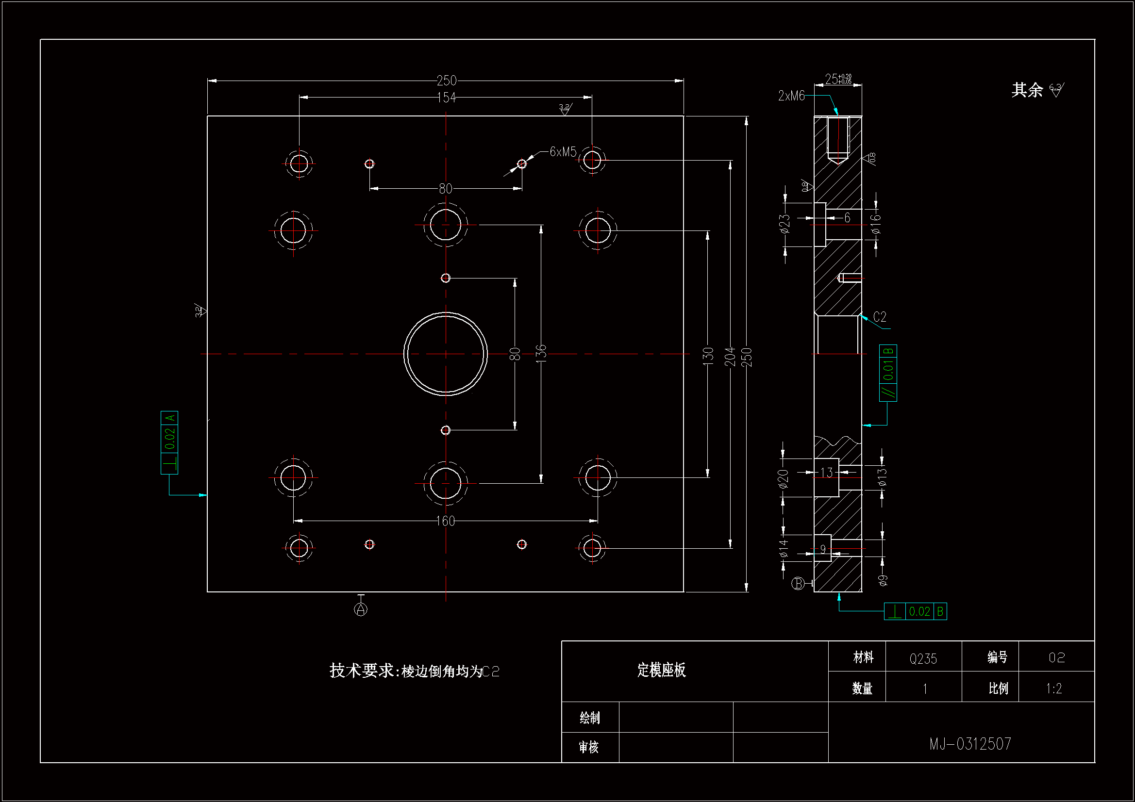
2.6、成型零件结构设计19
2.6.1、凹模的结构设计19
2.6.2、凸模的结构设计19
2.7、合模导向机构设计19
2.7.1、导柱设计19
2.7.2、导套设计20
2.8、脱模顶出机构设计20
2.9、其他机构零件设计21
2.9.1、停止销21
2.9.2、O型密封圈21
2.9.3、运输板22
2.9.4、模架22
第3章成型零件工作尺寸的计算23
3.1、型腔和型芯工作尺寸计算24
3.2、型芯侧壁厚度和底板厚度的计算26
第四章模具加热与冷却系统的计算28
第五章模具闭合高度的确定29
第六章注塑机有关参数的校核30
第七章绘制模具总装图和非标零件工作图31
结论32
致谢34
参考文献35
温馨提示:
1、题目前面的备注【字母数字编号】为本站整理分类的编号,与课题内容无关,请选题时忽视;
2、若题目上备注三维,则表示文件里包含三维源文件,由于三维组成零件数量较多,为保证预览截图的简洁性,本站将三维文件夹进行了打包。三维及CAD预览截图,均为本站电脑打开软件进行截图的,保证能够打开,下载原件超高清,下载后解压即可;
3、本站所有资源如无特殊说明,都需要本地电脑安装Office2007。图纸软件为AutoCAD,PROE,UG,SolidWorks,CATIA等;
4、本站所有图文资料仅供用户学习参考,不作为任何商用或其他用途;
5、本站不保证下载资源的准确性、安全性和完整性, 不包修改,不支持退换,同时也不承担用户因使用这些下载资源对自己和他人造成任何形式的伤害或损失;
6、 下载文件中如有侵权或不适当内容,请与我们联系,我们立即纠正。