

作品包括:
Word版说明书1份,共17页,约5200字
工序卡10张
工艺过程卡1张
CAD版本图纸,共4张
SW三维零件图1张

目 录
序 言 1
第1章 倒挡变速叉零件的工艺分析 2
1.1 零件的功用 2
1.2零件的工艺分析 2
第2章 倒挡变速叉零件的工艺路线的拟订 3
2.1 毛坯的选择 3
2.2 定位基准的选择 3
2.2.1粗基准的选择原则 3
2.2.2 精基准选择的原则 3
2.3 表面加工方法的选择 4
2.4 工艺路线的拟订 5
第3章主要工序设计 6
3.1工序02 6
3.2工序04 6
3.3工序05 7
3.4工序06 8
3.5工序07 9
3.6工序08 9
3.7工序09 9
3.8工序10 10
3.9工序11 10
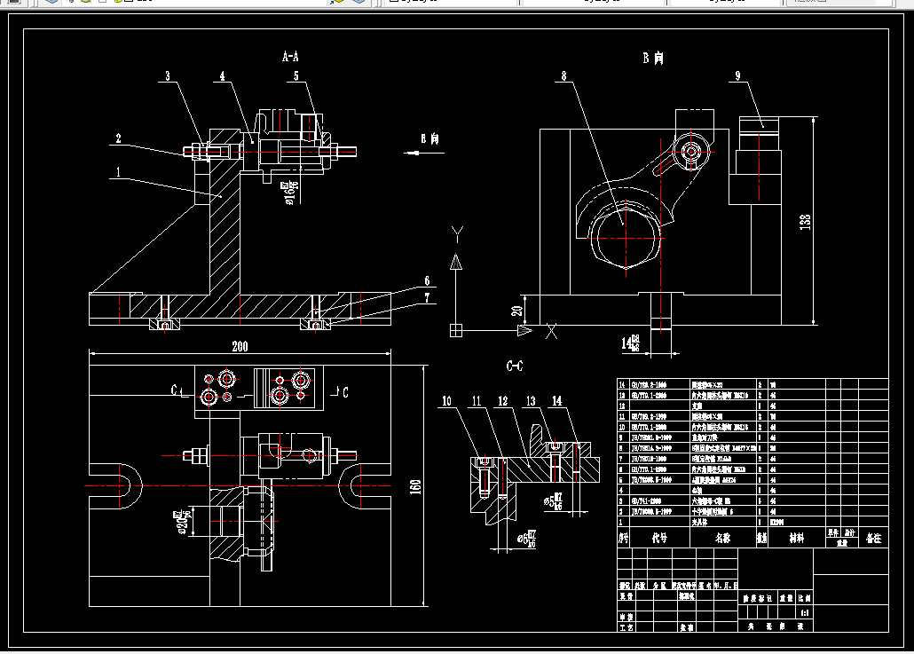
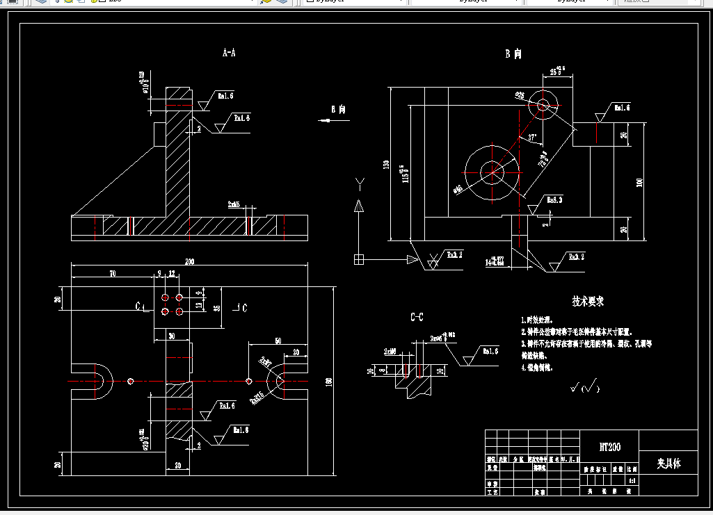
第4章 夹具设计 12
4.1 任务与要求 12
4.2定位方案设计 12
4.3 夹紧方案的设计 13
4.4 夹具操作使用说明 14
结束语 15
参考文献16
温馨提示:
1、题目前面的备注【字母数字编号】为本站整理分类的编号,与课题内容无关,请选题时忽视;
2、若题目上备注三维,则表示文件里包含三维源文件,由于三维组成零件数量较多,为保证预览截图的简洁性,本站将三维文件夹进行了打包。三维及CAD预览截图,均为本站电脑打开软件进行截图的,保证能够打开,下载原件超高清,下载后解压即可;
3、本站所有资源如无特殊说明,都需要本地电脑安装Office2007。图纸软件为AutoCAD,PROE,UG,SolidWorks,CATIA等;
4、本站所有图文资料仅供用户学习参考,不作为任何商用或其他用途;
5、本站不保证下载资源的准确性、安全性和完整性, 不包修改,不支持退换,同时也不承担用户因使用这些下载资源对自己和他人造成任何形式的伤害或损失;
6、 下载文件中如有侵权或不适当内容,请与我们联系,我们立即纠正。