

作品包括:
Word版设计说明书1份
任务书一份
开题报告一份
外文翻译一份
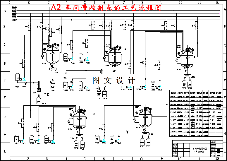
CAD版本图纸,共4张
摘要
头孢哌酮钠是第三代半合成广谱抗生素,可用于敏感菌引起的呼吸道、胃肠道、泌尿系统、皮肤及软组织感染的治疗。本设计通过对头孢哌酮钠的临床应用和现有生产工艺的综述,采用改进后的3-位侧链-1-甲基-5-巯基四氮唑(MMTZ)的制盐反应、7-位侧链D-(-)-2-(4-乙基-2,3-二氧代-1-哌嗪碳酰氨基)-2-对羟基苯基乙酸(羟基EPCP)的氯化反应、头孢哌酮酸(CPZ)的酰氯反应以及头孢哌酮钠的碳酸氢钠法,即头孢哌酮钠四步合成工艺路线(该工艺过程环保,经济,反应条件温和,收率高)。在此工艺基础上进行了年产25t无菌原料药头孢哌酮钠的车间设计,首先进行了相应工段的物料衡算、热量衡算,对主要的工艺设备,如反应釜、储罐、过滤洗涤干燥设备和输送等设备进行了选型。其次结合GMP对无菌原料药生产的要求及设备尺寸要求,对其生产车间进行了初步设计,将整个生产车间划分为一般生产区和精烘包车间等,绘制了带控制点的工艺流程图和车间平面布置图。
温馨提示:
1、题目前面的备注【字母数字编号】为本站整理分类的编号,与课题内容无关,请选题时忽视;
2、若题目上备注三维,则表示文件里包含三维源文件,由于三维组成零件数量较多,为保证预览截图的简洁性,本站将三维文件夹进行了打包。三维及CAD预览截图,均为本站电脑打开软件进行截图的,保证能够打开,下载原件超高清,下载后解压即可;
3、本站所有资源如无特殊说明,都需要本地电脑安装Office2007。图纸软件为AutoCAD,PROE,UG,SolidWorks,CATIA等;
4、本站所有图文资料仅供用户学习参考,不作为任何商用或其他用途;
5、本站不保证下载资源的准确性、安全性和完整性, 不包修改,不支持退换,同时也不承担用户因使用这些下载资源对自己和他人造成任何形式的伤害或损失;
6、 下载文件中如有侵权或不适当内容,请与我们联系,我们立即纠正。