

作品包括:
Word版设计说明书1份
开题报告一份
外文翻译一份
CAD版本图纸,共16张
摘要
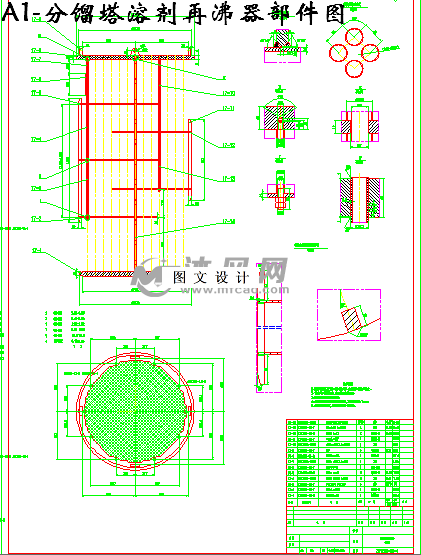
本次设备的壳程为溶剂,工作压力为-0.1/0.8MPa,工作温度为103℃;管程为甲烷和丁二烯,工作压力为1.5MPa,工作温度为50.8℃。此分馏塔再沸器是一台单管程、单壳程的AES浮头式换热器。本次设计主要参考TSG R0004-2009《固定式压力容器安全技术监察规程》、GB150.1~4-2011《压力容器》、GB151-2014《管壳式换热器》等设计规范,对AES浮头式换热器进行了材料选择、结构设计、强度计算以及经济性分析等,以满足换热器的设计要求。
温馨提示:
1、题目前面的备注【字母数字编号】为本站整理分类的编号,与课题内容无关,请选题时忽视;
2、若题目上备注三维,则表示文件里包含三维源文件,由于三维组成零件数量较多,为保证预览截图的简洁性,本站将三维文件夹进行了打包。三维及CAD预览截图,均为本站电脑打开软件进行截图的,保证能够打开,下载原件超高清,下载后解压即可;
3、本站所有资源如无特殊说明,都需要本地电脑安装Office2007。图纸软件为AutoCAD,PROE,UG,SolidWorks,CATIA等;
4、本站所有图文资料仅供用户学习参考,不作为任何商用或其他用途;
5、本站不保证下载资源的准确性、安全性和完整性, 不包修改,不支持退换,同时也不承担用户因使用这些下载资源对自己和他人造成任何形式的伤害或损失;
6、 下载文件中如有侵权或不适当内容,请与我们联系,我们立即纠正。