

作品包括:
Word版设计说明书1份
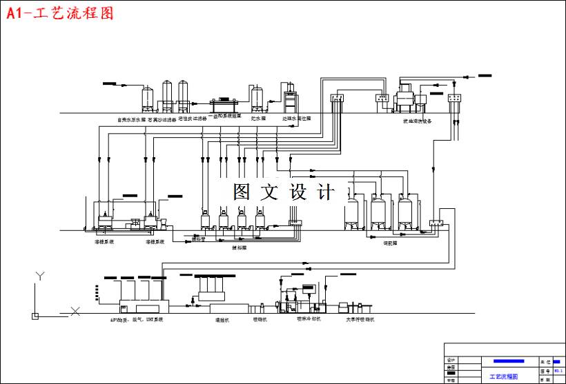
CAD版本图纸,共4张
摘要
年产100000t浓缩果汁,每年实际生产按照6个月计算,每月按照30天计算。依据经验,本榨季一旦开始,便全天24h全部安排生产,考虑期间设备维护、班间工人就餐以及其它影响因素,每天按照18h生产计算。浓缩果汁厂的仓库在全厂建筑面积中占有较大的比重,包括:果池、产品库、包材库、设备库等。原材料库要在各种原料的日或周需要和生产储备天数的的基础上留有适当余地。成品库的大小取决于产品的产量和周转期。在建造仓库时,还要充分考虑到各种货物的性质,如温度和湿度的要求、包装规格、堆放方式等。要对各种情况有较确切的估计,满足生产要求。
温馨提示:
1、题目前面的备注【字母数字编号】为本站整理分类的编号,与课题内容无关,请选题时忽视;
2、若题目上备注三维,则表示文件里包含三维源文件,由于三维组成零件数量较多,为保证预览截图的简洁性,本站将三维文件夹进行了打包。三维及CAD预览截图,均为本站电脑打开软件进行截图的,保证能够打开,下载原件超高清,下载后解压即可;
3、本站所有资源如无特殊说明,都需要本地电脑安装Office2007。图纸软件为AutoCAD,PROE,UG,SolidWorks,CATIA等;
4、本站所有图文资料仅供用户学习参考,不作为任何商用或其他用途;
5、本站不保证下载资源的准确性、安全性和完整性, 不包修改,不支持退换,同时也不承担用户因使用这些下载资源对自己和他人造成任何形式的伤害或损失;
6、 下载文件中如有侵权或不适当内容,请与我们联系,我们立即纠正。