

作品包括:
Word版设计说明书1份
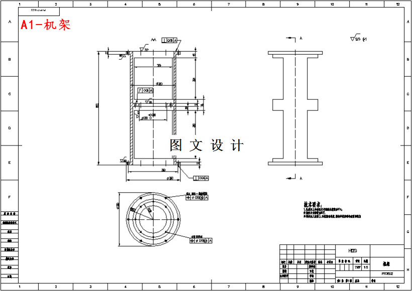
CAD版本图纸,共11张
摘要
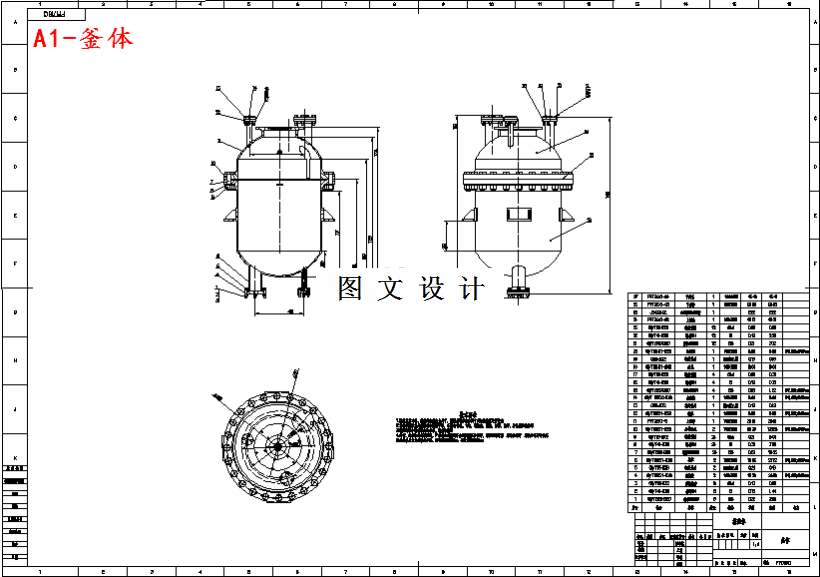
我国正处于反应釜生产和消费应用的高速增长期,己广泛应用于石油、化工、轻工、食品、酿酒、制药、家电、水电、机械、建筑、市政各种民用器具中。我国反应釜技术发展尚不成熟,与国外有一定差距。而国内对反应釜的需求量随之增加,这为搅拌行业提供了巨大的发展商机。反应釜的高质量化、高效率化和高效益化,从客观上推动了搅拌设备在使用性能与技术水平方面的迅速提高和发展。此外,从市场需求看,用户对反应釜的要求也越来越高,一些传统产品己无法满足越来越高的搅拌要求。因此,必须在现有结构基础上对反应釜进行参数优化,同时寻求新型搅拌原理或新型搅拌机型。选择“顺丁橡胶催化剂预混反应釜设计”这一课题,旨在提高顺丁橡胶生产质量,提高搅拌设备工作效率,从而节约生产成本。 机构参数 反应釜总体高度:2700mm 釜体内径:700mm 釜体厚度:8mm 釜体容积:0.5m3 总重约为:520kg
温馨提示:
1、题目前面的备注【字母数字编号】为本站整理分类的编号,与课题内容无关,请选题时忽视;
2、若题目上备注三维,则表示文件里包含三维源文件,由于三维组成零件数量较多,为保证预览截图的简洁性,本站将三维文件夹进行了打包。三维及CAD预览截图,均为本站电脑打开软件进行截图的,保证能够打开,下载原件超高清,下载后解压即可;
3、本站所有资源如无特殊说明,都需要本地电脑安装Office2007。图纸软件为AutoCAD,PROE,UG,SolidWorks,CATIA等;
4、本站所有图文资料仅供用户学习参考,不作为任何商用或其他用途;
5、本站不保证下载资源的准确性、安全性和完整性, 不包修改,不支持退换,同时也不承担用户因使用这些下载资源对自己和他人造成任何形式的伤害或损失;
6、 下载文件中如有侵权或不适当内容,请与我们联系,我们立即纠正。