

作品包括:
Word版设计说明书1份
CAD版本图纸,共9张
摘要
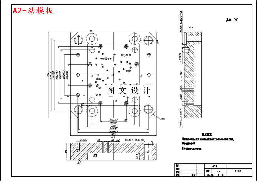
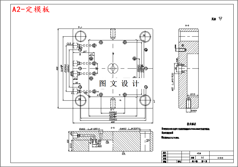
玩具飞机尾翼是玩具飞机上不可或缺的一部分,玩具飞机深受孩子们的喜爱,所以属于大批量生产,在设计的时候考虑这点,使用了一模两出的的塑件排放。而且本产品的外观不能留下浇口,以免划伤小孩子,所以采用了潜伏式浇口,潜伏式浇口是将顶针削去一块,然后浇料通过这里从内表面注射到型腔里面,优点就是表面无浇口无任何毛刺。推出的方式为推杆推出,因为飞机尾翼的厚度比较薄,而且有很多拐角和圆角形状,通过均布多只顶针在小平面上达到推出的目的,同时考虑尾翼壁厚较小,设计了加强筋来加固尾翼侧壁。本次设计通过查阅各种相关书籍文献,使得内容较为丰富合理。
温馨提示:
1、题目前面的备注【字母数字编号】为本站整理分类的编号,与课题内容无关,请选题时忽视;
2、若题目上备注三维,则表示文件里包含三维源文件,由于三维组成零件数量较多,为保证预览截图的简洁性,本站将三维文件夹进行了打包。三维及CAD预览截图,均为本站电脑打开软件进行截图的,保证能够打开,下载原件超高清,下载后解压即可;
3、本站所有资源如无特殊说明,都需要本地电脑安装Office2007。图纸软件为AutoCAD,PROE,UG,SolidWorks,CATIA等;
4、本站所有图文资料仅供用户学习参考,不作为任何商用或其他用途;
5、本站不保证下载资源的准确性、安全性和完整性, 不包修改,不支持退换,同时也不承担用户因使用这些下载资源对自己和他人造成任何形式的伤害或损失;
6、 下载文件中如有侵权或不适当内容,请与我们联系,我们立即纠正。