

作品包括:
Word版设计说明书1份
CAD版本图纸,共5张
摘要
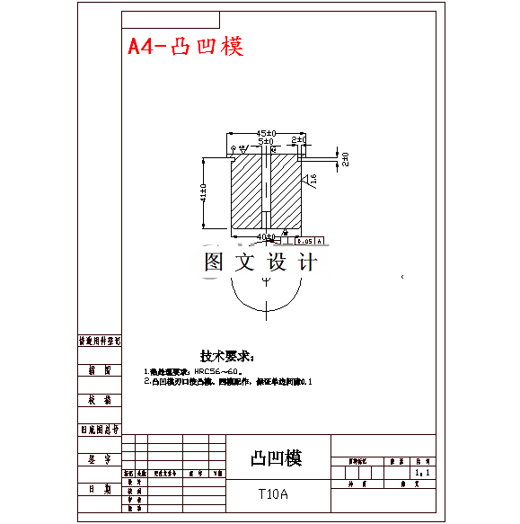
冲压工艺方案的确定 零件为一落料冲孔件,可提出的加工方案如下: 方案一:先落料,后冲孔。采用两套单工序模生产。 方案二:落料—冲孔复合冲压,采用复合模生产。 方案三:冲孔—落料连续冲压,采用级进模生产。 方案一模具结构简单,但需两道工序、两副模具,生产效率低,零件精度较差,在生产批量较大的情况下不适用。方案二只需一副模具,冲压件的形位精度和尺寸精度易保证,且生产效率高。尽管模具结构较方案一复杂,但由于零件的几何形状简单,模具制造并不困难。方案三也只需一副模具,生产效率也很高,但与方案二比生产的零件精度稍差。欲保证冲压件的形位精度,需在模具上设置导正销导正,模具制造、装配较复合模略复杂。 所以,比较三个方案欲采用方案二生产。现对复合模中凸凹模壁厚进行校核,当材料厚度为1mm时,可查得凸凹模最小壁厚为2mm,现零件上的最小孔边距为18.75mm,所以可以采用复合模生产,即采用方案二。
温馨提示:
1、题目前面的备注【字母数字编号】为本站整理分类的编号,与课题内容无关,请选题时忽视;
2、若题目上备注三维,则表示文件里包含三维源文件,由于三维组成零件数量较多,为保证预览截图的简洁性,本站将三维文件夹进行了打包。三维及CAD预览截图,均为本站电脑打开软件进行截图的,保证能够打开,下载原件超高清,下载后解压即可;
3、本站所有资源如无特殊说明,都需要本地电脑安装Office2007。图纸软件为AutoCAD,PROE,UG,SolidWorks,CATIA等;
4、本站所有图文资料仅供用户学习参考,不作为任何商用或其他用途;
5、本站不保证下载资源的准确性、安全性和完整性, 不包修改,不支持退换,同时也不承担用户因使用这些下载资源对自己和他人造成任何形式的伤害或损失;
6、 下载文件中如有侵权或不适当内容,请与我们联系,我们立即纠正。