

作品包括:
Word版设计说明书1份
CAD版本图纸,共8张
摘要
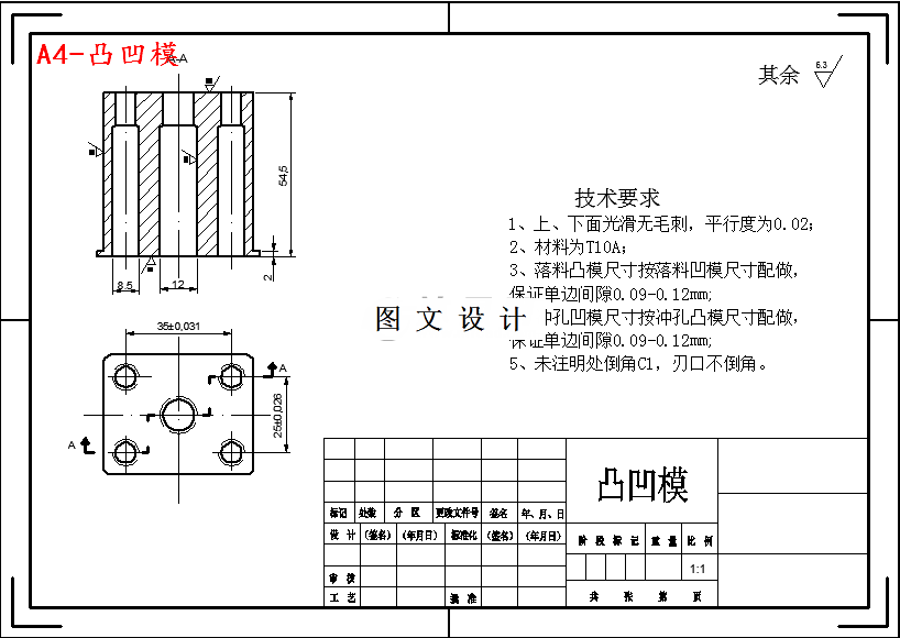
该零件材料为08钢结构简单,抗剪强度为300mpa形状对称,只有落料,冲孔两个工序具有良好的冲压性能,适合冲裁。工件结构相对简单,有一个φ10mm的孔四个φ6.5mm的孔;孔与孔、孔与边缘之间的的距离也满足要求,最小壁厚为4.25mm。该冲裁件包括落料和冲孔两个基本工序,可采用的冲裁方案有单工序冲裁,复合冲裁和级进冲裁三种: 方案一、单序模:零件属于中批量生产,因此采用单工序须要模具数量较多,生产率低,所用费用也高,不合理; 方案二、:复合模:若采用复合冲,可以得出冲件的精度和平直度较好,生产率较高,凸凹模最小壁厚为3.2mm。 方案三、级进模:大批量生产、冲裁精度较高,冲裁件孔与孔、孔与边缘尺寸较小时使用,计算该件的最小壁厚为6mm。 综上所述可选方案二复合模。
温馨提示:
1、题目前面的备注【字母数字编号】为本站整理分类的编号,与课题内容无关,请选题时忽视;
2、若题目上备注三维,则表示文件里包含三维源文件,由于三维组成零件数量较多,为保证预览截图的简洁性,本站将三维文件夹进行了打包。三维及CAD预览截图,均为本站电脑打开软件进行截图的,保证能够打开,下载原件超高清,下载后解压即可;
3、本站所有资源如无特殊说明,都需要本地电脑安装Office2007。图纸软件为AutoCAD,PROE,UG,SolidWorks,CATIA等;
4、本站所有图文资料仅供用户学习参考,不作为任何商用或其他用途;
5、本站不保证下载资源的准确性、安全性和完整性, 不包修改,不支持退换,同时也不承担用户因使用这些下载资源对自己和他人造成任何形式的伤害或损失;
6、 下载文件中如有侵权或不适当内容,请与我们联系,我们立即纠正。