

作品包括:
Word版设计说明书1份
任务书一份
开题报告一份
外文翻译一份
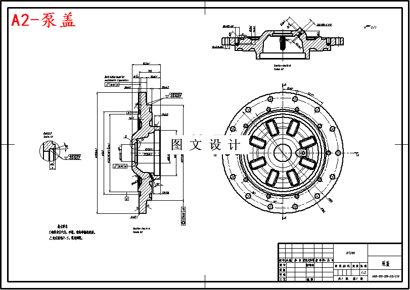
CAD版本图纸,共13张
摘要
根据由《现代泵理论与设计》、《现代泵设计手册》中所阐述的有关离心泵的叶轮、蜗室的设计理论;键,轴,蜗壳和其他过流部件的机械设计和校核理论。综合其他主流设计理论,完成NKG150-125单级单吸化工离心泵的叶轮、蜗室的水力设计;绘制了叶轮、蜗壳的木模图;轴、泵后盖、轴承座等部件的结构设计;键、轴承的选取;最后对关键部件进行了强度校核。
温馨提示:
1、题目前面的备注【字母数字编号】为本站整理分类的编号,与课题内容无关,请选题时忽视;
2、若题目上备注三维,则表示文件里包含三维源文件,由于三维组成零件数量较多,为保证预览截图的简洁性,本站将三维文件夹进行了打包。三维及CAD预览截图,均为本站电脑打开软件进行截图的,保证能够打开,下载原件超高清,下载后解压即可;
3、本站所有资源如无特殊说明,都需要本地电脑安装Office2007。图纸软件为AutoCAD,PROE,UG,SolidWorks,CATIA等;
4、本站所有图文资料仅供用户学习参考,不作为任何商用或其他用途;
5、本站不保证下载资源的准确性、安全性和完整性, 不包修改,不支持退换,同时也不承担用户因使用这些下载资源对自己和他人造成任何形式的伤害或损失;
6、 下载文件中如有侵权或不适当内容,请与我们联系,我们立即纠正。