

作品包括:
Word版设计说明书1份
任务书一份
开题报告一份
CAD版本图纸,共8张

摘要
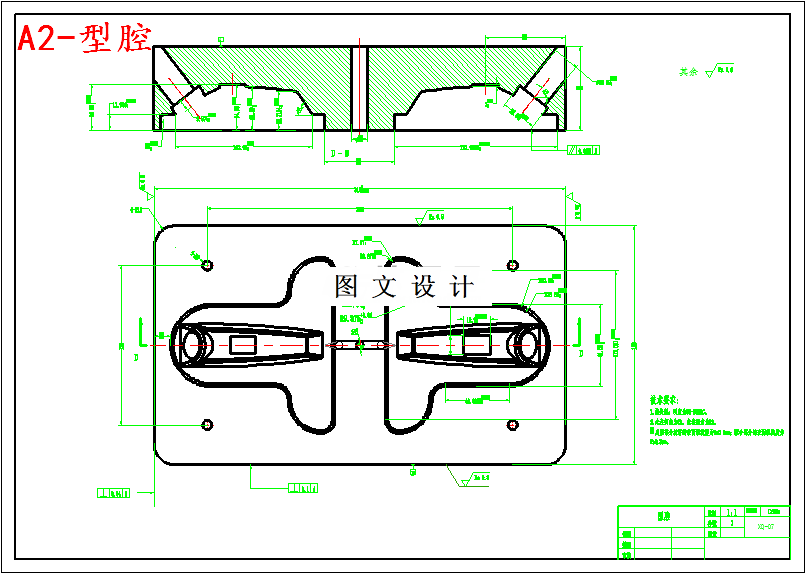
本次介绍了灯罩壳体的模具设计过程。本设计根据灯罩的结构和材料的成型特点对塑件进行了工艺分析,选择了一模两腔的注射模设计;对塑件的表面精度和表面质量进行了讨论;然后选择成型设备,设计浇注系统、排气系统;通过塑件的基本结构选择标准模架CI-4545—A80-B70-C120,并设计了导向和定位机构;并详细介绍了模具的脱模机构和侧向分型与抽芯机构的设计方法;最后设计温度调节系统。通过灯罩注塑模设计,让我熟悉了模具设计的流程,挺高了我的模具设计能力和分析解决问题的能力。
温馨提示:
1、题目前面的备注【字母数字编号】为本站整理分类的编号,与课题内容无关,请选题时忽视;
2、若题目上备注三维,则表示文件里包含三维源文件,由于三维组成零件数量较多,为保证预览截图的简洁性,本站将三维文件夹进行了打包。三维及CAD预览截图,均为本站电脑打开软件进行截图的,保证能够打开,下载原件超高清,下载后解压即可;
3、本站所有资源如无特殊说明,都需要本地电脑安装Office2007。图纸软件为AutoCAD,PROE,UG,SolidWorks,CATIA等;
4、本站所有图文资料仅供用户学习参考,不作为任何商用或其他用途;
5、本站不保证下载资源的准确性、安全性和完整性, 不包修改,不支持退换,同时也不承担用户因使用这些下载资源对自己和他人造成任何形式的伤害或损失;
6、 下载文件中如有侵权或不适当内容,请与我们联系,我们立即纠正。