

作品包括:
Word版设计说明书1份
任务书一份
开题报告一份
CAD版本图纸,共8张
摘要
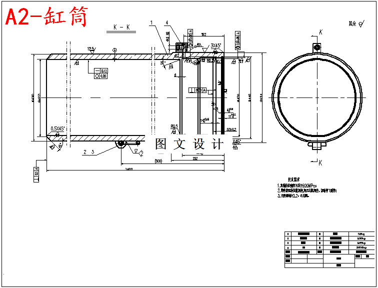
本设计通过查阅资料等设计出一套适合煤矿大采高采煤的双伸缩立柱,即是油缸。这套立柱对活塞、导向套、端盖、底阀、轴套、缸筒进行了选型设计及考虑工艺可行性,进行了缸筒强度、支撑力、工作阻力的计算及验算,在结构、材料方面选取合理的方案,降低了一定成本。
温馨提示:
1、题目前面的备注【字母数字编号】为本站整理分类的编号,与课题内容无关,请选题时忽视;
2、若题目上备注三维,则表示文件里包含三维源文件,由于三维组成零件数量较多,为保证预览截图的简洁性,本站将三维文件夹进行了打包。三维及CAD预览截图,均为本站电脑打开软件进行截图的,保证能够打开,下载原件超高清,下载后解压即可;
3、本站所有资源如无特殊说明,都需要本地电脑安装Office2007。图纸软件为AutoCAD,PROE,UG,SolidWorks,CATIA等;
4、本站所有图文资料仅供用户学习参考,不作为任何商用或其他用途;
5、本站不保证下载资源的准确性、安全性和完整性, 不包修改,不支持退换,同时也不承担用户因使用这些下载资源对自己和他人造成任何形式的伤害或损失;
6、 下载文件中如有侵权或不适当内容,请与我们联系,我们立即纠正。