

作品包括:
Word版设计说明书1份
任务书一份
开题报告一份
外文翻译一份
CAD版本图纸,共11张
摘要
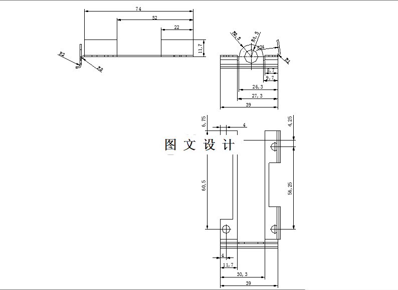
本设计主要阐述了在玻璃刮水器托板的生产中是否可以采用级进模,而且根据玻璃刮水器托板的特点,详细地做出了多种可供选择的加工工艺方法,然后按照步骤开始了针对玻璃刮水器托板的工艺力的计算。首先,使用了CAD制图软件计算了工件展开图的确切尺寸,然后便是冲裁力的完整计算。解决了以上模具设计中比较复杂的部分后,又明确了所使用的零部件的选择以及一些主要零部件地设计和制造,完成了级进模模具的总体结构。最后便是结合工艺选择与计算合理的选用压力机。此次模具设计的主要亮点是设计出了玻璃刮水器托板的冷冲压级进模,使传统的多工位单工序模具的缺点暴露无遗,相比较于传统冲压工艺方式,级进模拥有模具套数少、生产成本低、效率高等诸多优点。
温馨提示:
1、题目前面的备注【字母数字编号】为本站整理分类的编号,与课题内容无关,请选题时忽视;
2、若题目上备注三维,则表示文件里包含三维源文件,由于三维组成零件数量较多,为保证预览截图的简洁性,本站将三维文件夹进行了打包。三维及CAD预览截图,均为本站电脑打开软件进行截图的,保证能够打开,下载原件超高清,下载后解压即可;
3、本站所有资源如无特殊说明,都需要本地电脑安装Office2007。图纸软件为AutoCAD,PROE,UG,SolidWorks,CATIA等;
4、本站所有图文资料仅供用户学习参考,不作为任何商用或其他用途;
5、本站不保证下载资源的准确性、安全性和完整性, 不包修改,不支持退换,同时也不承担用户因使用这些下载资源对自己和他人造成任何形式的伤害或损失;
6、 下载文件中如有侵权或不适当内容,请与我们联系,我们立即纠正。