

作品包括:
Word版设计说明书1份
任务书一份
外文翻译一份
CAD版本图纸,共2张
摘要
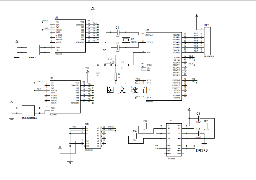
影响机床的稳定性的因素有机床静刚度,它可以有效的保证机床加工工件的精度,是用来确定机床的工作性能是否稳定的重要指标。如果想提升机床产品的质量,确保机床精密和超精密加工精度,就一定要准确地掌握机床静刚度的变化规律。本设计方案本着机床的静刚度测试系统开发为目标,对测试系统的机械部分和测试部分进行了优化设计、说明和分析。整个机床静刚度测试系统以PC端为核心来控制的,通过控制步进电机来实现自动加载、卸载,头架、刀架和尾架的位移经线性传感器检测后由测微仪变换为电量,模拟切削力通过压力传感器采集数据,这过程进行A/D转换。软件部分通过使用VB软件编辑出具有友好人机界面对机床静刚度自动实时测量。数据库的建立有助于对所采集数据的历史查询,生成曲线和打印功能。经测试结果证实,系统准确性良好好,自动化水平有显著提升,性能更加稳定。
温馨提示:
1、题目前面的备注【字母数字编号】为本站整理分类的编号,与课题内容无关,请选题时忽视;
2、若题目上备注三维,则表示文件里包含三维源文件,由于三维组成零件数量较多,为保证预览截图的简洁性,本站将三维文件夹进行了打包。三维及CAD预览截图,均为本站电脑打开软件进行截图的,保证能够打开,下载原件超高清,下载后解压即可;
3、本站所有资源如无特殊说明,都需要本地电脑安装Office2007。图纸软件为AutoCAD,PROE,UG,SolidWorks,CATIA等;
4、本站所有图文资料仅供用户学习参考,不作为任何商用或其他用途;
5、本站不保证下载资源的准确性、安全性和完整性, 不包修改,不支持退换,同时也不承担用户因使用这些下载资源对自己和他人造成任何形式的伤害或损失;
6、 下载文件中如有侵权或不适当内容,请与我们联系,我们立即纠正。