

作品包括:
Word版设计说明书1份
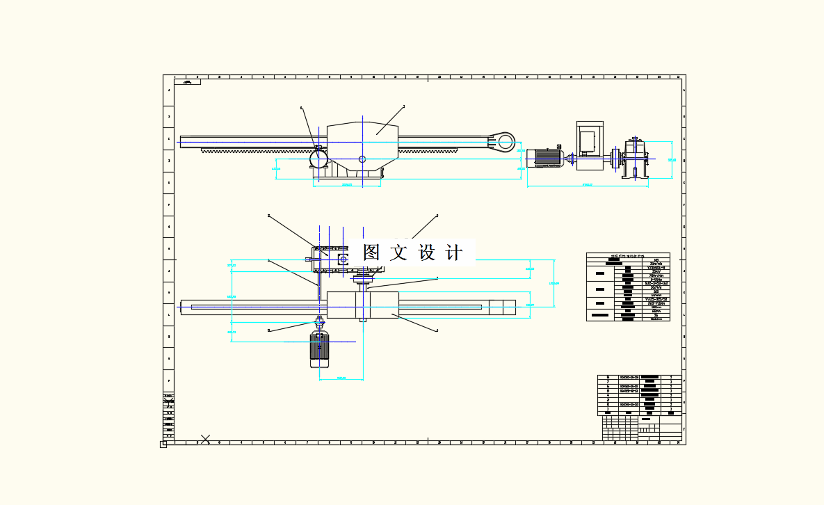
CAD版本图纸,共2张
SW三维图一份
摘要
近年来,港口行业发展速度迅速,世界各国之间的港口贸易往来越来越频繁,起重机作为重要的港口机械,发展的也越来越快。现在门座起重机在港口运行中变得越来越重要,同时,水利设施的施工,造船厂的运营也都离不开起重机,起重机已经成为大型施工生产活动必不可少的一员。 本课题对单臂架MQ4025门座式起重机的总体结构和变幅机构进行了设计,并借助AutoCAD、SolidWorks和ADAMS等软件,模拟变幅机构在起重机实际运行状况下的运动。
温馨提示:
1、题目前面的备注【字母数字编号】为本站整理分类的编号,与课题内容无关,请选题时忽视;
2、若题目上备注三维,则表示文件里包含三维源文件,由于三维组成零件数量较多,为保证预览截图的简洁性,本站将三维文件夹进行了打包。三维及CAD预览截图,均为本站电脑打开软件进行截图的,保证能够打开,下载原件超高清,下载后解压即可;
3、本站所有资源如无特殊说明,都需要本地电脑安装Office2007。图纸软件为AutoCAD,PROE,UG,SolidWorks,CATIA等;
4、本站所有图文资料仅供用户学习参考,不作为任何商用或其他用途;
5、本站不保证下载资源的准确性、安全性和完整性, 不包修改,不支持退换,同时也不承担用户因使用这些下载资源对自己和他人造成任何形式的伤害或损失;
6、 下载文件中如有侵权或不适当内容,请与我们联系,我们立即纠正。