

作品包括:
Word版设计说明书1份
CAD版本图纸,共10张
摘要
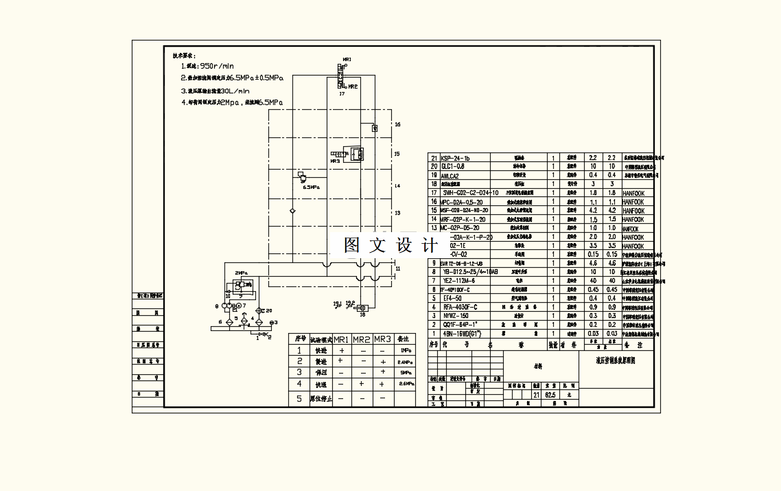
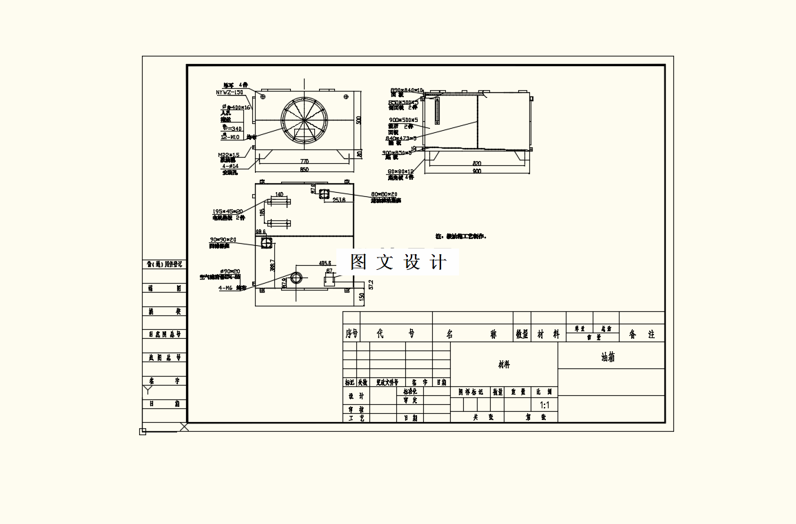
本文针对液压系统中的多路快速接头自动快速连接的工况,在了解有关行业背景、工业应用后,查阅资料,分析并参考了国内外相关多路快速接头自动连接设计案例,设计了多路快速接头机械连接装置和相应的液压控制系统,设计内容包括液压系统总体方案设计,原理图设计,主要参数设计,主要元器件的选型以及液压系统附件及采用件的设计计算,从而设计了一种适用于给定工况的多路快速接头自动连接装置,并对所得设计方案进行可靠性、可行性、经济性以及使用价值的分析。
温馨提示:
1、题目前面的备注【字母数字编号】为本站整理分类的编号,与课题内容无关,请选题时忽视;
2、若题目上备注三维,则表示文件里包含三维源文件,由于三维组成零件数量较多,为保证预览截图的简洁性,本站将三维文件夹进行了打包。三维及CAD预览截图,均为本站电脑打开软件进行截图的,保证能够打开,下载原件超高清,下载后解压即可;
3、本站所有资源如无特殊说明,都需要本地电脑安装Office2007。图纸软件为AutoCAD,PROE,UG,SolidWorks,CATIA等;
4、本站所有图文资料仅供用户学习参考,不作为任何商用或其他用途;
5、本站不保证下载资源的准确性、安全性和完整性, 不包修改,不支持退换,同时也不承担用户因使用这些下载资源对自己和他人造成任何形式的伤害或损失;
6、 下载文件中如有侵权或不适当内容,请与我们联系,我们立即纠正。