

作品包括:
Word版设计说明书1份
CAD版本图纸,共14张
摘要
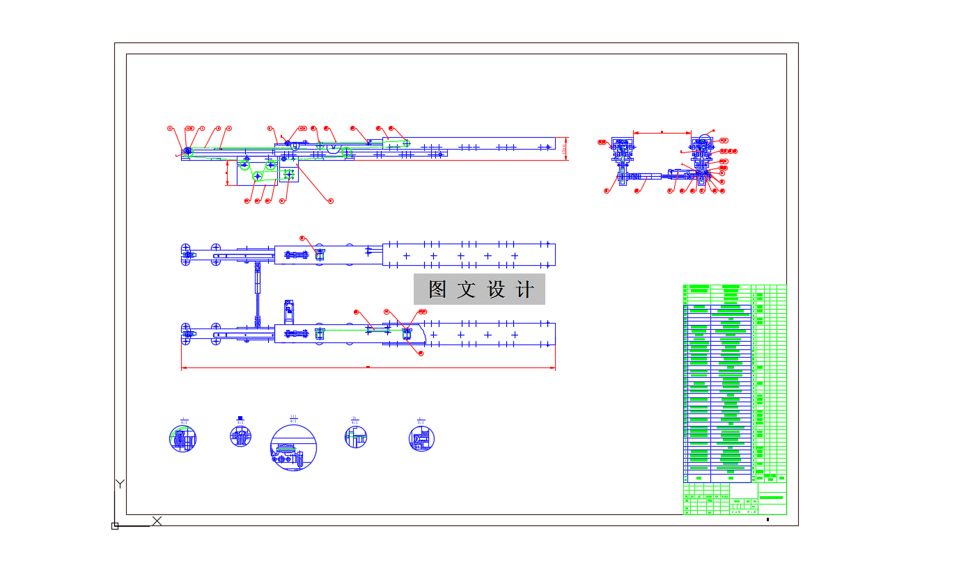
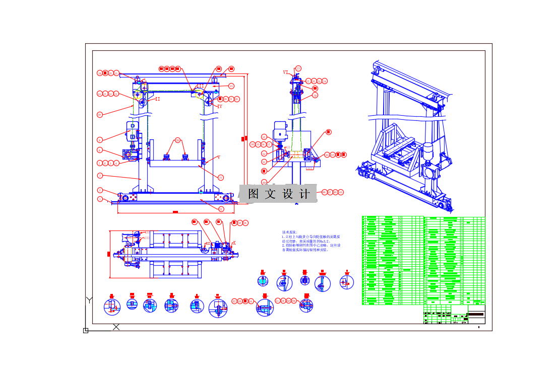
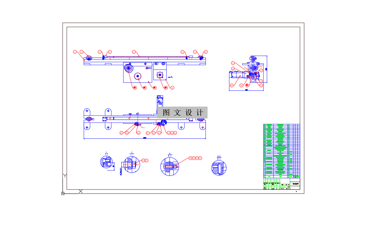
本课题主要是对立体仓库轨道式堆垛机进行结构设计,堆垛机是随着立体仓库的发 展而诞生的一种机电一体化设备,随着立体仓库的不断更新换代,堆垛机也得到了创新 性的发展,在现代制造业领域的应用也日益增多。为了完成堆垛机整体的结构设计,本 文以巷道式堆垛机为例,从堆垛机的水平行走机构、提升机构、取货装置和机架等机械 结构入手,首先选择合适的机械结构和传动方式,接着设计它们的传动方式、结构体和 安装布局的有关参数,对设计得到的机械结构进行运动分析和强度计算,并对这些结构 进行 CAE 强度分析,最终的目标是使堆垛机的机械结构部分的功能和可靠性都满足要求。
温馨提示:
1、题目前面的备注【字母数字编号】为本站整理分类的编号,与课题内容无关,请选题时忽视;
2、若题目上备注三维,则表示文件里包含三维源文件,由于三维组成零件数量较多,为保证预览截图的简洁性,本站将三维文件夹进行了打包。三维及CAD预览截图,均为本站电脑打开软件进行截图的,保证能够打开,下载原件超高清,下载后解压即可;
3、本站所有资源如无特殊说明,都需要本地电脑安装Office2007。图纸软件为AutoCAD,PROE,UG,SolidWorks,CATIA等;
4、本站所有图文资料仅供用户学习参考,不作为任何商用或其他用途;
5、本站不保证下载资源的准确性、安全性和完整性, 不包修改,不支持退换,同时也不承担用户因使用这些下载资源对自己和他人造成任何形式的伤害或损失;
6、 下载文件中如有侵权或不适当内容,请与我们联系,我们立即纠正。