

作品包括:
Word版设计说明书1份
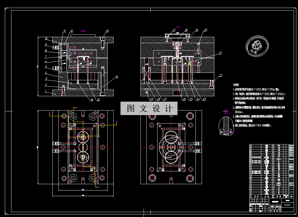
CAD版本图纸,共10张
UG三维图一份
摘要
在进行注射模具设计之前,首先要知道这个产品是用来干什么,对塑料产品的工作环境有所了解,这样才能选择出合适的材质,合理的分析工艺性能,大小的精确度等,本次设计采用一模二腔结果,潜伏式浇口,二板式模架。针对电熨斗旋钮产品的内部的倒扣,设计侧向分型抽芯机构成型,并对冷却系统进行设计及冷却效果进行了阐述。同时本文章对电熨斗旋钮产品注射模的浇注系统,脱模机构,侧向分型抽芯机构,和模导向机构,温度调节系统的设计进行了详细的介绍。后期又对所选SZA-YY60型注射机参数进行了校核。
温馨提示:
1、题目前面的备注【字母数字编号】为本站整理分类的编号,与课题内容无关,请选题时忽视;
2、若题目上备注三维,则表示文件里包含三维源文件,由于三维组成零件数量较多,为保证预览截图的简洁性,本站将三维文件夹进行了打包。三维及CAD预览截图,均为本站电脑打开软件进行截图的,保证能够打开,下载原件超高清,下载后解压即可;
3、本站所有资源如无特殊说明,都需要本地电脑安装Office2007。图纸软件为AutoCAD,PROE,UG,SolidWorks,CATIA等;
4、本站所有图文资料仅供用户学习参考,不作为任何商用或其他用途;
5、本站不保证下载资源的准确性、安全性和完整性, 不包修改,不支持退换,同时也不承担用户因使用这些下载资源对自己和他人造成任何形式的伤害或损失;
6、 下载文件中如有侵权或不适当内容,请与我们联系,我们立即纠正。