欢迎来到龙图网在线图文分享平台-CAD图纸,设计说明书,工业设计3D模型,三维软件下载!   客服QQ:2363701252
热搜:

工艺夹具 模具设计 数控编程 土木工程 3D模型

Z1830-轻型货车悬架设计 下载积分:50 资料编号: Z1830

1.打开支付宝或者微信扫描二维码。
2.填写金额:50 
3.添加备注,填写资料编号:
资料编号: Z1830
4.支付成功后,请发资料编号到邮箱:jxsj168@qq.com
会有专人在15分钟内把资料发到您邮箱
备注:如果付款忘记填写资料编号,则发邮件时附带您的交易明细截图即可。
请耐心等待,如超过30分钟还没收到,请联系客服QQ:2363701252
点击分享:

作品描述

作品包括:

Word版说明书1份,共67页,约21000字

CAD版本图纸,共11张

ONW{DHL$RTDB_32BD6NX6JV.png

摘   要

    本悬架是现代汽车上的重要总成之一,它把车架与车轴弹性地连接起来。其主要任务是传递作用在车轮和车架之间的一切力和力矩;缓和路面传给车架的冲击载荷,衰减由此引起的承载系统的振动,保证汽车的行驶平顺性;保证车轮在路面不平和载荷变化时有理想的运动特性,保证汽车的操纵稳定性,使汽车获得高速行驶能力。

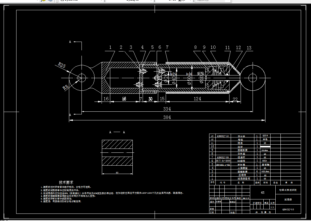
    悬架由弹性元件、导向装置、减振器、缓冲块和横向稳定器等组成。

    悬架能很好的增加驾驶员的舒适性,减轻汽车震动,使汽车能够平顺行驶。

关键词 悬架;振动;稳定性

目   录

摘   要 I

Abstract II

目   录 III

第1章 前言 5

1.1 论文研究的目的和意义 5

1.2 国内外研究现状 6

1.3 论文的主要研究内容 8

第2章 总体方案论证 9

2.1 独立悬架 9

2.2 悬架选择的方案确定 9

2.3 本章小结 10

第3章 总体方案论证 11

3.1 悬架静挠度 11

3.2 悬架动挠度 12

3.3 悬架弹性特性 12

3.4 前悬架主销侧倾角与后倾角 13

3.5 本章小结 14

第4章 总体方案论证 15

4.1 少片弹簧的设计 15

4.2 钢板弹簧的设计 16

4.2.1少片弹簧的设计 16

4.2.2钢板弹簧主要参数的确定 16

4.2.3钢板弹簧各片长度的确定 19

4.2.4钢板许用静弯曲应力验算 20

4.2.5夹紧液压缸的计算 20

4.2.6钢板弹簧强度验算 22

4.2.7钢板弹簧强度验算 23

4.3 本章小结 24

第5章 减振器机构类型及主要参数的选择计算 25

5.1 减振器的分类 25

5.2 相对阻尼系数 25

5.3 减振器阻尼系数 的确定 26

5.4 最大卸荷力F0的确定 27

5.5 创建零件 28

5.6 本章小结 28

结论 29

致谢 30

参考文献 31

附录A 32

附录B 36

温馨提示:

1、题目前面的备注【字母数字编号】为本站整理分类的编号,与课题内容无关,请选题时忽视;

2、若题目上备注三维,则表示文件里包含三维源文件,由于三维组成零件数量较多,为保证预览截图的简洁性,本站将三维文件夹进行了打包。三维及CAD预览截图,均为本站电脑打开软件进行截图的,保证能够打开,下载原件超高清,下载后解压即可;

3、本站所有资源如无特殊说明,都需要本地电脑安装Office2007。图纸软件为AutoCAD,PROE,UG,SolidWorks,CATIA等;

4、本站所有图文资料仅供用户学习参考,不作为任何商用或其他用途;
5、本站不保证下载资源的准确性、安全性和完整性, 不包修改,不支持退换,同时也不承担用户因使用这些下载资源对自己和他人造成任何形式的伤害或损失;

6、 下载文件中如有侵权或不适当内容,请与我们联系,我们立即纠正。


线