

作品包括:
Word版说明书1份,共16页,约5700字
工序卡4张
工艺过程卡1张
CAD版本图纸,共4张
UG三维图一套
![1755611810943180.png )E40N{RN2ZD3IG$]4YCGCYA.png](/uploadfiles/20250819/1755611810943180.png)
目录
第1章 零件的分析 1
1.1 零件的分析 1
1.2 零件的工艺分析 1
1.3 零件表面的技术要求 2
第2章 计算生产纲领、确定生产类型 3
2.1 生产纲领 3
2.2 生效率分析 3
2.3 生产类型 3
第3章 毛坯的制造方法 5
3.1 确定毛坯的制造形式 5
3.2 毛坯尺寸公差 5
第4章 制订工艺路线 6
4.1 定位基准选择 6
4.1.1 粗基准的选择原则 6
4.1.2 精基准选择的原则 6
4.2 选择加工方法 7
4.3 制定工艺路线 7
4.4 加工余量、工序尺寸及公差 7
4.5 选择加工设备及工艺装备 8
第5章 选择切削用量、确定时间定额 9
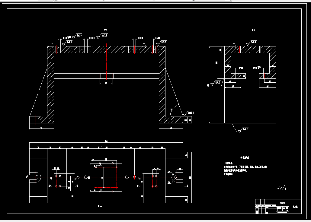
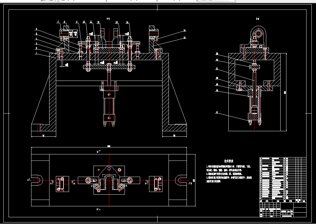
第6章 镗床夹具设计 12
6.1 专用夹具的提出 12
6.2 夹具的定位方案 12
6.3 切削力和夹紧力的计算 12
6.4 定位误差分析和计算 13
6.5 夹具操作说明 13
总 结 14
参考文献 15
温馨提示:
1、题目前面的备注【字母数字编号】为本站整理分类的编号,与课题内容无关,请选题时忽视;
2、若题目上备注三维,则表示文件里包含三维源文件,由于三维组成零件数量较多,为保证预览截图的简洁性,本站将三维文件夹进行了打包。三维及CAD预览截图,均为本站电脑打开软件进行截图的,保证能够打开,下载原件超高清,下载后解压即可;
3、本站所有资源如无特殊说明,都需要本地电脑安装Office2007。图纸软件为AutoCAD,PROE,UG,SolidWorks,CATIA等;
4、本站所有图文资料仅供用户学习参考,不作为任何商用或其他用途;
5、本站不保证下载资源的准确性、安全性和完整性, 不包修改,不支持退换,同时也不承担用户因使用这些下载资源对自己和他人造成任何形式的伤害或损失;
6、 下载文件中如有侵权或不适当内容,请与我们联系,我们立即纠正。