

作品包括:
Word版说明书一份,共42页,约16000字
CAD版本图纸,共25张:
高档化妆品瓶盖注射模具设计
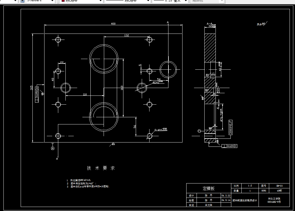
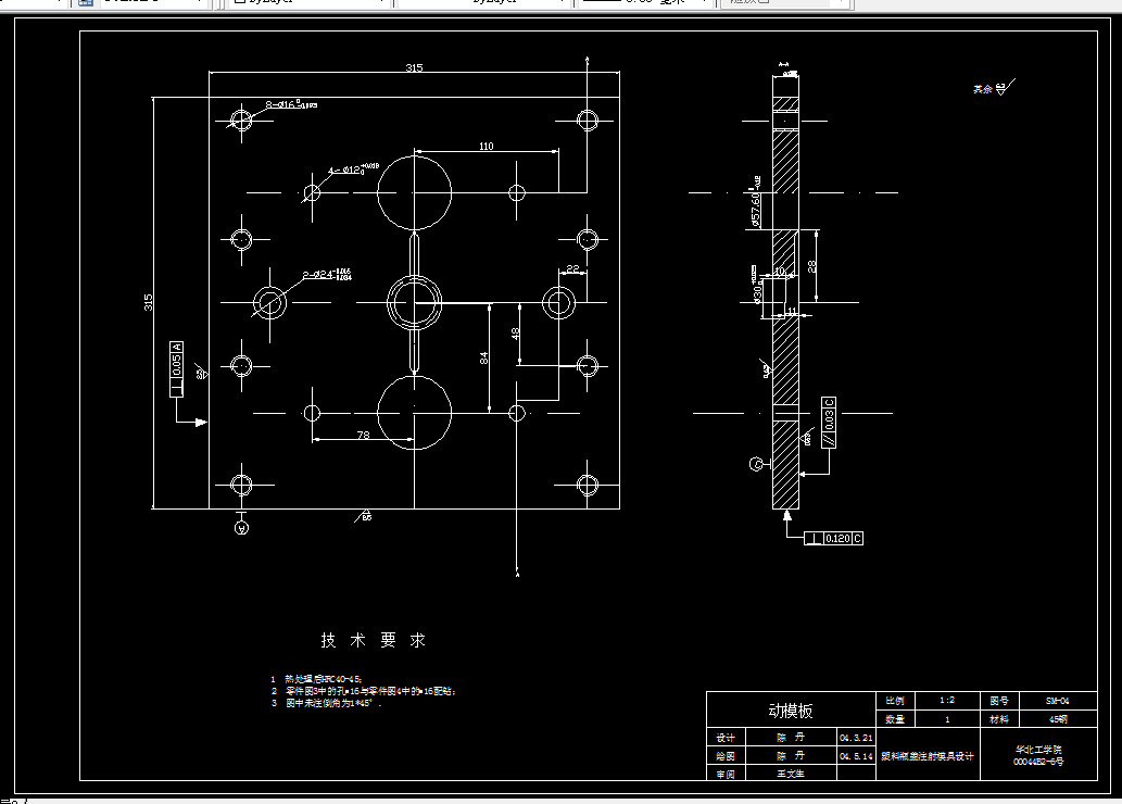
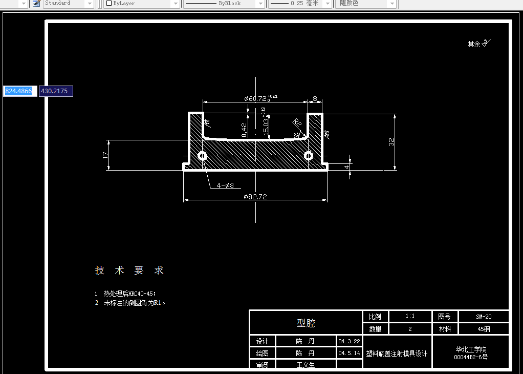
摘要 本文详细介绍了化妆品瓶盖注射模具的设计。采用一模两腔,边缘式浇口,利用型芯成型塑件的内止转齿,齿条、齿轮脱螺纹,顶杆顶出塑件。并对浇注系统、成型零件、脱模机构、脱螺纹机构、合模导向机构和温度调节系统做了详细设计和计算。
关键词 注射模,螺纹型芯,边缘浇口
目录
1 前言…………………………………………………………………………01
1.1 本研究领域的现状和国内外发展趋势 ……………………………………01
1.1.1概述 ………………………………………………………………01
1.1.2国外的发展情况 ………………………………………………………01
1.1.3国内的发展情况 ………………………………………………………02
1.2 本课题的研究内容.要求.目的及意义………………………………………02
1.2.1本课题的研究内容 ……………………………………………………02
1.2.2本课题的研究要求 ……………………………………………………02
1.2.3本课题的研究目的 ……………………………………………………03
1.2.4本课题的研究意义 ……………………………………………………03
2 设计部分 ……………………………………………………………………04
2.1 塑件分析 ………………………………………………………………04
2.2 塑料材料的成型特性 ………………………………………………………04
2.3 设备的选择 ……………………………………………………………05
2.3.1塑件的体积 …………………………………………………………05
2.3.2锁模力的校核 …………………………………………………………07
2.3.3开模行程的校核 ………………………………………………………08
2.4 浇注系统的设计 ……………………………………………………………0
2.4.1主流道的设计 …………………………………………………………08
2.4.2分流道的设计 …………………………………………………………09
2..4.3冷料穴的设计 …………………………………………………………
2.4.4设计所用的浇口形式 …………………………………………………10
2.4.5分型面的设计 …………………………………………………………10
2.4.6排气槽的设计 …………………………………………………………11
2.5 成型零部件的设计和计算 …………………………………………………11
2.5.1成型零部件的设计 ……………………………………………………
2.5.2成型零件工作尺寸的计算 ……………………………………………11
2.5.3型腔壁厚的计算 ………………………………………………………1
2.6 脱模机构的设计 ……………………………………………………………1
2.6.1脱模阻力的计算 ……………………………………………………15
2.6.2脱模机构的设计 ……………………………………………………15
2.7 脱螺纹机构的设计 …………………………………………………………1
2.7.1脱螺纹的形式 ………………………………………………………16
2.7.2旋转脱螺纹扭距的计算 ………………………………………………16
2.7.3对主流道凝料能否脱出的校核 ………………………………………17
2.7.4止转装置的设置 ………………………………………………………1
2.7.5驱动装置和传动装置的设计和计算 …………………………………18
2.8 合模导向装置的设计 ………………………………………………………21
2.8.1顶出系统的导向 ………………………………………………………2
2.8.2成型零件的导向及定位 ………………………………………………22
2.9 温度调节系统的设计和计算 ………………………………………………22
2.9.1冷却系统的设计 ……………………………………………………23
2.9.2模具冷却时间的计算 …………………………………………………24
2.9.3冷却参数的计算 ………………………………………………………2
2.10 支承与连接零件的设计与选择……………………………………………25
2.10.1非标零件的设计………………………………………………………2
2.10.2标准零件的选取………………………………………………………2
3 设计说明与结论………………………………………………………………
4 结束语………………………………………………………………………
参考文献…………………………………………………………………………
温馨提示:
1、题目前面的备注【字母数字编号】为本站整理分类的编号,与课题内容无关,请选题时忽视;
2、若题目上备注三维,则表示文件里包含三维源文件,由于三维组成零件数量较多,为保证预览截图的简洁性,本站将三维文件夹进行了打包。三维及CAD预览截图,均为本站电脑打开软件进行截图的,保证能够打开,下载原件超高清,下载后解压即可;
3、本站所有资源如无特殊说明,都需要本地电脑安装Office2007。图纸软件为AutoCAD,PROE,UG,SolidWorks,CATIA等;
4、本站所有图文资料仅供用户学习参考,不作为任何商用或其他用途;
5、本站不保证下载资源的准确性、安全性和完整性, 不包修改,不支持退换,同时也不承担用户因使用这些下载资源对自己和他人造成任何形式的伤害或损失;
6、 下载文件中如有侵权或不适当内容,请与我们联系,我们立即纠正。