

作品包括:
说明书1份,共18页,约8200字左右
CAD版本本图纸,共4张
UG三维图一份

目 录
序言••••••••••••••••••••••••••••••••••••••••••••••••••••••••••••••2
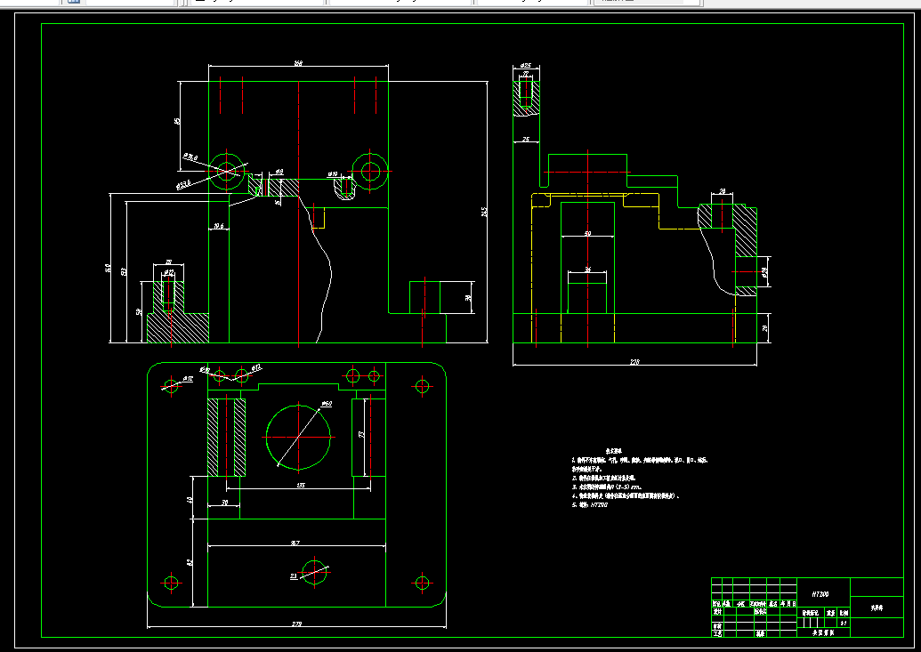
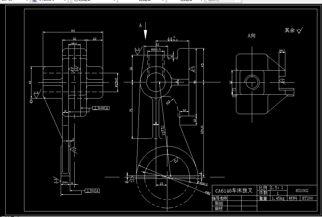
CA6140车床的型号831002拨叉工艺规程设计
一.拨叉的工艺分析及生产类型的确定•••••••••••••••••••••••••••••••••2
1.拨叉的用途•••••••••••••••••••••••••••••••••••••••••••••••••••3
2.拨叉的技术要求•••••••••••••••••••••••••••••••••••••••••••••••3
3.审查拨叉的工艺性•••••••••••••••••••••••••••••••••••••••••••••4
4.确定拨叉的生产类型•••••••••••••••••••••••••••••••••••••••••••4
二. 确定毛坯,绘制毛坯简图•••••••••••••••••••••••••••••••••••••••••4
1.选择毛坯••••••••••••••••••••••••••••••••••••••••••••••••••••••4
2.确定毛坯的尺寸公差和机械加工余量••••••••••••••••••••••••••••••5
三.拟定拨叉工艺路线•••••••••••••••••••••••••••••••••••••••••••••••5
1. 基面的选择•••••••••••••••••••••••••••••••••••••••••••••••••••5
2.表面加工方法的确定表面加工方法的确定••••••••••••••••••••••••••6
3.加工阶段的划分••••••••••••••••••••••••••••••••••••••••••••••••6
4.工序的集中与分散•••••••••••••••••••••••••••••••••••••••••••••••6
5.确定拨叉的生产类型••••••••••••••••••••••••••••••••••••••••••••6
6.工艺路线的确定••••••••••••••••••••••••••••••••••••••••••••••••7
四.机械加工余量、工序尺寸及公差的确定•••••••••••••••••••••••••••••••8
五. 拨叉φ60孔切削用量、时间定额的计算•••••••••••••••••••••••••••••••9
1.切削用量计算••••••••••••••••••••••••••••••••••••••••••••••••••••10
2.时间定额的计算•••••••••••••••••••••••••••••••••••••••••••••••••10
六.机床夹具设计•••••••••••••••••••••••••••••••••••••••••••••••••••••12
1.设计应考虑的问题••••••••••••••••••••••••••••••••••••••••••••••••12
2.定位方案设计••••••••••••••••••••••••••••••••••••••••••••••••••••13
3. 工件误差分析计算•••••••••••••••••••••••••••••••••••••••••••••••13
4. 导向元件设计•••••••••••••••••••••••••••••••••••••••••••••••••••14
5.夹紧装置设计••••••••••••••••••••••••••••••••••••••••••••••••••••14
6夹紧力与切削力的计算•••••••••••••••••••••••••••••••••••••••••••••16
7.夹具体的设计•••••••••••••••••••••••••••••••••••••••••••••••••••••16
参考文献•••••••••••••••••••••••••••••••••••••••••••••••••••••••••••••••18
温馨提示:
1、题目前面的备注【字母数字编号】为本站整理分类的编号,与课题内容无关,请选题时忽视;
2、若题目上备注三维,则表示文件里包含三维源文件,由于三维组成零件数量较多,为保证预览截图的简洁性,本站将三维文件夹进行了打包。三维及CAD预览截图,均为本站电脑打开软件进行截图的,保证能够打开,下载原件超高清,下载后解压即可;
3、本站所有资源如无特殊说明,都需要本地电脑安装Office2007。图纸软件为AutoCAD,PROE,UG,SolidWorks,CATIA等;
4、本站所有图文资料仅供用户学习参考,不作为任何商用或其他用途;
5、本站不保证下载资源的准确性、安全性和完整性, 不包修改,不支持退换,同时也不承担用户因使用这些下载资源对自己和他人造成任何形式的伤害或损失;
6、 下载文件中如有侵权或不适当内容,请与我们联系,我们立即纠正。