

作品包括:
word版设计说明书一份,共48页,约11000字
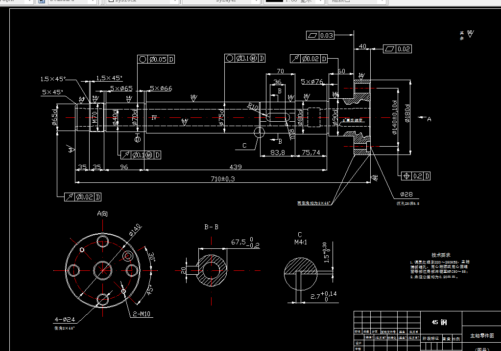
CAD版本图纸,共3张
1.概述 3
1.1机床主轴箱课程设计的目的 3
1.2设计任务和主要技术要求 3
1.3 操作性能要求 5
2.参数的拟定 5
2.1 确定极限转速 5
2.2 主电机选择 5
3.传动设计 6
3.1 主传动方案拟定 6
3.2 传动结构式、结构网的选择 6
3.2.1 确定传动组及各传动组中传动副的数目 7
3.2.2 传动式的拟定 7
3.2.3 结构式的拟定 7
4. 传动件的估算 9
4.1 三角带传动的计算 9
4.2 传动轴的估算 12
4.2.1 主轴的计算转速 13
4.2.2 各传动轴的计算转速 13
4.2.3 各轴直径的估算 13
4.3 齿轮齿数的确定和模数的计算 15
4.3.1 齿轮齿数的确定 15
4.3.2 齿轮模数的计算 16
4.3.4齿宽确定 21
4.3.5 齿轮结构设计 22
4.4 带轮结构设计 23
4.5 传动轴间的中心距 23
4.6 轴承的选择 24
5. 动力设计 27
5.1 传动轴的验算 27
5.1.1 Ⅰ轴的强度计算 28
5.1.2 作用在齿轮上的力的计算 28
5.1.3 主轴抗震性的验算 31
5.2 齿轮校验 34
5.3轴承的校验 35
6.结构设计及说明 36
6.1 结构设计的内容、技术要求和方案 36
6.2 展开图及其布置 37
6.3 I轴(输入轴)的设计 37
6.4 齿轮块设计 39
6.4.1其他问题 40
6.5 传动轴的设计 40
6.6 主轴组件设计 42
6.6.1 各部分尺寸的选择 42
6.6.2 主轴轴承 43
6.6.3 主轴与齿轮的连接 45
6.6.4 润滑与密封 45
6.6.5 其他问题 46
7.总结 46
8.明细表 49
1.概述
1.1机床主轴箱课程设计的目的
机床课程设计,是在学完基础课.技术基础课及有关专业课的基础上,结合机床主传动部件设计进行的综合训练。其目的:
1. 掌握传动部件设计过程和方法,包括参数拟定,传动设计,零件计算,结构设计等,培养结构分析设计的能力。
2. 综合应用过去所学的理论知识,提高联系实际和综合分析的能力。
3. 训练和提高设计的基本技能。如计算,制图,应用设计资料,标准和规范,编写技术文件等。
1.2设计任务和主要技术要求
普通机床的规格和类型有系列型谱作为设计时应该遵照的基础。因此,对这些基本知识和资料作些简要介绍。本次设计的是普通型车床主轴变速箱。主要用于加工回转体。
车床的主参数(规格尺寸):
1、床身上工件最大回转直径为φ360mm
2、变速范围Rn=25.396;
3、nmax =1600 r/min nmin =63 r/min
4、转速级数 8级
5、电机功率 3KW 1450r/min
温馨提示:
1、题目前面的备注【字母数字编号】为本站整理分类的编号,与课题内容无关,请选题时忽视;
2、若题目上备注三维,则表示文件里包含三维源文件,由于三维组成零件数量较多,为保证预览截图的简洁性,本站将三维文件夹进行了打包。三维及CAD预览截图,均为本站电脑打开软件进行截图的,保证能够打开,下载原件超高清,下载后解压即可;
3、本站所有资源如无特殊说明,都需要本地电脑安装Office2007。图纸软件为AutoCAD,PROE,UG,SolidWorks,CATIA等;
4、本站所有图文资料仅供用户学习参考,不作为任何商用或其他用途;
5、本站不保证下载资源的准确性、安全性和完整性, 不包修改,不支持退换,同时也不承担用户因使用这些下载资源对自己和他人造成任何形式的伤害或损失;
6、 下载文件中如有侵权或不适当内容,请与我们联系,我们立即纠正。