

作品包括:
word版设计说明书一份,共22页,约4900字
CAD版本图纸,共3张
目 录
机械设计基础课程设计任务书……………………………….1
一、传动方案的拟定及说明………………………………….3
二、电动机的选择…………………………………………….3
三、计算传动装置的运动和动力参数……………………….4
四、传动件的设计计算………………………………………..5
五、轴的设计计算…………………………………………….12
六、滚动轴承的选择及计算………………………………….16
七、键联接的选择及校核计算……………………………….18
八、铸件减速器机体结构尺寸计算表及附件的选择…..........18
九、润滑与密封方式的选择、润滑剂的选择……………….20
参考资料目录
一、课程设计的内容
1、设计题目:用于带式运输机的传动装置
原始数据:(数据编号 A3 )
工作条件:一班制,连续单向运转。载荷平稳,室内工作,有粉尘(运输带与卷筒及支撑间,包括卷筒轴承的摩托阻力影响已在F中考虑)。
使用年限:十年,大修期三年。
生产批量:10台。
生产条件:中等规模机械厂,可加工7-8级精度齿轮及涡轮。
动力来源:电力,三相交流(220V/380V)。
运输带速允许误差:±5%。
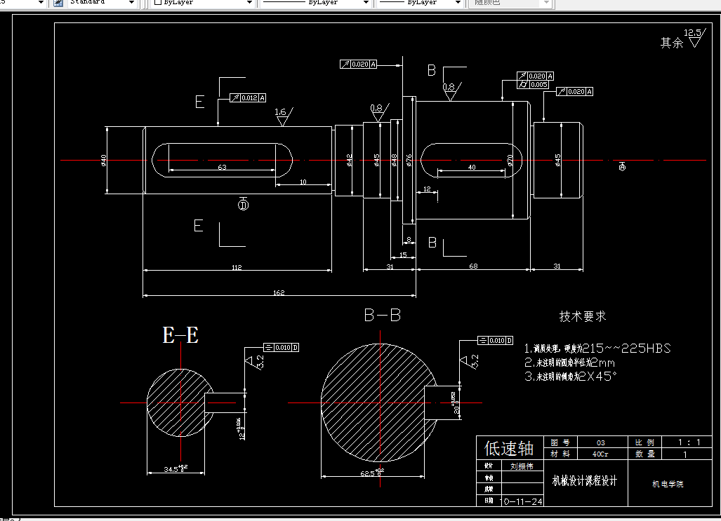
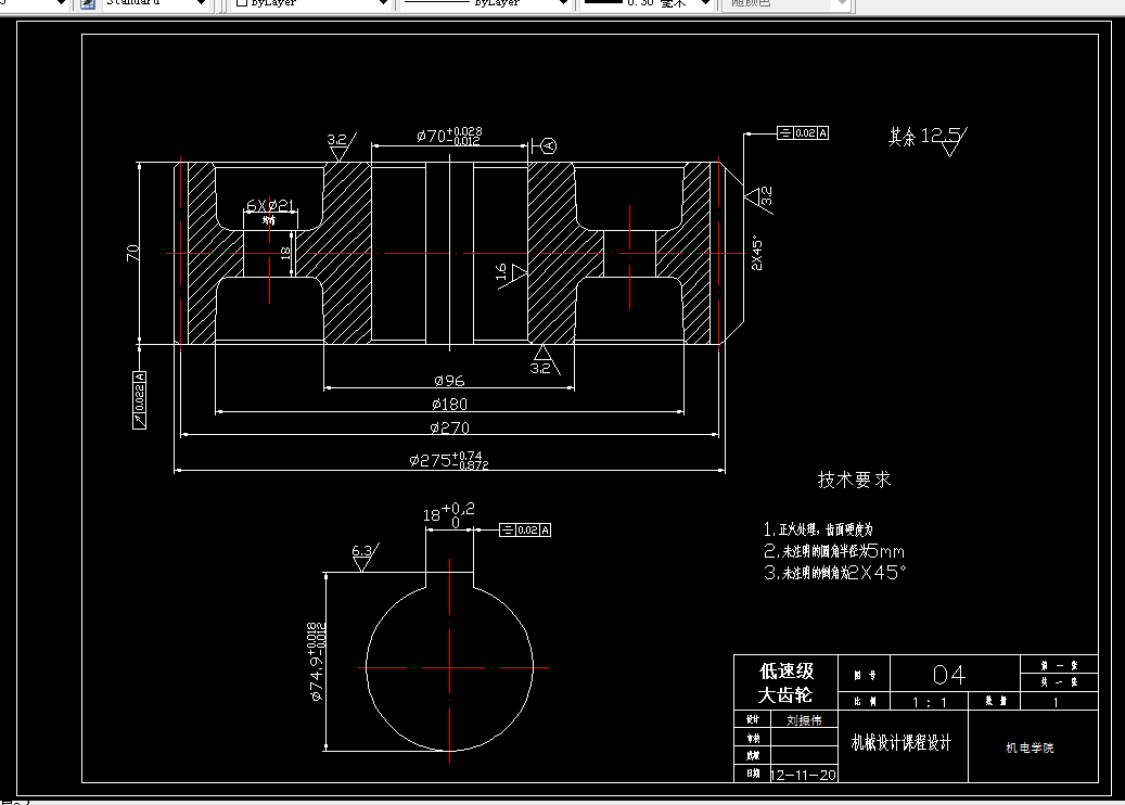
设计工作量:(1)、减速器装配图1张(A0或A1)
(2)、零件图1张-3张。
(3)、设计说明书1份。
2、设计方案:单级圆柱齿轮减速器和一级带传动
二、课程设计的要求与数据
已知条件:
1.运输带工作拉力: F = 2.3 kN;
2.运输带工作速度: v = 1.3 m/s;
3.卷筒直径: D = 300 mm;
4.使用寿命: 10年;大修期三年
5.工作情况:一班制,连续单向运转,载荷较平稳;
6.制造条件及生产批量:一般机械厂制造,10台。
温馨提示:
1、题目前面的备注【字母数字编号】为本站整理分类的编号,与课题内容无关,请选题时忽视;
2、若题目上备注三维,则表示文件里包含三维源文件,由于三维组成零件数量较多,为保证预览截图的简洁性,本站将三维文件夹进行了打包。三维及CAD预览截图,均为本站电脑打开软件进行截图的,保证能够打开,下载原件超高清,下载后解压即可;
3、本站所有资源如无特殊说明,都需要本地电脑安装Office2007。图纸软件为AutoCAD,PROE,UG,SolidWorks,CATIA等;
4、本站所有图文资料仅供用户学习参考,不作为任何商用或其他用途;
5、本站不保证下载资源的准确性、安全性和完整性, 不包修改,不支持退换,同时也不承担用户因使用这些下载资源对自己和他人造成任何形式的伤害或损失;
6、 下载文件中如有侵权或不适当内容,请与我们联系,我们立即纠正。