

作品包括:
Word版说明书1份,共20页,约7700字
程序一份
CAD版本图纸,共1张
UG三维图一份

摘要
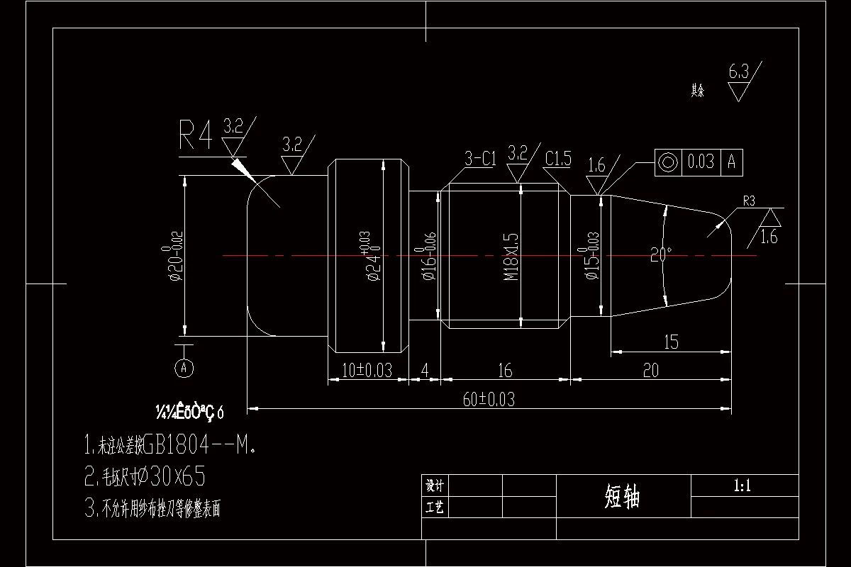
轴类零件在整个制造工业中发挥着重要作用。在汽车领域起着连接动力装置和运动装置的部位,在重型机械领域,起着传动动力,吊卸重物的重要组成部分等。短轴作为轴类零件的一种,在整个轴类零件中也扮演着重要角色。现根据其零件特性,对其加工过程作详细分析,确定了加工过程中所选刀具的种类、型号及其注意事项,并总结出该轴类零件的加工过程。
关键词:数控车床 工艺路线 数控编程 数控仿真
目录
1.绪论 4
2.零件的分析 5
2.1零件的主要作用 5
2.2零件的主要加工面及技术要求 5
2.3零件的材料 5
3.定位基准 6
3.1粗基准的选择 6
3.2精基准的选择 6
4.拟定数控加工工艺路线 6
4.1加工方法 6
4.2加工阶段的划分 7
4.3加工顺序的安排 7
4.4工序划分 7
5.工序的拟定 8
5.1机床设备的选择 8
5.1.1机床的选择 8
5.1.2工艺装备的选择 9
5.2切削用量的确定 10
6.数控编程及程序调试 12
6.1数控编程的内容 12
6.2数控编程的方法 12
6.3加工程序清单 13
6.4程序校验及首件试切 15
设计总结 17
致谢 19
参考文献 20
温馨提示:
1、题目前面的备注【字母数字编号】为本站整理分类的编号,与课题内容无关,请选题时忽视;
2、若题目上备注三维,则表示文件里包含三维源文件,由于三维组成零件数量较多,为保证预览截图的简洁性,本站将三维文件夹进行了打包。三维及CAD预览截图,均为本站电脑打开软件进行截图的,保证能够打开,下载原件超高清,下载后解压即可;
3、本站所有资源如无特殊说明,都需要本地电脑安装Office2007。图纸软件为AutoCAD,PROE,UG,SolidWorks,CATIA等;
4、本站所有图文资料仅供用户学习参考,不作为任何商用或其他用途;
5、本站不保证下载资源的准确性、安全性和完整性, 不包修改,不支持退换,同时也不承担用户因使用这些下载资源对自己和他人造成任何形式的伤害或损失;
6、 下载文件中如有侵权或不适当内容,请与我们联系,我们立即纠正。