

作品包括:
Word版说明书1份,共37页,约13000字
工序卡一份
刀具卡1张
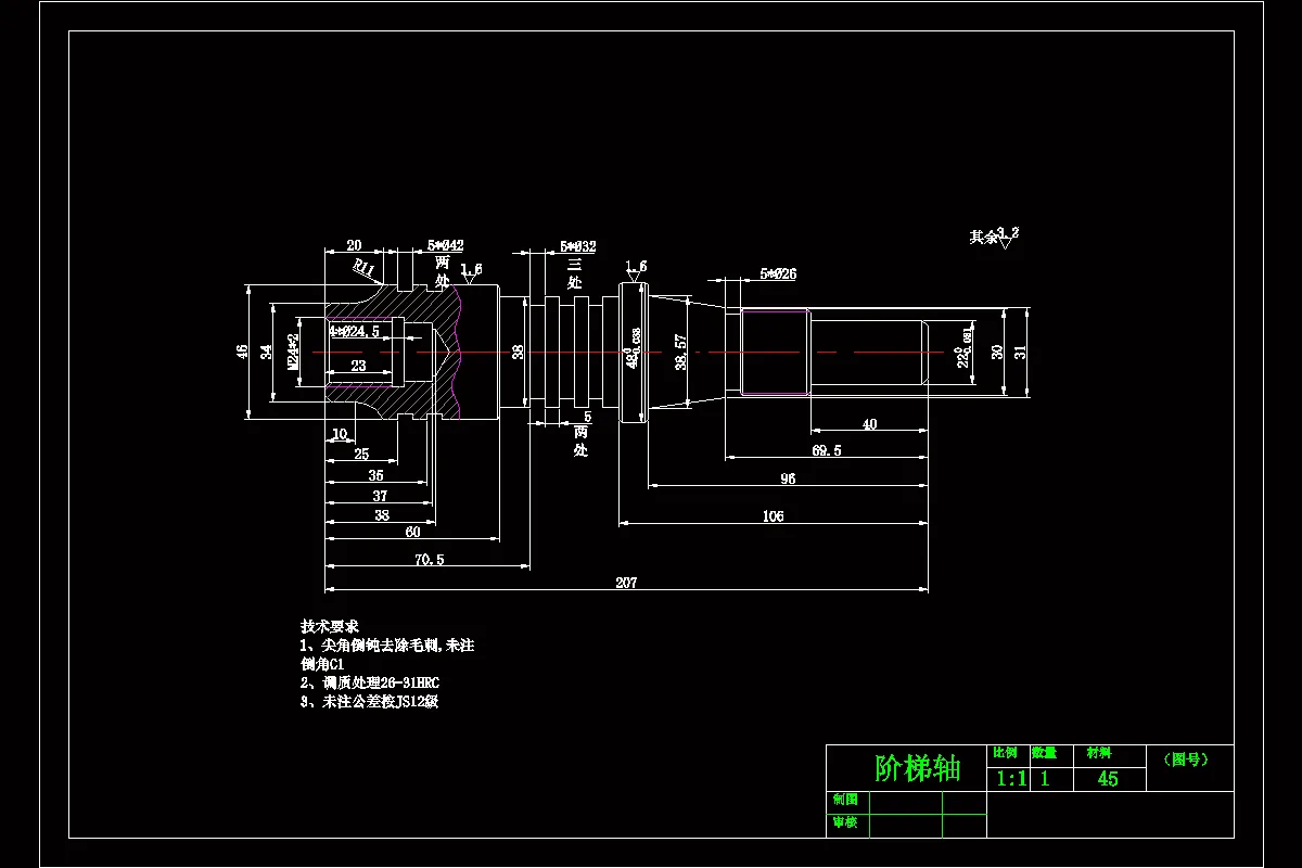
CAD版本图纸,共1张
UG三维图一份
加工仿真视频一份

摘要
数控技术和装备发展趋势及对策装备工业的技术水平和现代化程度决定着整个国民经济的水平和现代化程度,数控技术及装备是发展新兴高新技术产业和尖端工业(如信息技术及其产业、生物技术及其产业、航空、航天等国防工业产业)的使能技术和最基本的装备。马克思曾经说过“各种经济时代的区别,不在于生产什么,而在于怎样生产,用什么劳动资料生产”。制造技术和装备就是人类生产活动的最基本的生产资料,而数控技术又是当今先进制造技术和装备最为核心的技术。当今世界各国制造业广泛采用数控技术,以提高制造能力和水平,提高对动态多变市场的适应能力和竞争能力。
关键词:数控技术、制造技术
目录
1绪论1
2零件图纸分析2
2.1读图2
2.2零件图分析2
2.3零件结构工艺分析3
2.4数控加工内容要求3
3工装的选择5
3.1机床的选择5
3.2工具、量具的选择6
4零件加工工艺方案8
4.1毛坯选择8
4.2定位基准的选择8
4.3装夹方案9
4.3.1夹具选择9
4.3.2装夹方案的确定10
4.4加工方案10
4.5加工顺序的安排11
5切削用量的选择12
5.1确定背吃刀量12
5.2确定主轴转速12
5.3确定进给速度14
6切削液的选择15
7工艺文件的制作18
7.1工艺过程卡18
7.2工序卡18
7.3走刀轨迹分析21
7.4刀具选择22
8零件程序的生成24
9实体仿真29
9.1 UG仿真29
9.2宇龙仿真29
总结31
致谢33
参考文献34
温馨提示:
1、题目前面的备注【字母数字编号】为本站整理分类的编号,与课题内容无关,请选题时忽视;
2、若题目上备注三维,则表示文件里包含三维源文件,由于三维组成零件数量较多,为保证预览截图的简洁性,本站将三维文件夹进行了打包。三维及CAD预览截图,均为本站电脑打开软件进行截图的,保证能够打开,下载原件超高清,下载后解压即可;
3、本站所有资源如无特殊说明,都需要本地电脑安装Office2007。图纸软件为AutoCAD,PROE,UG,SolidWorks,CATIA等;
4、本站所有图文资料仅供用户学习参考,不作为任何商用或其他用途;
5、本站不保证下载资源的准确性、安全性和完整性, 不包修改,不支持退换,同时也不承担用户因使用这些下载资源对自己和他人造成任何形式的伤害或损失;
6、 下载文件中如有侵权或不适当内容,请与我们联系,我们立即纠正。