

作品包括:
Word版说明书1份,共26页,约11000字
仿真文件一份
CAD版本图纸,共3张
UG三维图一份

摘 要
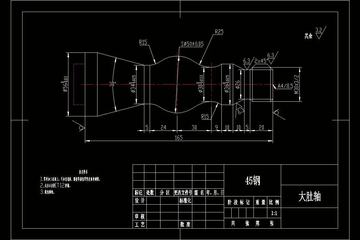
本文主要介绍了大肚轴零件的数控车削加工工艺及其程序编写,开篇首先介绍了数控技术在机械加工中的应用,紧接着对大肚轴的零件图纸进行分析;分析完图纸之后,对其加工工艺进行分析,内容包括定位基准、装夹方式、工艺路线、机床及刀具的选择、切削参数的确定等等;然后编写数控加工程序,在编写程序之前首先确定其编程原点,并计算出各基点坐标,介绍对刀方法;最后对所编写的加工程序在仿真软件上进行验证,并加工出仿真零件,确认程序准确无误后,输入机床进行实际加工。在加工首件时程序应采用单段运行方式,避免程序输入错误而导致零件报废,甚至导致机床的损坏以及人身安全事故的发生。
关键词:工艺分析 加工方案 切削用量 数控编程 仿真加工
目 录
摘 要 I
1.前言 1
2.零件图的分析 2
2.1 零件的结构特点 2
2.2 零件的结构工艺性分析 2
2.3 零件的技术要求分析 2
3.零件的工艺分析 3
3.1 定位基准的选择 3
3.2 装夹方式的选择 3
3.3 工艺路线的确定 3
3.3.1表面加工方法的选择 3
3.3.2加工顺序的安排 4
3.3.3加工方案的确定 4
3.4 设备及其工艺装备的选择 5
3.4.1机床的选择 5
3.4.2刀具的选择 6
3.5 切削用量的选择 6
3.5.1主轴转速的确定 6
3.5.2进给速度的确定 8
3.5.3背吃刀量的确定 8
4.数控编程 8
4.1 编程方法的选择 8
4.2 工件的安装及编程原点的确定 9
4.3 编程数值的计算 9
4.4 走刀路线的确定 11
4.5 对刀 11
4.6 程序编写 11
4.6.1编程代码解析 12
4.6.2加工程序清单 13
5 仿真加工 14
5.1 程序的导入 15
5.2 设置工件 15
5.3 设置刀具 15
5.4 对刀及刀补输入 16
5.5 仿真加工 16
5.5 刀补修改 17
设计小结 18
致 谢 19
参考文献 20
附件Ⅰ 数控加工工序卡 21
附件Ⅱ 数控刀具明细表 22
温馨提示:
1、题目前面的备注【字母数字编号】为本站整理分类的编号,与课题内容无关,请选题时忽视;
2、若题目上备注三维,则表示文件里包含三维源文件,由于三维组成零件数量较多,为保证预览截图的简洁性,本站将三维文件夹进行了打包。三维及CAD预览截图,均为本站电脑打开软件进行截图的,保证能够打开,下载原件超高清,下载后解压即可;
3、本站所有资源如无特殊说明,都需要本地电脑安装Office2007。图纸软件为AutoCAD,PROE,UG,SolidWorks,CATIA等;
4、本站所有图文资料仅供用户学习参考,不作为任何商用或其他用途;
5、本站不保证下载资源的准确性、安全性和完整性, 不包修改,不支持退换,同时也不承担用户因使用这些下载资源对自己和他人造成任何形式的伤害或损失;
6、 下载文件中如有侵权或不适当内容,请与我们联系,我们立即纠正。