

作品包括:
Word版说明书1份,共34页,约11000字
开题报告一份
工艺卡3张
工艺过程卡1份
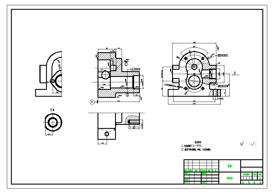
CAD版本图纸,共1张
UG三维图一份

摘要
这些年来我国家对数控技术的重视,数控技术的一直发展,因高效率、高精度、高质量从而使得数控加工技术的应用越来越广泛。
本次设计任务是对零件的加工工艺设计与CAM,使用CAD制图软件将零件的二维图形画出来,再用UG软件画出三维图纸。接着对零件结构、精度、技术要求进行分析。设计加工零件的数控工艺方案,选择毛坯材料及大孝加工用的刀具、加工机床,以及合理的切削参数等。选择出最佳的加工工艺方案,然后使用UG中的CAM模块对零件的数控加工程序进行编制,完成本次设计。
关键词:铣削;CAD/CAM;数控加工工艺;编程
目录
摘要I
Abstract II
第一章绪论3
1.1数控加工技术国内外发展现状3
1.1.1我国数控技术发展现状3
1.1.2与国外的差距3
1.2数控加工技术国内外现状4
1.3数控机床的加工特点5
第二章工艺性分析6
2.1零件介绍6
2.2零件加工工艺性分析7
2.3主要的技术要求7
第三章零件的加工工艺规程设计8
3.1毛胚的选择8
3.2加工工艺路线的确定8
3.2.1加工路线划分原则8
3.2.2工艺路线安排9
3.3选择并确定工艺装备9
3.3.1数控机床的选择9
3.3.2夹具的选择10
3.3.3加工刀具的选择11
3.3.4量具的选择13
3.4切削用量的选择原则13
3.5切削用量的选择14
第四章加工工艺文件制定16
4.1制定数控加工工艺过程卡片16
4.2数控加工工艺卡片16
第五章零件的数控程序编制17
5.1编程方法的选择17
5.2.确定编程原点17
5.3 UG软件介绍18
5.4 UG软件编程操作19
5.5数控仿真加工25
5.6程序的后处理29
总结30
参考文献31
致谢32
温馨提示:
1、题目前面的备注【字母数字编号】为本站整理分类的编号,与课题内容无关,请选题时忽视;
2、若题目上备注三维,则表示文件里包含三维源文件,由于三维组成零件数量较多,为保证预览截图的简洁性,本站将三维文件夹进行了打包。三维及CAD预览截图,均为本站电脑打开软件进行截图的,保证能够打开,下载原件超高清,下载后解压即可;
3、本站所有资源如无特殊说明,都需要本地电脑安装Office2007。图纸软件为AutoCAD,PROE,UG,SolidWorks,CATIA等;
4、本站所有图文资料仅供用户学习参考,不作为任何商用或其他用途;
5、本站不保证下载资源的准确性、安全性和完整性, 不包修改,不支持退换,同时也不承担用户因使用这些下载资源对自己和他人造成任何形式的伤害或损失;
6、 下载文件中如有侵权或不适当内容,请与我们联系,我们立即纠正。