

作品包括:
Word版说明书1份,共37页,约8100字
工艺卡6张
工艺过程卡1份
刀具卡1张
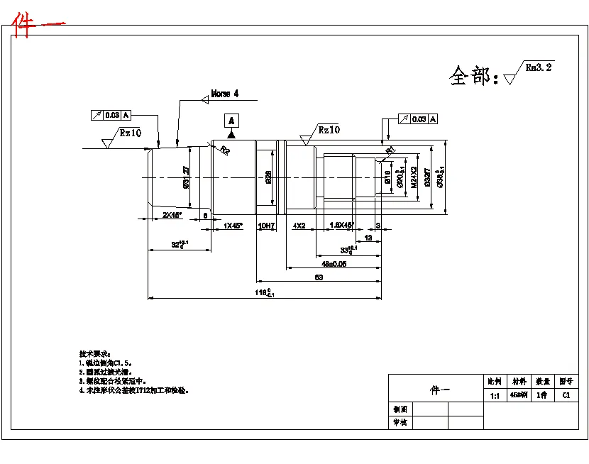
CAD版本图纸,共4张
UG三维图一份
加工仿真视频1份

摘要
传动机构的数控车削加工为老师安排给我的课题。一开始要对零件先探讨形状和结构并重点分析,然后在分析后对确定零件的下料的方式、选择合理的基准,在选择所试用的机床和切削三要素的用量。在指导老师的指导下认定本次设计应该是用CKA6140数控车床加工最为妥当。
在工艺的设计过程先要对零件分析,掌握零件的加工工艺,才可以想好毛坯的大小,明确零件的毛坯和再定加工的基准。工艺路线才可以一一确定,接下来是对零件的每个工步尺寸进行定夺,才可以确定工艺装备还有切削三要素。
本文的设计要点是传动机构配合传动机构的工艺性,详细的说明传动机构是如何加工出来的,以此传动机构进行数控车的加工工艺编制的设计,并实际的有学校验收,最终可以加工出合格的传动机构零件。
关键词:传动机构;工艺;工序;切削用量;
目录
摘要1
Abstract 2
前言3
1零件的分析4
1.1零件分析4
1.2零件的作用6
1.3加工工艺规程的作用6
2工艺规程的设计8
2.1毛坯的制造形式的确定8
2.2基面的选择8
2.3定位基准的选择8
2.4加工设备的选择8
2.5夹具的选择? 8
2.6刀具的选择? 10
3拟定工艺路线11
4切削用量的确定13
5传动机构的机械加工工艺卡片15
6传动机构的三维建模与仿真24
6.1传动机构的三维建模24
6.2传动机构的仿真28
6检测34
6.1检测注意事项34
6.2加工项目记录表34
致谢35
参考文献36
温馨提示:
1、题目前面的备注【字母数字编号】为本站整理分类的编号,与课题内容无关,请选题时忽视;
2、若题目上备注三维,则表示文件里包含三维源文件,由于三维组成零件数量较多,为保证预览截图的简洁性,本站将三维文件夹进行了打包。三维及CAD预览截图,均为本站电脑打开软件进行截图的,保证能够打开,下载原件超高清,下载后解压即可;
3、本站所有资源如无特殊说明,都需要本地电脑安装Office2007。图纸软件为AutoCAD,PROE,UG,SolidWorks,CATIA等;
4、本站所有图文资料仅供用户学习参考,不作为任何商用或其他用途;
5、本站不保证下载资源的准确性、安全性和完整性, 不包修改,不支持退换,同时也不承担用户因使用这些下载资源对自己和他人造成任何形式的伤害或损失;
6、 下载文件中如有侵权或不适当内容,请与我们联系,我们立即纠正。