

作品包括:
Word版说明书1份,共40页,约12000字
工序卡13张
工艺过程卡1张
中期报告一份
开题报告一份
文献综述一份
外文翻译一份
CAD版本图纸,共14张
UG三维图一份
NC程序一份

摘 要
使用数控车床可以完成常见的回转体零件的加工,但是如果回转体上有键槽或者通孔特征就需要在数控铣床或者是
钻床上加工完成,本次设计的弹簧衬套的主要的结构是圆柱加工结构,通孔加工结构,键槽加工结构等组成,以上
所以结构有可以使用机械加工的方式得到,在做加工之前必须完成以下几点准备工作。
1:绘制CAD零件图,在绘图的时候相对于再次读图,对于图纸的尺寸,结构,表面粗糙度等问题进一步熟悉了一遍
,有利于后期编写加工工艺和编程。
2:绘制UG三维图,让零件更加直观的呈现出来,知道了零件的直观的结构,就对编程有了帮助。
3:编写加工工艺,绘制加工工序卡,其中包括毛坯图,定位夹紧符号等简图的绘制,然后填写切削三要素即可。
4:编写加工程序,使用UG自动编程,在软件里面设置坐标系,刀具,部件,毛坯,使用UG里面车削加工方式完成
端面车削,外圆车削,在UG里面的铣削加工中完成零件的键槽铣削,在UG里面的钻削加工中完成孔的加工,并导出
NC加工视频。
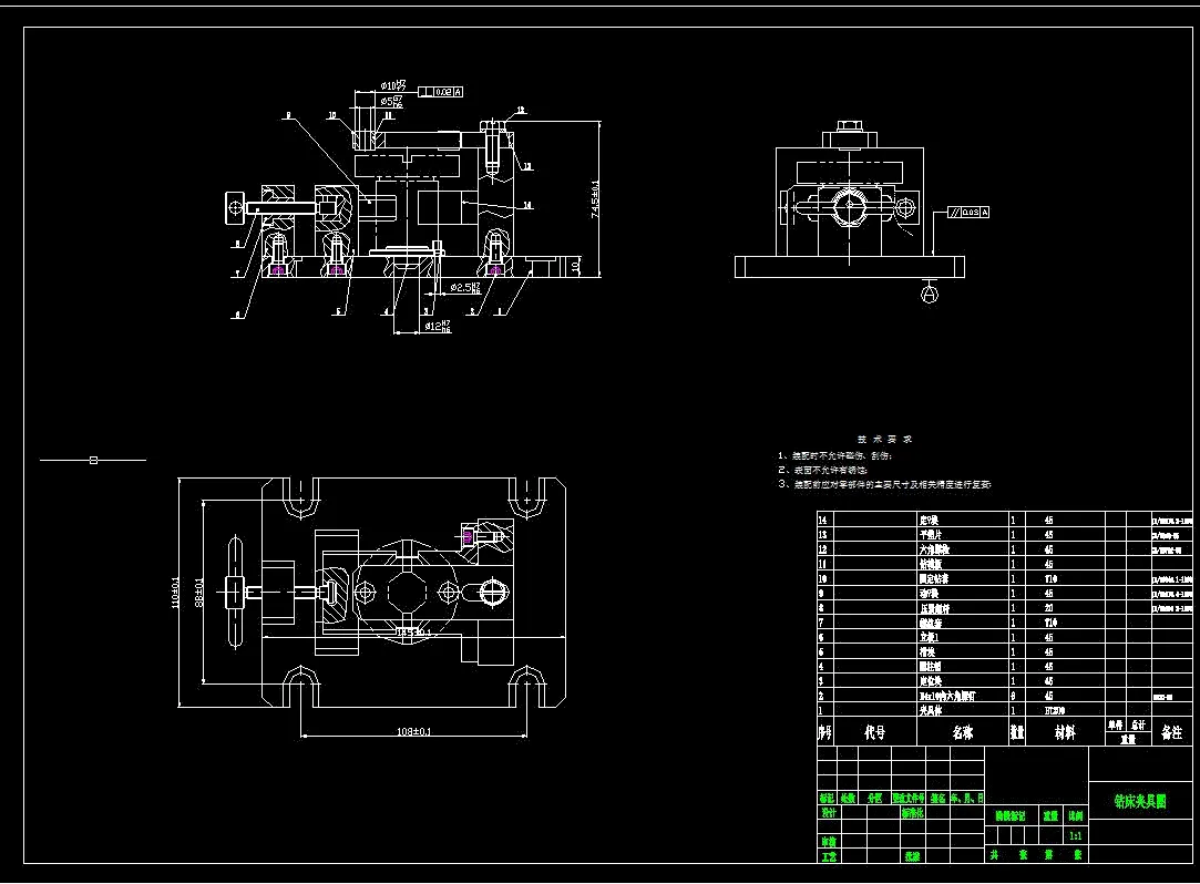
5:设计专用夹具,完成铣槽专用夹具和钻孔专用夹具的设计,专用夹具的主要目的是提高加工效率,所以夹紧和
定位都要方便,铣槽夹具必须要设计对刀块,钻孔夹具必须要设计钻套。
关键词:回转体,零件图,三维图,加工程序,夹具设计
目 录
摘 要 2
Abstract 3
1 绪论 6
1.1 选题的目的和意义 6
1.2 夹具设计调查分析 6
1.3 课题研究内容与目标 7
2零件的结构分析 8
2.1零件功用、结构及特点 8
2.2尺寸公差分析 9
2.3表面粗糙公差分析 9
2.4 形位公差的分析 9
3 加工工艺规程设计 10
3.1 确定生产类型 10
3.2确定毛坯的制造形式 10
3.3确定毛坯尺寸 10
3.4定位基准的选择 11
3.5确定零件表面加工方法 11
3.6 工艺路线方案的分析与比较 12
3.6 选择加工设备与工艺设备 13
3.7 切削用量计算 14
4 弹簧衬套数控编程 18
4.1 弹簧衬套建模 18
4.2 车削加工 20
4.3 车削后处理 25
4.4 铣削加工 26
4.4 铣削后处理 29
5 铣槽专用夹具 29
5.1 夹具设计的基本要求 29
5.2 铣床夹具定位设计 29
5.3 铣床夹具夹紧设计 31
5.4 铣床夹具对刀设计 32
5.5 完整图纸 32
6 钻孔专用夹具 34
6.1 夹具的基本要求 34
6.2 钻床夹具定位和夹紧 34
6.3 钻床夹具导向设计 37
6.4 完整图纸 38
总 结 39
致 谢 40
参考文献41
温馨提示:
1、题目前面的备注【字母数字编号】为本站整理分类的编号,与课题内容无关,请选题时忽视;
2、若题目上备注三维,则表示文件里包含三维源文件,由于三维组成零件数量较多,为保证预览截图的简洁性,本站将三维文件夹进行了打包。三维及CAD预览截图,均为本站电脑打开软件进行截图的,保证能够打开,下载原件超高清,下载后解压即可;
3、本站所有资源如无特殊说明,都需要本地电脑安装Office2007。图纸软件为AutoCAD,PROE,UG,SolidWorks,CATIA等;
4、本站所有图文资料仅供用户学习参考,不作为任何商用或其他用途;
5、本站不保证下载资源的准确性、安全性和完整性, 不包修改,不支持退换,同时也不承担用户因使用这些下载资源对自己和他人造成任何形式的伤害或损失;
6、 下载文件中如有侵权或不适当内容,请与我们联系,我们立即纠正。