

作品包括:
Word版设计说明书1份
工序卡一份
工艺过程卡1张
刀具卡一张
CAD版本图纸,共1张
UG三维图一张
程序一份
摘要
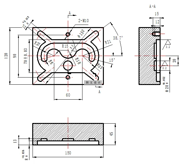
首先对十字形双面零件进行了细致分析,设想规划出每步工序要加工的内容,并按照加工步骤,运用了UG软件进行造型,造型的步骤就按照加工来,这样可以熟悉每步的加内容,能够很快的制定了加艺路线,到了最后还进行了仿真加。
温馨提示:
1、题目前面的备注【字母数字编号】为本站整理分类的编号,与课题内容无关,请选题时忽视;
2、若题目上备注三维,则表示文件里包含三维源文件,由于三维组成零件数量较多,为保证预览截图的简洁性,本站将三维文件夹进行了打包。三维及CAD预览截图,均为本站电脑打开软件进行截图的,保证能够打开,下载原件超高清,下载后解压即可;
3、本站所有资源如无特殊说明,都需要本地电脑安装Office2007。图纸软件为AutoCAD,PROE,UG,SolidWorks,CATIA等;
4、本站所有图文资料仅供用户学习参考,不作为任何商用或其他用途;
5、本站不保证下载资源的准确性、安全性和完整性, 不包修改,不支持退换,同时也不承担用户因使用这些下载资源对自己和他人造成任何形式的伤害或损失;
6、 下载文件中如有侵权或不适当内容,请与我们联系,我们立即纠正。