

作品包括:
Word版说明书1份,共83页,约21000字
CAD版本图纸,共10张
摘 要
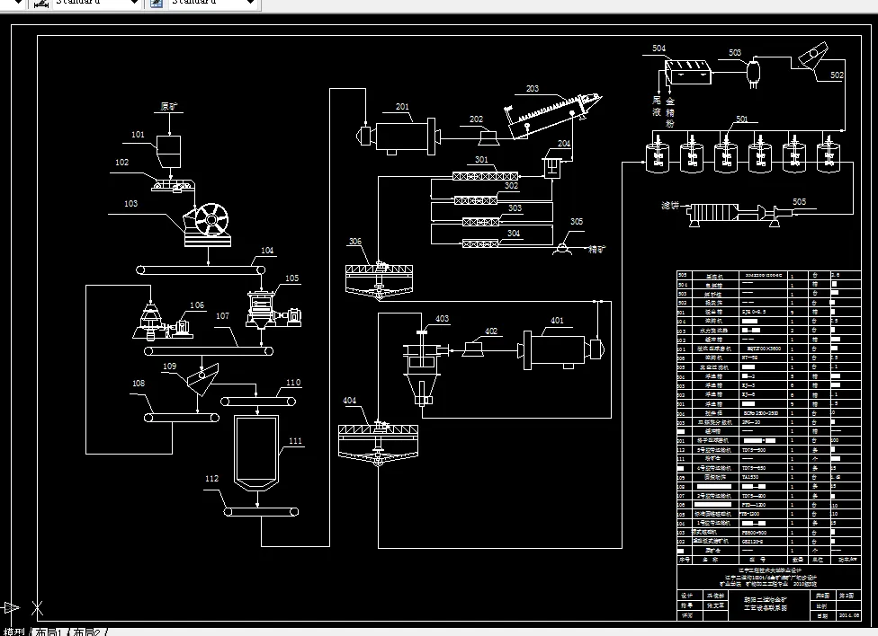
本设计的选矿厂以辽宁朝阳二道沟1000t/d金矿选矿厂作为目标进行初步设计的。矿石类型为金矿,属于易碎性矿石。根据矿石性质采用浮选—氰化浸出的方法进行选别。该设计对厂区概况,矿石的性质,矿山的供矿条件进行了介绍。完成了选矿流程的确定,流程计算,设备选型,厂房布置,经济概算,图纸绘制等工作。工艺流程为三段一闭路破碎,二段磨矿,一次粗选,三次精选,浮选精矿为金精矿,尾矿进行第二段磨矿,氰化浸出后得到金精矿。主要选用的设备有破碎机,球磨机,筛分机,分级机,浮选机,浸出槽,压滤机等。在设计厂房时,既要设备安置紧凑,充分利用空间,节约占地,又要留有一定的检修的空间。经过浮选后,金精矿品位可达到40g/t,回收率为90%。所以设计的选矿厂是合理的。
关键词:选矿厂设计;金矿;破碎;磨矿;浮选;氰化浸出
?
目录
前 言 1
1概述 2
1.1 矿区概况 2
1.1.1 企业地理位置、交通情况 2
1.1.2 矿区气候概况及经济状况 2
1.1.3 供水供电情况 3
1.2 矿区地质及矿石性质 3
1.2.1 矿区地质 3
1.2.2 矿石结构和性质 3
1.2.3矿石含量及多元素分析 4
1.2.4原矿基本物理性质 4
1.3 厂址选择 4
2 破碎流程的选择和计算 6
2.1 新建选矿厂的规模及破碎车间的工作制度 6
2.2 破碎流程的选择与计算 6
3 磨矿及选别流程的选择和计算 10
3.1 磨矿及选别流程的选择 10
3.2 一段磨矿流程计算 10
3.2 一段磨矿流程计算 12
3.3选别流程计算 12
3.3.1确定原始指标 12
3.3.2产率计算 13
3.4 二段磨矿流程计算 15
3.5 氰化浸出流程计算 16
4 矿浆流程计算 18
4.1 磨矿矿浆流程计算 18
4.1.1原始指标及流程图的确定 18
4.1.2液固比及水量计算 19
4.2 选别矿浆流程计算 21
4.2.1原始指标及流程图的确定 21
4.2.2液固比及水量计算 22
4.3 氰化浸出矿浆流程计算 26
4.3.1 原始指标及流程图的确定 26
4.3.2 液固比以及各水量的计算 26
4.4 选矿厂水量计算 28
4.5数质量流程图 29
5 破碎筛分设备的选择与计算 31
5.1 粗碎设备的选择与计算 31
5.1.1 计算所用公式 31
5.1.2 初拟方案 32
5.1.3 方案比较及确定 33
5.2 中碎设备的选择与计算 33
5.2.1 计算所用公式 33
5.2.2 初拟方案 34
5.2.3 方案比较及确定 35
5.3 细碎设备的选择与计算 36
5.3.1 计算所用公式 36
5.3.2 初拟方案 37
5.3.3 方案比较及确定 38
5.4 筛分设备的选择与计算 39
5.4.1 计算所用公式 39
5.4.2 初拟方案 39
5.4.3 方案比较及确定 41
5.5破碎筛分设备一览表 42
6 主厂房设备的选择与计算 43
6.1 球磨机的选择与计算 43
6.1.1 球磨机选择的参考依据 43
6.1.2 计算所用公式 43
6.1.3 一段球磨机的选择与计算 44
6.1.4 二段球磨机的选择与计算 46
6.2 分级机的选择与计算 48
6.2.1 一段分级设备的选择与计算 48
6.2.2 二段分级设备的选择与计算 50
6.3 选别设备的选择与计算 53
6.3.1 粗选设备的选择与计算 54
6.3.2 精选设备的选择与计算 54
6.4 搅拌槽的选择与计算 55
6.5 浓缩机的选择与计算 55
6.5.1 浮选尾矿浓缩机 55
6.5.2 氰化前浓缩机 56
6.6 压滤机的选择与计算 56
6.6.1 精矿压滤机 56
6.6.2 尾矿压滤机 56
6.7 氰化设备选型 57
6.7.1浸出搅拌槽选型与计算 57
6.7.2解吸柱的选型与计算 57
7.主要辅助设备的选择与计算 59
7.1 矿仓的选择与计算 59
7.1.1 原矿仓 59
7.1.2 粉矿仓 61
7.2 胶带运输机的选择和计算 62
7.3 给矿机的选择和计算 64
7.3.1 原矿仓给矿机的选择和计算 64
7.3.2 粉矿仓给料机的选择和计算 65
7.4 起重机的选择 65
7.5 沙泵的选择 66
7.6 除铁器的选择 66
8 厂区环境保护 68
8.1 粉尘的防治措施 68
8.2 噪声的防治措施 68
8.3 选矿厂污染物的治理 68
8.4 绿化 68
9 选矿厂的技术经济分析 69
9.1 选矿工艺投资概算 69
9.2 选矿厂基建投资计算 71
9.3 选矿技术经济指标计算 71
9.3.1 选矿厂劳动定员 71
9.3.2 精矿设计成本计算 73
9.3.3 经济效果评定 74
9.4 经济分析 74
10 结论 76
参考文献: 77
附录A 译文 79
附录B 外文文献 81
温馨提示:
1、题目前面的备注【字母数字编号】为本站整理分类的编号,与课题内容无关,请选题时忽视;
2、若题目上备注三维,则表示文件里包含三维源文件,由于三维组成零件数量较多,为保证预览截图的简洁性,本站将三维文件夹进行了打包。三维及CAD预览截图,均为本站电脑打开软件进行截图的,保证能够打开,下载原件超高清,下载后解压即可;
3、本站所有资源如无特殊说明,都需要本地电脑安装Office2007。图纸软件为AutoCAD,PROE,UG,SolidWorks,CATIA等;
4、本站所有图文资料仅供用户学习参考,不作为任何商用或其他用途;
5、本站不保证下载资源的准确性、安全性和完整性, 不包修改,不支持退换,同时也不承担用户因使用这些下载资源对自己和他人造成任何形式的伤害或损失;
6、 下载文件中如有侵权或不适当内容,请与我们联系,我们立即纠正。