

作品包括:
Word版说明书1份,共117页,约37000字
CAD版本图纸,共8张
摘要
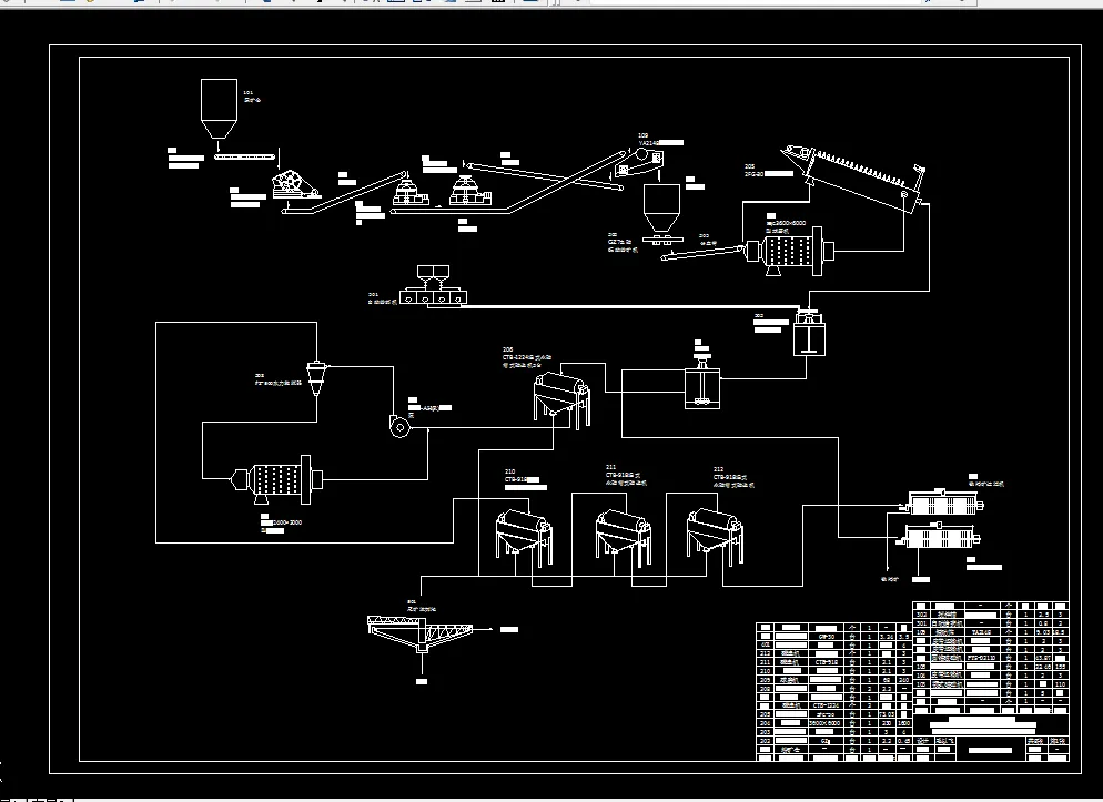
本设计的内容为辽宁建平年产量 1.5Mt 的磷铁矿选矿厂的初步设计,主要产品为铁精
矿和磷精矿。该设计对厂区概况,矿石的性质,矿山的供矿条件进行了介绍。完成了选矿
流程的确定,流程计算,设备选型,厂房布置,经济概算,图纸绘制等工作。流程选择时,
在保证产品质量的基础上,力求流程简单。通过对原矿性质、化学组成、矿石可选性等研
究分析,该矿石为易碎性矿石;磷的嵌布粒度相对较大,一段磨矿磨至-200 目占 45%时经
三段精选、两段扫选后浮选指标较好;矿石中所含铁为磁铁矿,属于易选矿石,经阶段磨
矿四段磁选可将铁精矿品位提高至 65%,回收率为 75%。设计中充分考虑了对环境的保护,
设备的选择也体现了大型化的特点,自动化程度高,生产操作容易控制,产品质量有保障。
关键词:磷铁矿;初步设计;嵌布粒度;品位;浮选;磁选
目录
前言............................................................................................................................. 1
1 厂区概况................................................................................................................. 2
1.1 地理、行政及交通............................................................................................. 2
1.2 水文地质条件...................................................................................................... 2
1.3 矿区及矿床地质.................................................................................................. 2
1.4 气候特征.............................................................................................................. 3
1.5 水源供应及排水条件......................................................................................... 3
1.6 电源供应.............................................................................................................. 3
1.7 总结...................................................................................................................... 3
2 入选矿石类型及工艺矿物学研究........................................................................ 4
2.1 入选矿石类型...................................................................................................... 4
2.1.1 设计的可行性和必要性.................................................................................. 4
2.1.2 主要设计依据................................................................................................... 4
2.1.3 矿石的工业类型............................................................................................... 4
2.2 工艺矿物学研究.................................................................................................. 4
2.2.1 矿石的化学成分及含量.................................................................................. 4
2.2.2 矿石的矿物组成............................................................................................... 5
2.2.3 矿物的结构及嵌布特征.................................................................................. 5
2.2.4 矿石的主要物理性质...................................................................................... 5
2.2.5 选矿试验研究................................................................................................... 5
3 选矿工艺流程的选择与计算................................................................................ 7
3.1 确定工作制度...................................................................................................... 7
3.2 破碎筛分流程的选择与计算............................................................................. 7
3.2.1 计算破碎车间生产能力.................................................................................. 7
3.2.2 计算总破碎比及分配各段破碎比.................................................................. 7
3.2.3 计算各段产物的最大粒度.............................................................................. 8
3.2.4 计算各段破碎机的排矿口宽度...................................................................... 8
3.2.5 选择筛子的筛孔尺寸和筛分效率.................................................................. 9
3.2.6 计算各段产物的矿量和产率.......................................................................... 9
3.3 磨矿选别流程的选择与制定........................................................................... 10
3.3.1 工作制度......................................................................................................... 10
3.3.2 选别流程制定................................................................................................. 10
3.4 磨矿选别流程的计算....................................................................................... 12
3.4.1 计算第一段磨矿的矿量、产率.................................................................... 12
3.4.2 选别流程的计算............................................................................................ 12
3.4.3 计算第二段磨矿的矿量、产率.................................................................... 17
3.5 矿浆流程的计算................................................................................................ 20
3.5.1 磨矿流程矿浆计算........................................................................................ 20
3.5.2 浮选流程矿浆计算........................................................................................ 20
3.5.3 磁选流程矿浆计算........................................................................................ 25
3.5.4 精矿过滤流程计算........................................................................................ 28
3.5.5 验证水量平衡................................................................................................. 29
4 设备的选型与计算............................................................................................... 30
4.1 破碎设备的选型与计算................................................................................... 30
4.2 筛分设备的选择计算....................................................................................... 38
4.3 磨矿设备的选型计算....................................................................................... 40
4.3.1 一段磨矿设备选型计算................................................................................ 40
4.3.2 二段磨矿设备选型计算................................................................................ 43
4.4 分级设备的选型计算....................................................................................... 44
4.4.1 一段分级设备的选择与计算........................................................................ 44
4.4.2 二段分级设备的选择与计算........................................................................ 45
4.5 浮选设备的选型计算....................................................................................... 47
4.5.1 粗选槽数选择................................................................................................. 47
4.5.2 一段精选槽数选择........................................................................................ 48
4.5.3 二段精选槽数选择........................................................................................ 49
4.5.4 三段精选槽数选择........................................................................................ 50
4.5.5 扫选一浮选机槽数选择................................................................................ 51
4.5.6 扫选二浮选机槽数选择................................................................................ 52
4.6 搅拌槽的选择与计算....................................................................................... 53
4.7 磁选设备的选型计算....................................................................................... 53
4.7.1 一段磁选机的选择........................................................................................ 54
4.7.2 二段磁选机的选择........................................................................................ 54
4.7.3 三段磁选机的选择........................................................................................ 55
4.7.4 四段磁选机的选择........................................................................................ 55
4.8 精矿脱水设备选择计算................................................................................... 55
4.8.1 磷精矿过滤机的选择与计算........................................................................ 55
4.8.2 铁精矿过滤机的选择与计算........................................................................ 56
4.9 精矿脱水设备选择计算................................................................................... 56
4.9.1 浓缩机的选择计算........................................................................................ 56
5 辅助设备的选择................................................................................................... 58
5.1 给矿机的选择与计算....................................................................................... 58
5.1.1 破碎给矿设备的选择.................................................................................... 58
5.1.2 磨矿给矿设备的选择.................................................................................... 59
5.2 胶带运输机的选择与计算............................................................................... 60
5.2.1 1 号皮带的选择与计算.................................................................................. 61
5.2.2 2 号皮带的选择与计算.................................................................................. 62
5.2.3 3 号皮带的选择与计算.................................................................................. 64
5.2.4 4 号皮带的选择与计算.................................................................................. 65
5.3 矿仓的选择计算................................................................................................ 67
5.3.1 原矿仓的选择计算........................................................................................ 67
5.3.2 磨矿矿仓计算................................................................................................. 68
5.3.3 精矿仓计算..................................................................................................... 70
5.4 砂泵的选择与计算........................................................................................... 72
5.4.1 旋流器给矿砂泵选型计算............................................................................ 74
5.4.2 矿浆提升砂泵的选型计算............................................................................ 75
5.5 起重机的选择.................................................................................................... 76
6 厂房内工作条件的改善...................................................................................... 77
6.1 选矿厂的通风除尘........................................................................................... 77
6.1.1 除尘设备的选择............................................................................................ 77
6.2 噪音的治理........................................................................................................ 77
6.3 选矿厂污水的治理........................................................................................... 78
7 选矿厂设计的技术经济分析与评价.................................................................. 79
7.1 商品精矿总产值................................................................................................ 79
7.2 总投资的计算.................................................................................................... 79
7.2.1 设备投资......................................................................................................... 79
7.2.2 基建投资的计算............................................................................................ 81
7.2.3 营运投资的计算............................................................................................ 81
7.3 不可预见费用计算........................................................................................... 83
7.4 利润的计算........................................................................................................ 83
7.5 投资利润率........................................................................................................ 84
7.6 投资收益率........................................................................................................ 84
7.7 投资回收期........................................................................................................ 84
8 结论....................................................................................................................... 86
致谢........................................................................................................................... 87
参考文献................................................................................................................... 88
附录 A....................................................................................................................... 89
附录 B....................................................................................................................... 99
温馨提示:
1、题目前面的备注【字母数字编号】为本站整理分类的编号,与课题内容无关,请选题时忽视;
2、若题目上备注三维,则表示文件里包含三维源文件,由于三维组成零件数量较多,为保证预览截图的简洁性,本站将三维文件夹进行了打包。三维及CAD预览截图,均为本站电脑打开软件进行截图的,保证能够打开,下载原件超高清,下载后解压即可;
3、本站所有资源如无特殊说明,都需要本地电脑安装Office2007。图纸软件为AutoCAD,PROE,UG,SolidWorks,CATIA等;
4、本站所有图文资料仅供用户学习参考,不作为任何商用或其他用途;
5、本站不保证下载资源的准确性、安全性和完整性, 不包修改,不支持退换,同时也不承担用户因使用这些下载资源对自己和他人造成任何形式的伤害或损失;
6、 下载文件中如有侵权或不适当内容,请与我们联系,我们立即纠正。