K1194-倒档变速叉加工工艺及钻φ16孔夹具设计[含SW三维图]
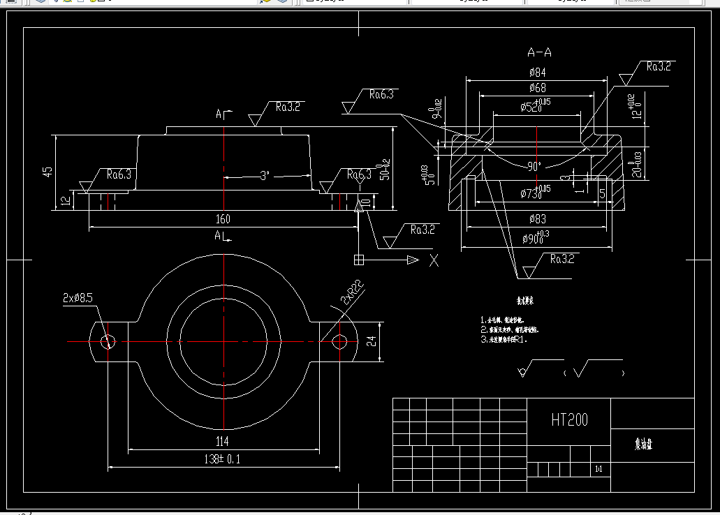
P401-集油盘加工工艺及车φ68端面及φ52孔夹具设计
P400-集油盘加工工艺及铣底面夹具设计
P399-集油盘加工工艺及铣R22端面夹具设计
P398-集油盘加工工艺及钻2-φ8.5孔夹具设计
P397-集油盘加工工艺及车φ73端面及φ65孔夹具设计
P396-法兰盘转接板加工工艺及钻攻4-M4螺纹孔夹具设计
P395-气缸前盖加工工艺及铣U型槽夹具设计
K1193-角形轴承箱加工工艺及镗180孔夹具设计
K1190-主动齿轮轴零件机械加工工艺规程及铣键槽的夹具设计
K1189-齿轮泵体加工工艺及钻M30螺纹孔夹具设计
K1186-推动架加工工艺及铣85mm内侧面夹具设计
E278B-插入耳环加工工艺及铣键槽夹具设计【含SW三维图】
K1185-轴支架加工工艺及铣左端面夹具设计
K1268-CA6140车床拨叉[831005]工艺及铣18槽夹具设计【含UG三维图】
JJ7615-变速器换挡叉工艺及铣下缺口宽51两内侧面夹具设计【含Proe三维图】
JJ7614-活塞加工工艺及钻油孔夹具设计
JJ7603-摇杆零件的加工工艺及铣端面夹具设计
JJ7602-弹簧座零件工艺规程及铣夹具设计
K1188-CA6140车床拨叉[831006]工艺及铣斜面夹具设计【含SW三维图】