P419-链锯发动机缸体加工工艺规程及铣60x58端面夹具设计
P418-快换钻套加工工艺规程及铣斜面夹具设计
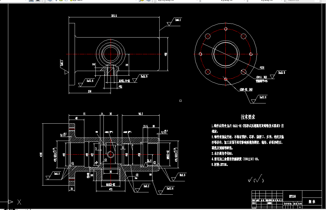
P417-泵前体机械加工工艺规程及铣基准A夹具设计
P416-泵前体机械加工工艺规程及钻攻4xM20螺纹孔夹具设计
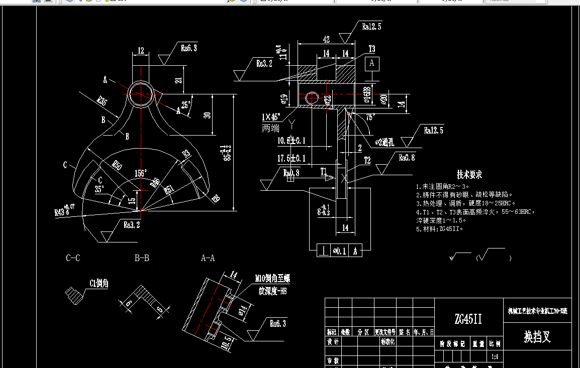
K1239-换挡叉机械加工工艺规程及铣宽14槽夹具设计
K1238-换挡叉机械加工工艺规程及钻φ16孔夹具设计
K1237-阀体机械加工工艺规程及钻4-φ14孔夹具设计
K1236-I-II档变速叉加工工艺及钻φ16孔夹具设计
K1235-I-II档变速叉加工工艺及铣内侧面尺寸45.5夹具设计
K1234-GX160曲轴机械加工工艺规程及钻斜孔夹具设计
K1233-GX160曲轴机械加工工艺规程及铣键槽夹具设计
K1232-箱体机械加工工艺规程及铣φ64端面夹具设计[含SW三维图]
K1231-箱体机械加工工艺规程及钻φ12H7孔夹具设计[含SW三维图]
P415-钻床壳体机械加工工艺规程及镗φ60孔系夹具设计[含SW三维图]
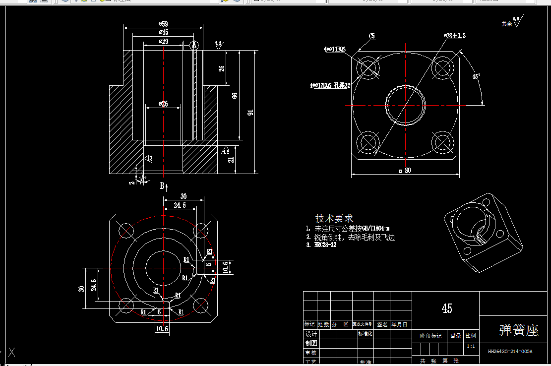
P414-弹簧座机械加工工艺规程及铣顶面夹具设计
K1230-倒档变速叉加工工艺及钻攻M10螺纹孔夹具设计
K1229-倒档变速叉加工工艺及铣E槽夹具设计
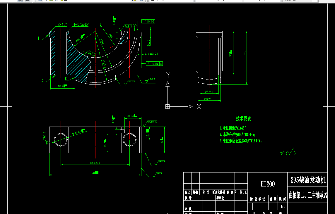
P413-主轴承盖加工工艺规程及钻2-φ14.8孔夹具设计
P412-主轴承盖加工工艺规程及粗铣A面夹具设计
P411-主轴承盖加工工艺规程及镗φ66.5孔夹具设计