S209K-箱体加工工艺及加工工序70钻4-φ9孔夹具设计
S209J-箱体加工工艺及加工工序70钻4-14孔和4-M6螺纹夹具设计
S209H-箱体加工工艺及加工工序65钻3-M5螺纹孔夹具设计
S209G-箱体加工工艺及加工工序60 精车φ88、φ62、φ60、φ42、倒角夹具设计
S209F-箱体加工工艺及加工工序55 119.5、115.5 、φ120 、φ52 、φ46、φ35及倒角到尺寸
S209E-箱体加工工艺及加工工序40精铣104到尺寸夹具设计
S209D-箱体加工工艺及工序35 精铣88外圆夹具设计
S209C-箱体加工工艺及工序30铣Φ42孔端面夹具设计
S209B-箱体加工工艺及加工工序25粗车孔夹具设计
S209A-箱体加工工艺及加工工序20粗车119.5、φ35 、φ30留余量夹具设计
C073-电动叉车变速箱箱体的加工工艺规程及夹具设计
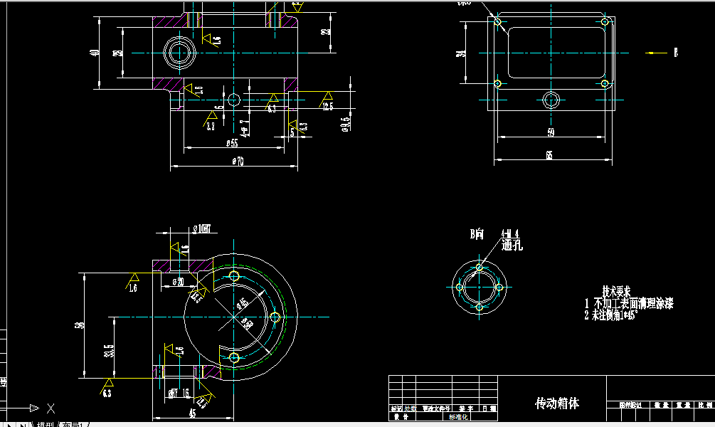
KS746-传动箱体加工工艺及夹具设计
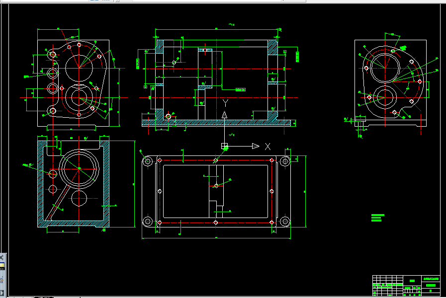
W725-传动箱体工艺与夹具设计[3套夹具毕设版]
W724-传动箱体工艺与夹具设计[2套加毕设版]
KS745C-深沟轴承座加工工艺及铣底面夹具设计[含SW三维图]
KS745B-深沟轴承座加工工艺及镗Φ62孔夹具设计[含SW三维图]
KS745A-传动器箱体工艺及钻4-φ9孔夹具设计
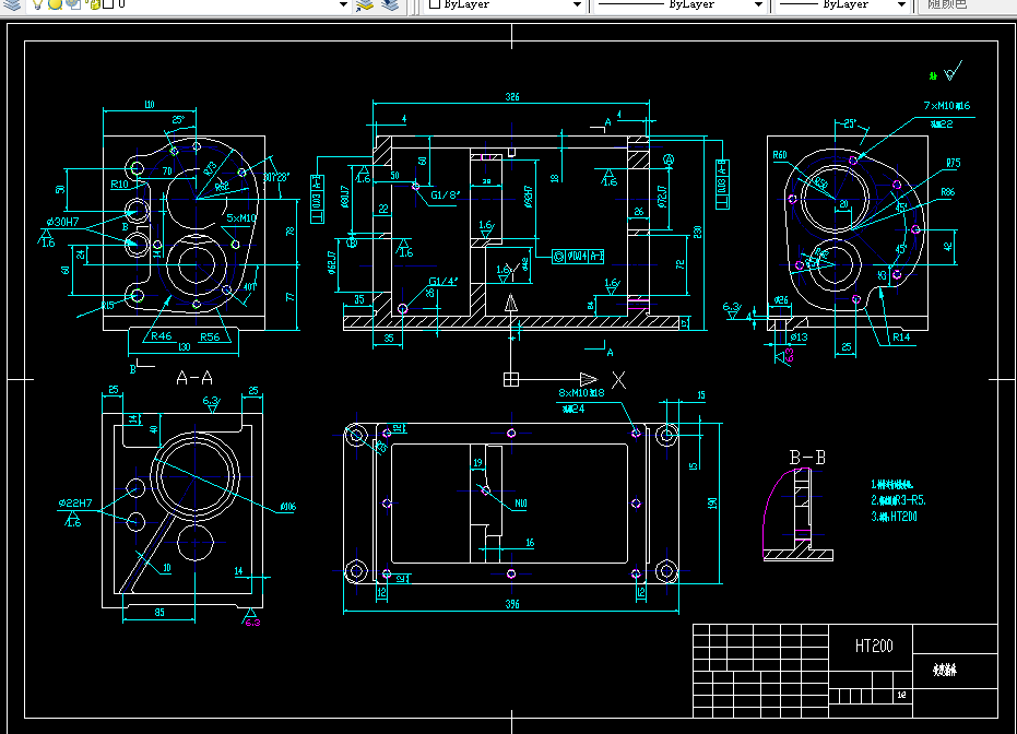
W436D-变速器箱体机械加工工艺及夹具设计[2套夹具毕设版]
W436C-变速箱体加工工艺及铣顶面夹具设计
W436B-变速箱体加工工艺及钻2-φ22H7孔夹具设计