B583A-付变速拨叉加工工艺及钻8.8孔夹具设计
B583-付变速拨叉加工工艺及钻14孔夹具设计
V198C-倒挡拨叉工艺及铣叉口两侧面夹具设计
V198B-倒挡拨叉工艺及铣叉口两侧面夹具设计[含UG三维图]
V198A-倒挡拨叉工艺及钻19.1孔夹具设计
V198-拖拉机倒档拨叉的加工工艺及钻13.5孔攻2-M12夹具设计
KS729-五六档拨叉加工工艺及铣内侧面夹具设计
K134-拖拉机倒挡二、三档拨叉机械加工工艺规程及铣叉档80夹具设计
KS728-三四档拨叉加工工艺及钻Φ5夹具设计
KS727E-快挡拨叉加工工艺及铣24左右端面夹具设计
KS727D-快挡拨叉加工工艺及钻8.7孔夹具设计
KS727C-快挡拨叉的加工工艺及铣叉口内侧面夹具设计
KS727B-快挡拨叉的加工工艺及铣操纵槽夹具设计
KS727A-快挡拨叉的加工工艺及铣叉脚端面夹具设计
X151B-机床拨叉加工工艺及铣φ37圆环面夹具设计
X151A-机床拨叉加工工艺及钻26孔夹具设计
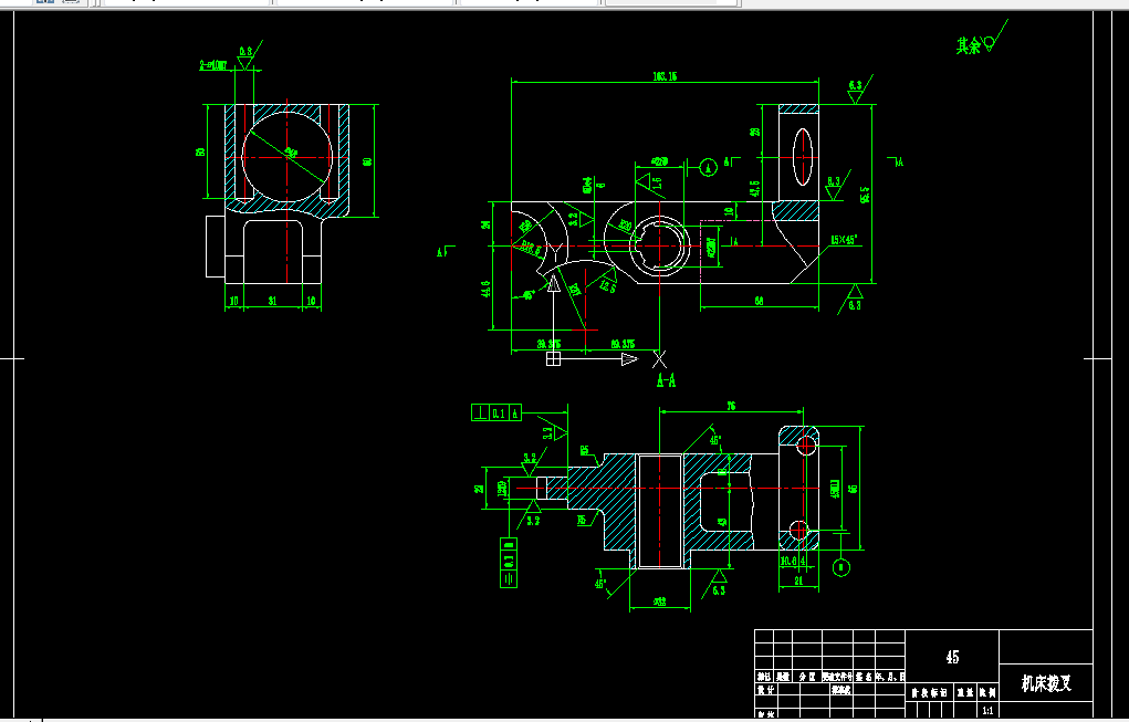
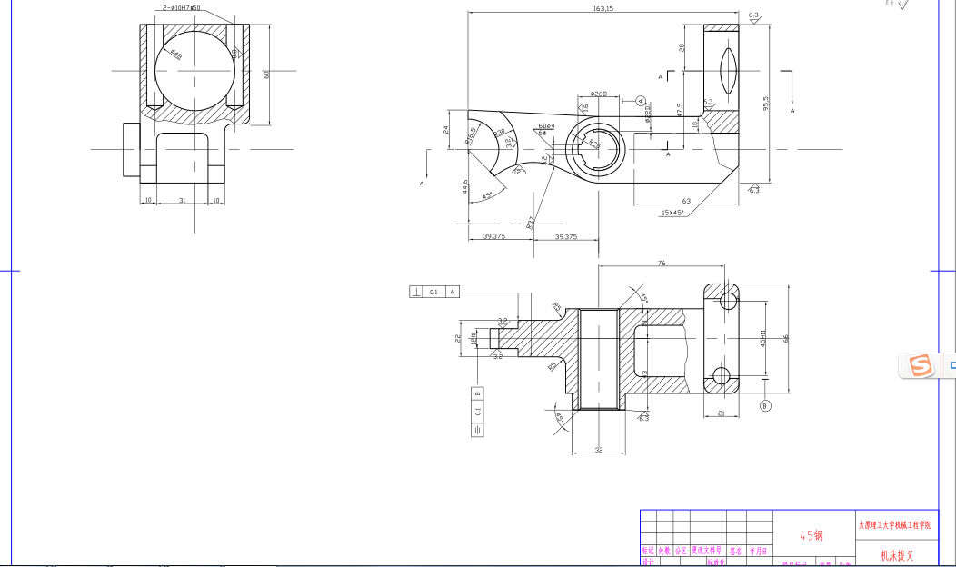
X151-机床拨叉零件的机械加工工艺规程及铣31H11槽夹具设计
KS726-换挡拨叉加工工艺及钻φ5孔夹具设计
KS725G-换挡拨叉加工工艺及铣φ12孔端面夹具设计
KS725F-换挡拨叉加工工艺及钻铰φ12H8孔夹具设计