M7326-传动支座加工工艺及钻8-φ23孔夹具设计
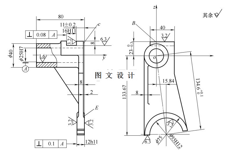
M7325-曲柄零件机械加工工艺规程设计
M7324-操纵杆零件加工工艺及铣四周面夹具设计
M7323-支架加工工艺及钻扩铰2-φ12H8孔夹具设计【支撑座】
M7322-支架加工工艺及钻扩铰φ36H8孔夹具设计【支撑座】
M7321-连杆机械加工工艺规程及钻扩铰φ30H7孔夹具设计
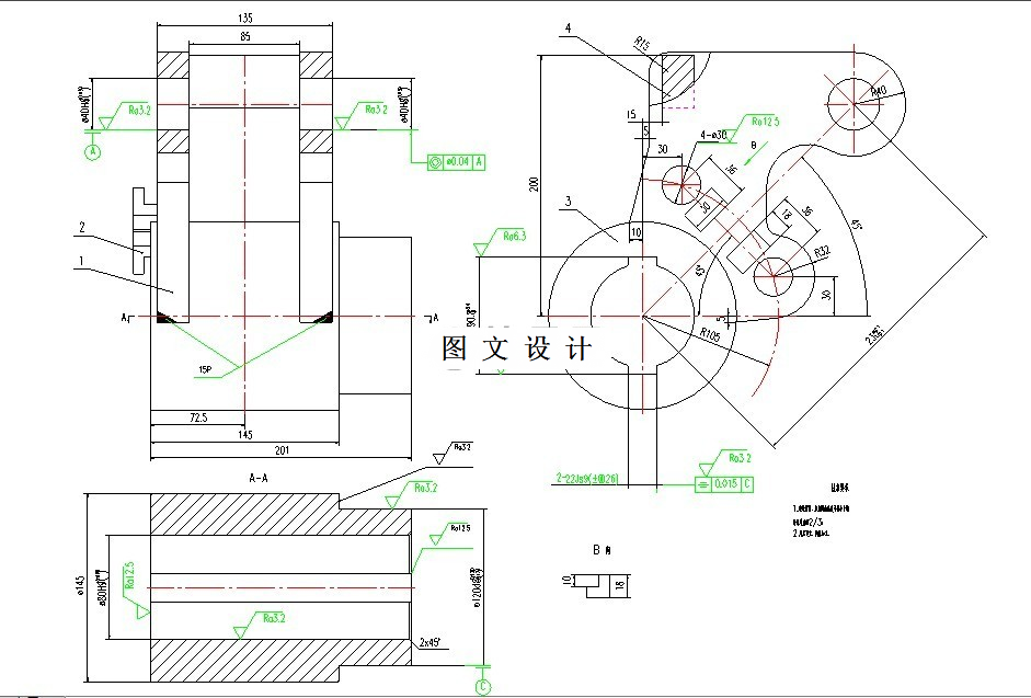
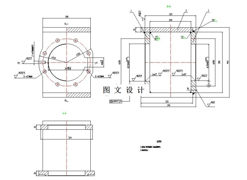
K1823-JSXD减速器箱体加工工艺及镗轴承孔夹具设计
M7319-输出轴加工工艺及铣宽6键槽夹具设计
M7301-拨叉机械加工工艺规程及粗铣T3面夹具设计
M7300-拨叉机械加工工艺规程及钻φ15.5孔夹具设计
M7299-底座零件加工工艺规程及镗孔夹具设计[含SW三维图]
M7292-蜗杆轴承座零件加工工艺及铣80开口槽夹具设计
M7290-壳体零件加工工艺及钻4-φ15孔夹具设计[含UG三维图]
M7250-变速器拨杆加工艺及铣槽16H11夹具设计
M7249-离合器接合叉加工工艺及铣夹具设计
M7247-连接盘零件加工工艺及钻3-φ6孔夹具设计
M7241-五六档拨叉加工工艺及铣拨叉头两侧端面夹具设计[气动夹具]
K1795-第四速及第五速变速叉[831011]工艺及钻M10螺纹孔夹具设计[气动夹具]
M7239-第四速及第五速变速叉[831011]工艺及钻19孔夹具设计[气动夹具]
M7238-第四速及第五速变速叉[831011]工艺及铣16槽夹具设计[气动夹具]